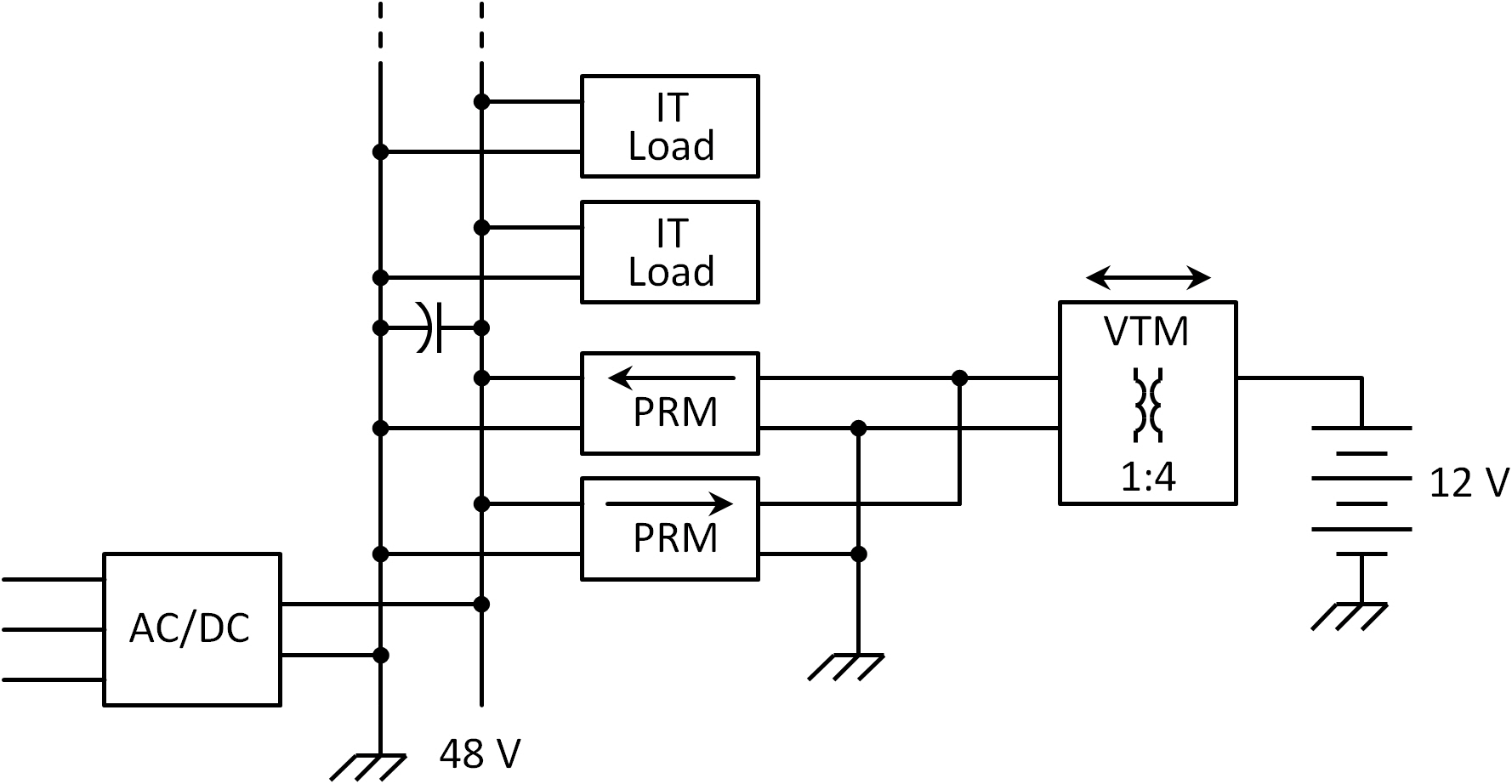
איור 2. ארכיטקטורה חילופית מבדילה בין תפקידי שינוי המתח והסדרתו, משפרת יעילות ומשתרעת על-פני תחום רחב של יחסי מתח

פורסם ע"י on ספטמבר 28, 2014

איור 2. ארכיטקטורה חילופית מבדילה בין תפקידי שינוי המתח והסדרתו, משפרת יעילות ומשתרעת על-פני תחום רחב של יחסי מתח

תגובות סגורות