עד לתקופת ספקי הכוח הממותגים, מקדם ההספק – ותיקון מקדם ההספק – לא היוו דאגה גדולה לכל, אלא רק לקובץ של מהנדסי חשמל העובדים עם מנועי חשמל גדולים, ועם עומסים חשמליים אחרים, לרוב בעלי הספק גבוה ותעשייתיים.
כיום, בזכות החקיקה הבין-לאומית השולטת במקדם ההספק ובעיוות ההרמוני, נושא זה נמצא גבוה ברשימת הדאגות של מהנדסים רבים המתכננים מערכות לשימוש עולמי. כאן Arun Ananthampalayam מ-CUI בודק את הסוגיות הקשורות למקדם ההספק וההשלכות שלו עבור המהנדסים.
מבוא קצר למקדם ההספק
מקדם ההספק (power factor-pf) הוא היחס בין ההספק הממשי (P) הזורם אל העומס, וההספק המדומה במעגל (): pf=P/S. זהו גל סינוסי ולכן מבוטא כמספר ללא ממדים בין -1 ל-1.
ההספק הממשי נמדד בוואטים (W) וההספק המדומה בוולט-אמפר (VA). עבור עומס התנגדותי טהור, שני המספרים זהים; בשביל עומס ריאקטיבי האריתמטיקה של ההספק המדומה מפיקה אותו מספר, כלומר, המכפלה בין ערכי ה-RMS של מתח וזרם. אולם, כדי למצוא את ההספק הממשי (ריאלי) המסופק לעומס, יש לשלב את המכפלה הרגעית של מתח וזרם למשך המחזור המלא של הגל הסינוסי.
כאשר הזרם מקדים או מפגר אחר המתח, הערך של אינטגרל זה יהיה תמיד פחות מהערך עבור המקרה של “במופע” למשך אותו מרווח. דבר זה משקף את התכונה של סליל או קבל לפעול בתור אוגר אנרגיה; בנקודות שונות במהלך מחזור ה-AC הרכיב הריאקטיבי הוא או אוגר אנרגיה, או מחזיר אותה למערכת.
ההספק המדומה הוא הסכום הוקטורי של ההספק הממשי וההספק הריאקטיבי (Q), הנמדד בוולט-אמפרים ריאקטיביים (var); כמוסכם, יחס זה מבוטא כ:
P=ScosƟ או P2+Q2=S2
יחס זה מוצג לרוב כדיאגרמה וקטורית משולשת ישרת-זווית:
זוהי הגדרה בסיסית התקפה עבור גלים סינוסים נקיים; צורות-גל לא-סינוסיות הן יותר מורכבות, אך ניתן להציגן על-ידי סדרה של סינוסים הרמוניים ולכן אותו העיקרון תקף בהן.
ההשלכות
שירותי ספקי-כוח וגופים יוזמים דורשים מהלקוחות שלהם להציג עומס אל סריג ההספק שהוא קרוב ככל האפשר למקדם הספק של אחד. הסיבה העיקרית, אך לא היחידה, היא של מיסוי. הלקוח מצפה לשלם עבור העבודה ה”ממשית” שנעשית במתקנים שלו – במילים אחרות, הערך של W, לעיל.
מתקנים חשמליים חייבים לדאוג להספקת ערכי המתח והזרם בשיא בצורת-הגל בכל עת. מקדם הספק של פחות מאחד מהווה למעשה העלאה בעלויות שלהם, וכזו שהן מעבירות בחזרה ללקוחות בעזרת הכתבה של תעריף מוגדל עבור לקוחות בעלי עומסים בעלי מקדם הספק נמוך. להשיג את מקדם ההספק המרבי הוא משימת “win-win” עבור כל הנוגעים בדבר.
ישנן השפעות נוספות שמחוללי הספק צריכים לענות להן העושות את העומס של מקדם ההספק אחד עדיף ביותר. הספק המופק במתקן מסתובב הוא יותר קשה לנהל ולשמור יציב כאשר מספקים מקדם הספק נמוך, ועלולים להיות סיכוני חימום או עומס-יתר עבור השנאים וציוד השידור בסריג ההספקה; כמו כן יותר קשה לשמור על יציבות הסריג עם עומסים בעלי מקדם הספק נמוך צמודים למערכת. מקדם הספק נמוך נוטה גם להיות קשור לתכונות שליליות אחרות של עומס חשמלי הנוהג כשורה. צורות-גל של זרם מעוותות ביותר הנובעות מהספק הראשי יכולות להזריק הרמוניות בעלות סדר גבוה בחזרה אל סריג הספק.
לציוד שידור יש הפסדים גבוהים יותר בתדרים גבוהים יותר, הגורמים לבעיות חימום; אם התדרים הגבוהים יותר נוכחים בעומס הממוקם ישירות על מתקן הייצור, הם יכולים לנהוג כרעידות הרסניות המובילות לשחיקה מוגזמת על רכיבים כגון מסבים. עיוות בזרם יכול להוביל לזרמים לא-מאוזנים בקווים הנייטרליים של רשתות פילוג תלת-מופעיות, אשר בתורם יכולות להרחיק את הקו הנייטרלי מההארקה (מתח) וליצור ריבוי של בעיות.
הניסיון הראשון של חקיקה עבור הפרעות הספק בקו הראשי נעשה לפני יותר ממאה שנה, ב-1899, כאשר מטרתו הייתה למנוע נצנוץ של מנורות ליבון, אולם אחת התקנות העיקריות הופיעה ב-1978, עם ה-IEC 555-2 אשר דרש שהתיקון למקדם ההספק ייכלל במוצרי צריכה.
חקיקה יותר מחמירה מאומצת בכל העולם. לדוגמה, האיחוד האירופי מחוקק כעת את ה-EN61000-3-2 עבור ציוד הכולל ספק כוח עם הספק בין 75 ו-600 ואט. דבר זה קובע מגבלה להרמוניה ה-39 עבור ציוד בעל זרמי מבוא פחות מ-16 אמפר למופע או שווה לכך. הוא מחולק לארבעה סוגים, A, B, C (עבור מכשירים, כלי הספק ותאורה), והמחמיר ביותר, D (עבור מנטרי מחשבים וטלוויזיות). תקנות דומות הונהגו בסין, יפן ואוסטרליה.
אם כי לארה”ב אין אותה הרמה של חקיקה כמו לאיחוד האירופי, תכנית ה-Energy Star המופעלת על-ידי משרד האנרגיה של ארה”ב, כמו גם סכימות דוגמת ה-80 PLUS עבור מערכות הספק של מחשבים ומרכזי נתונים, מציבות דגש גובר על קיום מקדם הספק גבוה, ומכתיבות מקדם הספק של 0.9 או גבוה יותר ב-100 אחוז של מוצא נקוב בספק-הכוח של המערכת.
ספקי-כוח עבור מערכות אלקטרוניות
גם כאשר רוב הציוד האלקטרוני הוזן על-ידי ספקי-כוח אשר השתמשו בויסות ליניארי, מקדם ההספק (ועיוות צורת-הגל) היה לעתים קרובות פחות מאידיאלי, אך הוא טופל לעתים רחוקות על-ידי כל גורם מלבד ספקים גדולים ביותר. הסידור האופייני, המסורתי, הלא-מקוון היה של שנאי שלאחריו מיישר גשר, המזין קבל-מאגר. הולכה דרך המיישר הייתה קורית כאשר מתח ה-DC בקו המוצא היה פוחת מתחת לערך הרגעי של ספק ה-AC של השנאי, שיכול היה לקרות במחזור השלם בעומס מלא, או רק בשיא של צורת-הגל AC בעומס קל.
ספקי-כוח ממותגים יכולים להרע משמעותית את המצב. החלק הלא מקוון של התכנון אמור לא להשתנות, כולל שנאי/מיישר וקבל, אולם עתה תוך הזנה של בקר מיתוג אחד או יותר. מיישר המבוא מוסיף להפיק צורות-גל של זרם מעוצבות רע, אך עתה כאשר העומס הנוסף שחלק מרעש המיתוג בתדר גבוה יותר מדרגת הבקרה עשוי למצוא את דרכו בחזרה אל הזרם המופק משקע הקיר.
דבר זה לא רק מרחיק את שיא הזרם היעיל מזה של צורת-הגל של המתח בזמן, אלא הוא גם מכניס צורות-גל של מיתוג בעלות תוכן הרמוני גבוה המקלקלות פוטנציאלית את עיוות צורת-הגל של הזרם. ההופעה של סוג זה של הספקה תאמה מאוד את חשיפת ה-PCs ומוצרי IT אחרים במספרים גבוהים. נטיות כאלה הובילו במישרין אל סביבת החקיקה של היום.
תיקון מקדם ההספק
הפיתרון להרמוניות המיותרות הוא להשתמש בתיקון מקדם ההספק (power factor correction – PFC). דבר זה משנה את צורת זרם המבוא של ספק הכוח כדי למרב את רמת ההספק הממשית מההזנה הכללית ולמזער את העיוות ההרמוני. באופן אידיאלי, המכשיר החשמלי אמור להציג עומס הדומה לעומס ליניארי, כגון נגד פשוט, ולא העומס הריאקטיבי של ספק כוח ממותג ללא תיקון. צורת-הגל המתוקנת ממזערת את ההפסדים ואת ההפרעות עם התקנים אחרים המוזנים מאותו המקור.
הפיצוי עבור מקדם הספק נמוך יכול להיות על-ידי התקנים פסיביים או אקטיביים. המקרה הפשוט ביותר מודגש ביישומי מנועים חשמליים. באופן טבעי, בתור מכונות מלופפות, הם מהווים עומס ריאקטיבי גבוה והוספת קבלים לרשת ההספקה הייתה מזמן מנהג מקובל. אולם, אף מקרה זה לא אמור להיות כה פשוט. לדוגמה, המתכנן של רשת כזו צריך לדאוג לא ליצור השפעות תהודה בלתי-רצויות. מקדם הספק משתנה בעומס עשוי להתאים על-ידי סכימה מסתגלת כדי לחבר מרכיבים ריאקטיביים כנדרש ובהקשרי הספק גבוה (של מגה-ואטים) פיתרונות של מכונות מסתובבות עשויים להתאים.
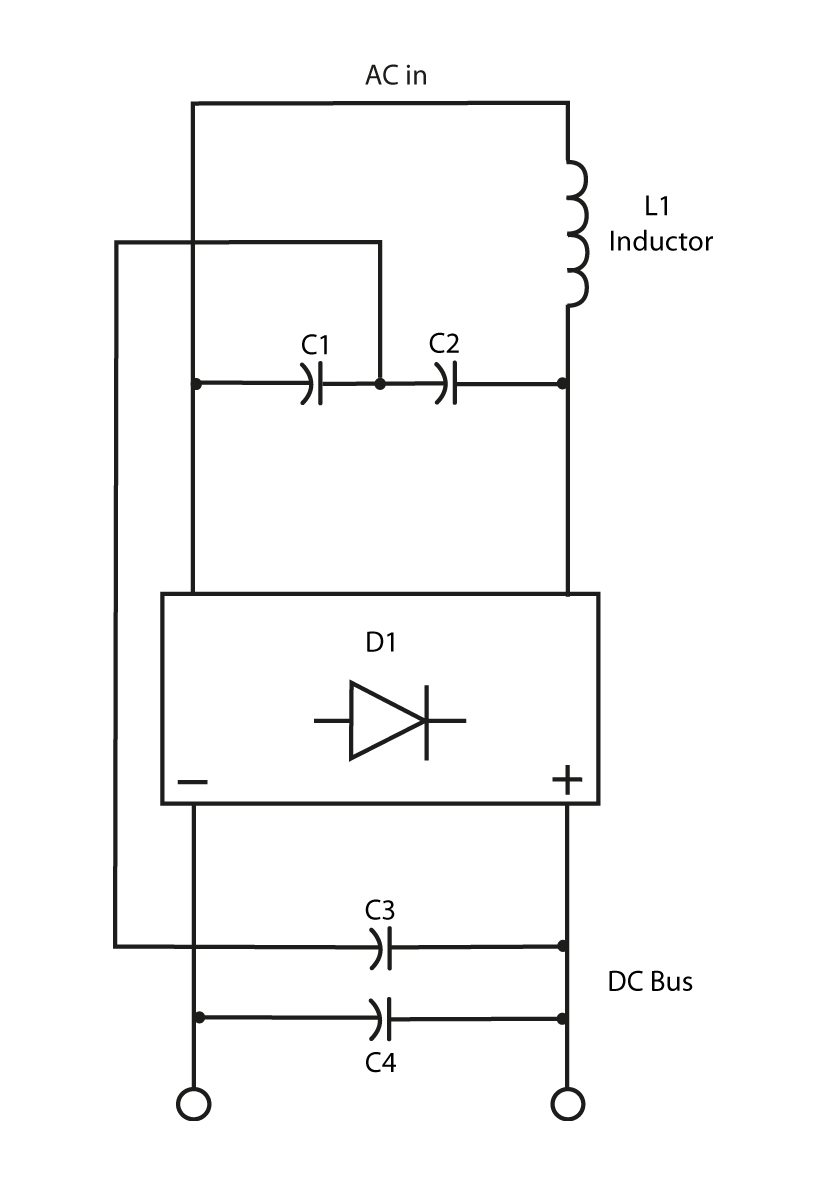
תיקון מקדם הספק פסיבי בצורה של סינון עשוי להיות יעיל, במגבלות, ויש לו השפעה של צמצום הרמוניות הזרם של סדר גבוה יותר אשר, כמצוין לעיל, תורמות למקדם הספק מוחלש. טכניקות כאלה כוללות הצבת מסנן מעביר-נמוכים בצד המבוא של ספק הכוח כדי לבטל רכיבים הרמוניים מסדר גבוה, ולאחר מכן לקזז את מאפייני ההובלה/הפיגור כמו המקדם הספק מקובל. החיסרון של תכנון PFC פסיבי הוא בכך שעשויים להידרש סלילים גדולים (גם בערך וגם בגודל) ו/או קבלים. בנוסף, יש מגבלות לתחום המבוא ודירוג ההספק כאשר מממשים סכימה זו. מעגלי PFC פסיביים יכולים בד”כ להשיג מקדם הספק בתחום של 0.70-0.75.
הקיום, וההתקדמות המהירה, של מתגי מוליכים-למחצה מהירים, בעלי יכולת של זרם גבוה, מאפשרים כיום את האופציה להשיג מקדם הספק של עד 0.99. תיקון מקדם הספק אקטיבי הוא הסכימה המיושמת במידה הרבה ביותר בתכנונים של היום. שלב תרום-וסת ממתג מוצב בנתיב זרם המבוא של הספק. וסת זה מתוכנן לא רק כדי לשמור על מתח DC קבוע לשם הזנת שלב הממיר הראשי של ספק הכוח, אלא גם כדי להזרים זרם מהמבוא במופע עם צורת-הגל של מתח AC המגיעה. ואם הוספה של שלב המיתוג אכן מחייבת כמה הפסדים נוספים, וקצת עלות נוספת, ישנם חסכונות משלימים בצורה של רכיבי סינון פסיבי קטנים יותר, ובממיר הראשי של הספק.
סיכום
מקדם ההספק נמצא ברשימת הדאגות של המתכננים של כל התקן מעשי הצורך הספק משמעותי מהשקע הראשי, כמו גם של מהנדסים בתחומי חשמל-כבד. חייבים להביא בחשבון את מטרת מקדם ההספק, מבוססת על חקיקה, ועוד היעילות, עלות הרכיבים והמקום/הנפח על הכרטיס.
מסיבה זו, CUI תכננה תיקון אקטיבי של מקדם ההספק ברוב הגדול של ספקי הכוח ac-dc שלה מ-100 ואט ומעלה כדי לסייע למימוש קל ולהבטיח התאמה בשביל OEMs.
הכותב הינו מהנדס שיווק מוצרים ב-CUI ומומחה בתכנון ספקי כוח.
- איור 1. צורת-גל אידיאלית בעלת מקדם הספק של 0
- איור 2. דיאגרמה וקטורית משולשת מסורתית
- איור 3. צורת-גל באיכות נמוכה עם מקדם הספק מפגר של 0.71
- איור 4. דיאגרמה וקטורית משולשת המציגה את השפעת תיקון מקדם ההספק
- Diagram 1A איור 5. דוגמאות של מעגלי תיקון מקדם ההספק פסיביים ואקטיביים
- Diagram 2 איור 5. דוגמאות של מעגלי תיקון מקדם ההספק פסיביים ואקטיביים







