כאשר מנתחים חומרים באתרים מרוחקים, בהם הנחת גששים בתוך החומר איננה אפשרית, מקמ"ש בתדר גבוה יכול לספק שיטה מעשית לכימות מדויק של חלקי הנפח של החומר ללא ההשפעות העוינות של חשיפה ישירה אל החומר. מפענחים (demodulators) ניצבים מציעים דרך חדישה, חסונה למדידת גודל והזזת מופע ביישומים אלה. שרשרת האותות של המקלט המוצגת כאן משתמשת במפענח ניצב רחב-פס ADL5380, מנהל התקן ADC בעל הספק נמוך ביותר, עיוות נמוך, הפרשי במלואו ADA4940-2 והADC PulSAR® 16- ביט, MSPS 1- AD7903 כדי לספק נתונים מדויקים תוך שמירה על פעולה חסכונית ובטוחה.
במקלט המוצג באיור 1, אות גל רציף נשלח מאנטנת המשדר (Tx), דרך החומר שיש לנתח, אל אנטנת המקלט (Rx). האות הנקלט יונחת ומופעו יוזז ביחס לאות המשודר המקורי. ניתן להשתמש בשינוי אמפליטודה ומופע זה כדי לקבוע את תוכן התָווך.
ניתן לקשר ישירות את שינויי הגודל והמופע לתכונות כושר ההעברה ויחס האנרגיה המוחזרת (reflectance) של יסוד, כמתואר באיור 2. במקרה של זרימת שמן-גז-מים, לדוגמה, ה-permittivity, ההפסד והפיזור (dispersion) הם גבוהים עבור מים, נמוכים עבור שמן ונמוכים ביותר עבור גז.
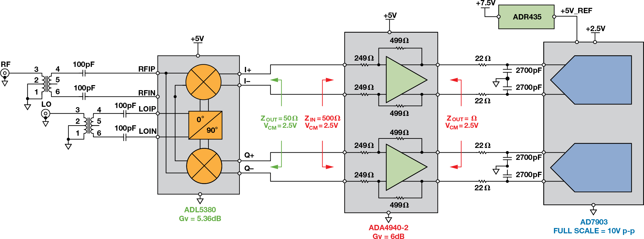
מימוש תת-המערכת של המקלט
תת-המערכת של המקלט המוצגת באיור 3 ממירה אות RF לדיגיטלי כדי למדוד במדויק את הגודל והמופע. שרשרת האותות כוללת מפענח ניצב, מגבר הפרשי כפול ו-ADC SAR הפרשי כפול. מטרות-המפתח של תכנון זה הן מדידות מופע וגודל מדויקות מאוד בעלות תחום דינמי רחב עבור מבואות RF בתדר גבוה.
מפענח ניצב
מפענח ניצב (quadrature) מספק אות במופע (I) ואות ניצב (Q) שהוא בדיוק 900 מחוץ למופע. האותות I ו-Q הם גדלים וקטוריים, כך שניתן לחשב את האמפליטודה והזזת המופע של האות הנקלט תוך שימוש בזהויות טריגונומטריות, כמתואר באיור 4. מבוא המתנד המקומי (local-oscillator – LO) הוא האות המשודר המקורי ומבוא ה-RF הוא האות הנקלט. המפענח יוצר איבר סיכום והפרש. שני האותות הם באותו תדר בדיוק, ѠLO=ѠRF, כך שאיבר סכום התדר הגבוה יסונן, בשעה שאיבר ההפרש נמצא ב-dc. לאות הנקלט יהיה מופע שונה ɸRF, מזה של האות המשודר, ɸLO. הזזת מופע זו, ɸRF-ɸLO היא בשל ה-permittivity של התווך ותסייע להגדרת תוכן החומר.
למפענח I/Q ממשי יש הרבה מגרעות, כולל שגיאת מופע ניצב, אי-איזון השבח, ודליפה LO-ל-RF, כאשר כולם יכולים להפחית את איכות האות המפוענח. כדי לבחור מפענח, יש לקבוע ראשית את הדרישות עבור תחום התדרים של מבוא ה-RF, דיוק האמפליטודה ודיוק המופע.
ה-ADL5380, המוזן מספק 5 וולט יחיד, מקבל תדרי מבוא RF או IF מ-400 מגה-הרץ ל-6 גיגה-הרץ, דבר העושה אותו אידיאלי עבור שרשרת אותות המקלט. מעוצבים כדי לספק שבח המרת מתח של 5.36-dB, המוצאים I הפרשי ו-Q יכולים להזין אות הפרשי של 2.5 וולט p-p לתוך עומס של 500 אוהם. ה-NF של 10.9-dB שלו, IP1dB של 11.6-dBm
וה-IIP3@900 MHz של 29.7-dBm מספקים תחום דינמי מצוין, בשעה שאיזון האמפליטודה של 0.07-dB ואיזון המופע של 0.20 מספקים דיוק פענוח מצוין. מיוצר על-ידי שימוש בתהליך דו-קוטבי SiGe מתקדם, הוא זמין בתוך מארז זעיר LFCSP של
4 ממ ' 4 ממ', 24 מוליכים.
מזין (driver) ו-ADC מדויק בעל רזולוציה גבוהה
הביצועים הדינמיים המצויינים והמוד המשותף בעל מוצא מתכוונן של המגבר ההפרשי הכפול במלואו ADA4940-2 עושים אותו לאידיאלי להזנת ADCs בעלי SAR כפול ורזולוציה גבוהה. מוזן על-ידי ספק 5 וולט יחיד, הוא מספק מוצאים הפרשיים ±5V עם מוד משותף של 2.5 וולט. מעוצב כדי לספק שבח של 2 (6dB), הוא מזין את מבואות ה-ADC לסקלה מלאה. מסנן ה-RC מסייע להגביל את הרעש ומקטין את הנחשול האחורי (kickback) המגיע מה-DAC הקיבולי במבוא ה-ADC. מיוצר תוך שימוש בתהליך דו-קוטבי משלים קנייני, הוא זמין במארז זעיר LFCSP ממ' ממ', 24 מוליכים.
ה-ADC הכפול, -16ביט, 1-MSPS בעל הקירוב הרציף () AD7903 מציע דיוק מצוין, עם שגיאת שבח של ושגיאת היסט של ±0.015-mV. ההתקן, הפועל מספק כוח יחיד בעל 2.5 וולט, מפזר רק 12 מילי-ואט ב-1MSPS. המטרה העיקרית של שימוש ב-ADC בעל רזולוציה גבוהה היא להשיג דיוק מופע של ±10 במיוחד כאשר לאות המבוא יש גודל dc קטן. הייחוס של 5 וולט הדרוש על-ידי ה-ADC מופק על-ידי הייחוס בעל הרעש הנמוך ADR435.
כמוצג באיור 5, תת-המערכת של המקלט ממומשת על-ידי שימוש בערכות ההערכה-ADL5380-EVALZ, EB-D24CP44-2Z, EVAL-AD79035SDZ ו-EVAL-SDP-CB1Z. רכיבי מעגל אלה מיוטבים עבור חיבור הדדי בתת-המערכת. שני מקורות מבוא בעלי תדר גבוה, נעולי-מופע מספקים את אותות המבוא RF ו-LO.
טבלה 1 מסכמת את רמות המתח במבוא ובמוצא עבור כל אחד מהמרכיבים בתת-מערכת המקלט. אות של 11.6-dBm במבוא ה-RF של המפענח ייצור מבוא בתוך -1dB של התחום מלא של ה-ADC. הטבלה מניחה עומס של 500-Ω, שבח המרה של 5.3573-dB ושבח הספק של -4.643-dB עבור ה-ADL5380, ושבח של 6-dB עבור ה-ADA4940-2. שיטת הכיול ותוצאות הביצועים המושגים עבור תת-מערכת קליטה זו יידונו בפרקים הבאים.
![]()
![]()
שגיאת הכיול של תת-מערכת המקלט
מערכת המקלט כוללת שלושה מקורות שגיאה עיקריים: היסט, שבח ומופע.
לגדלים dc ההפרשיים הפרטניים של ערוצי ה-I וה-Q יש קשרים סינוסיים ביחס למופע התואם של אותות ה-RF וה-LO. כתוצאה, ניתן לחשב את הגודל dc האידיאלי של ערוצי ה-I וה-Q כדלקמן:
![]()
![]()
כאשר המופע נע דרך הסריג הקוטבי, מיקומים אחדים היו אמורים להפיק את אותו המתח. לדוגמה, המתח על ערוץ ה-I (קוסינוס) צריך להיות זהה עם הזזות המופע של +900 או -900. אולם, שגיאת הזזת מופע קבועה, בלתי תלויה במופע היחסי של RF ו-LO, תגרום לערוץ תת-המערכת ליצור תוצאות שונות עבור מופעי מבוא שאמורים ליצור את אותו גודל dc. דבר זה מוצג באיור 6 ואיור 7, בהם שני קודי מוצא שונים מופקים כאשר המבוא אמור להיות ב-0 וולט. במקרה זה, הזזת המופע של -370 היא הרבה יותר גדולה מאשר היה צפוי במערכת ממשית הכוללת לולאות נעולת-מופע. התוצאה היא +900 המופיע למעשה כ- ו- כ-.
התוצאות רוכזו בצעדים של 100 מ- ל-, כאשר הנתונים הלא-מתוקנים מפיקים את הצורות האליפטיות המוצגות באיור 6 ואיור 7. ניתן להסביר שגיאה זו על-ידי קביעת הזזת המופע הנוספת הקיימת במערכת. טבלה 2 מראה ששגיאת הזזת המופע של המערכת היא קבועה לאורך פונקציית המעבר.
כיול שגיאת המופע של המערכת
עם גודל צעד של 100, שגיאת הזזת המופע הממוצעת שנמדדה הייתה -37.320 עבור המערכת המוצגת באיור 5. כאשר הזזת המופע הזו ידועה, ניתן עתה לחשב את מתחי ה-dc של תת-המערכת המותאמת. המשתנה ΦPHASE_SHIFT מוגדר כהזזת מופע המערכת הממוצעת הנוספת שנרשמה. מתח ה-dc המופק בשרשרת האותות המקוזזת-מופע ניתנת לחישוב כ-
![]()
![]()
משוואה 5 ומשוואה 6 מספקות את מתח מבוא המטרה עבור קביעת מופע נתונה. תת-המערכת עברה קוויות (linearization) עתה וניתן לתקן את שגיאת ההיסט ושגיאת השבח. את תוצאות הערוצים I ו-Q לאחר קוויות ניתן לראות באיור 6 ואיור 7. נסיגה ליניארית על מערכי הנתונים יוצרת את הקו התואם הטוב ביותר המוצג באיורים. קו זה הוא פונקציית המעבר המדודה של תת-המערכת עבור כל שרשרת אותות המרה.
שגיאת היסט מערכת וכיול שגיאת השבח
ההיסט של כל שרשרת אותות בתוך תת-מערכת המקלט צריך להיות אידיאלית 0LSB, אך ההיסטים המדודים היו -12.546LSB ו- עבור ערוצי I ו-Q בהתאמה. השיפוע של הקו המתאים ביותר מציג את השיפוע של תת-המערכת. השיפוע האידיאלי של תת-המערכת ניתנת לחישוב כ-
![]()
התוצאות באיור 6 ואיור 7 מראות שהשיפועים המדודים היו 6315.5 ו-6273.1 עבור ערוצי I ו-Q בהתאמה. את השיפועים האלה יש להתאים כדי לתקן את שגיאת השבח של המערכת. התיקון עבור שגיאת השבח ושגיאת ההיסט מבטיח שגודל האות המחושב לפי משוואה 1 תואם את גודל האות האידיאלי. תיקון ההיסט הוא ההיפך משגיאת ההיסט המדודה:
![]()
![]()
תוצאת ההמרה הנקלטת ניתנת לתיקון על-ידי:
![]()
מתח המבוא dc המכויל של תת-המערכת מחושב כ-:
![]()
יש להשתמש במשוואה 11 על שני הערוצים I ו-Q כדי לחשב את מתח המבוא האנלוגי הנצפה עבור כל שרשרת אותות של תת-המערכת. מתחי הערוצים I ו-Q המכוילים במלואם משמשים לחישוב אמפליטודת אות ה-RF כמוגדר על-ידי גדלי האותות dc הפרטניים. כדי להעריך את דיוק הכיול המלא, התוצאות המתקבלות ניתנות להמרה למתחי תת-מערכת אידיאליים המיוצרים במוצא המפענח כאילו ששום שגיאת הזזת מופע לא הייתה קיימת. דבר זה ניתן לבצע על-ידי הכפלה של גודל dc הממוצע המחושב קודם לכן על-ידי החלק הסינוסי של המופע הנמדד בכל ניסוי כאשר שגיאת הזזת המופע המחושבת מבוטלת. החישוב נראה כדלקמן:

ה-PHASE_SHIFT ɸ הוא שגיאת המופע שחושבה מקודם וגודל הממוצע לאחר הכיול הוא תוצאת גודל ה-dc ממשוואה 1 אשר קוזז עבור שגיאת היסט ושגיאת שבח. טבלה 3 מציגה את התוצאות של שגרת הכיול במבואות מופע מטרה שונים עבור המקרה של אמפליטודת מבוא RF 0dBm. החישובים אשר בוצעו במשוואה 12 ומשוואה 13 הם גורמי התיקון שיש להציב בכל מערכת המיועדת לחוש במופע וגודל בצורה אשר הוצגה כאן.
תוצאות הערכת תת-מערכת המקלט
איור 8 הוא היסטוגרמה של שגיאת המופע המדודה המוחלטת המראה דיוק יותר טוב מ-10 עבור כל צעד של 100 מ- עד +1800.
לשם מדידות מופע מדויקות בכל רמת מבוא נתונה, שגיאת הזזת המופע הנרשמת (ɸPHASE_SHIFT) של RF יחסית ל-LO צריכה להיות קבועה. אם שגיאת הזזת המופע המדודה מתחילה להשתנות כפונקציה של צעד מופע המטרה (ɸTARGET) או אמפליטודה, אזי שגרת הכיול המוצגת כאן תתחיל לאבד דיוק. תוצאות הערכה בטמפרטורת החדר מראות ששגיאת הזזת המופע היא קבועה יחסית עבור אמפליטודת RF החל ממקסימום של 11.6dBm עד בערך -20dBm ב-900 מגה-הרץ.
איור 9 מציג את התחום הדינמי של תת-מערכת המקלט ביחד עם שגיאת המופע הנוספת
באמפליטודה המתאימה. בשעה שאמפליטודת המבוא פוחתת מעבר ל-20dBm-, דיוק כיול שגיאת המופע מתחיל לרדת. משתמש המערכת יצטרך לקבוע את הרמה הסבירה של שגיאת שרשרת האותות כדי לקבוע את גודל האות המזערי הקביל.
התוצאות המוצגות באיור 9 נאספו עם ייחוס ADC של 5 וולט. ניתן להפחית את גודל יחוס ה-ADC, ומספק בכך רמת כימות קטנה יותר עבור המערכת. דבר זה יספק שיפור הפרשי בדיוק שגיאת המופע עבור אותות קטנים, אך יעלה את הסיכוי לרוויית המערכת. כדי להגדיל את ניתוחו הדינמי של המערכת, אופציה מושכת אחרת היא מימוש סכימת דגימת-על אשר תגדיל את הרזולוציה חופשית-מרעש-ביטים של ה-ADC. כל הכפלה של הדגמים הממוצעים תספק עליה של 1/2 LSB ברזולוציית המערכת. יחס דגימת-העל עבור רזולוציה נתונה מחושבת כדלקמן:
14.
דגימת-העל תגיע לנקודה של חזרות פוחתות כאשר אמפליטודת הרעש איננה מספיקה יותר כדי לשנות אקראית את קוד המוצא של ה-ADC מדגימה לדגימה. בנקודה זו, הרזולוציה היעילה של המערכת לא ניתנת להגדלה נוספת. הקטנת רוחב-הפס בשל דגימת-העל איננה מהווה דאגה משמעותית מאחר שהמערכת מודדת אותות בעלי גודל המשתנה באיטיות.
תוכנת ההערכה של ה-AD7903 זמינה עם שגרת כיול המאפשרת למשתמש לתקן את תוצאות מוצא ה-ADC בגין שלושה מקורות שגיאה: מופע, שבח והיסט. על המשתמשים יהיה לאסוף תוצאות בלתי מתוקנות במערכת שלהם כדי לקבוע את מקדמי הכיול המחושבים במאמר זה. איור 10 מציג את ה-GUI עם הבלטה של מקדמי הכיול.
לאחר שהמקדמים נקבעו, ניתן להשתמש בפנל זה כדי לספק תוצאות מופע וגודל מהמפענח. העקומה הקוטבית מספקת הצגה ויזואלית של אות מבוא ה-RF המוצג. חישובי האמפליטודה והמופע מבוצעים תוך שימוש משוואה 1 ומשוואה 2. ניתן לבקר את יחס דגימת-העל על-ידי כיוון מספר הדגימות ללכידה תוך שימוש בתיבת
ה-"Num Samples".
סיכום
מאמר זה הציג אתגרי-מפתח הכרוכים ביישומי חישה מרחוק והציע פיתרון חדשני
המשתמש בתת-מערת המקלט ו-ADL5380, ADA4940-2 ו-AD7903 כדי למדוד בצורה מדויקת ואמינה את תוכן החומר. שרשרת האותות המוצעת כוללת תחום דינמי רחב ומשיגה תחום מדידה מ-00 עד 3600 עם דיוק יותר טוב מ-10 ב-900 מגה-הרץ.
סימוכין
Mallach, Malte and Thomas Musch, “Ultra-Wideband
Microwave Tomography: A Concept for Multiphase
Flow Measurement ”GeMiC2014, Aachen, Germany,
March 10–12, 2014..
על המחברים
Ryan Curran הוא מהנדס יישומי מוצרים ביחידה העסקית של ממירים מדויקים ב-Analog Devices.
Qui Luu היא מהנדסת יישומי RF ב-Analog Devices מאז יוני 2000.
Maithil Pachchigar הוא מהנדס יישומים ביחידה העסקית של ממירים מדויקים של Analog Devices.
- איור 1. דיאגרמה מלבנית של המקלט
- איור 2. כושר העברה ואנרגיה מוחזרת עבור תווכים הומוגניים שונים
- איור 3. תת-מערכת מקלט מפושטת עבור ניתוח חומרים
- איור 4. מדידת הגודל והמופע תוך שימוש במפענח ניצב
- איור 5. פלטפורמת ההערכה של תת-מערכת המקלט
- טבלה 1. רמות מתח המבוא והמוצא בכל רכיב בתת-מערכת הקליטה
- טבלה 2. סיכום של הזזת המופע של תת-מערכות המקלט הנמדדת עבור אמפליטודת מבוא RF של 0-dBm
- איור 6. תוצאות ערוץ I מקוות (linearized)
- איור 7. תוצאות ערוץ Q מקוות
- טבלה 3. תוצאות המושגות במבואות מטרה מסוימים עם אמפליטודת מבוא RF
- איור 8. היסטוגרמה של שגיאת מופע מוחלטת מדודה עבור רמת מבוא של 0-dBm עם צעדי מופע של 100
- איור 9. תחום דינמי של תת-מערכת המקלט ושגיאת המופע הנוספת המתאימה
- איור 10. GUI כיול של תת-מערכת המקלט

















