רוב מגברי ההספק מסוג
(Monolithic Microwave Integrated Circuit) הקיימים כיום פועלים עם מעגלי תיאום צרי סרט, שבדרך כלל מציעים רוחב פס תפעולי של 10% או פחות. הדגש שהשוק שם על תחומי התדרים של התקשורת האלחוטית גרם לתעשיית המוליכים למחצה למקד את מאמצי התיכון שלה בתחומי תדרים (Bands) אלה. עקב כך התמעטה פעילות התיכון הקשורה בביצועים רחבי-פס במגברי-הספק מסוג MMIC.
עם זאת, התיכונים צרי הפס הללו אינם מעשיים ליישומים רחבי-פס כגון תקשורת רדיו בתחומי התג"מ/תא"ג (VHF/UHF), מכשור, מכשירי רדיו מוגדרי-תוכנה ועוד. היכן זה מותיר את המהנדס המייעד את פעילות התיכון שלו ליישומים הללו? יתרה מזאת, הצורך בביצועים רב-תכליתיים במגברי-הספק מסוג MMIC עדיין קיים, והצורך הזה היווה עבורנו את הבסיס לפיתוח מעגל יישום לשיפור הגמישות של מגבר MMIC שברוב המקרים עושה שימוש בתיאום צר סרט (Narrow-Band Matching). מאמר זה עוסק בתיכון מעגל היישום האמור עבור מגבר ההספק מסוג MMIC דגם
GVA-91+ מתוצרת חברת Mini-Circuits ומציג תוצאות של בדיקות בהן הודגמו ביצועים מעולים של המגבר החורגים משמעותית מעבר לתחום התדרים התפעולי הנקוב.
מגבר ההספק דגם GVA-91+ של חברת Mini-Circuits הוא מגבר הספק המבוסס על GaAs HBT 5V בעל נצילות גבוהה ועושה שימוש במארז ה-SOT-89 המקובל בענף. המגבר מדגם GVA-91+ מציע ביצועים מעולים בתחומי התקשורת הסלולארית וה- (Long-Term Evolution). בסיוע של מעגלי תיאום, מגבר הספק זה מתהדר בהספק מוצא (P1dB) של +29dBm בתחום שבין 869 ל-960 מגהרץ ובהספק של +27dBm בתחום שבין 2110 ל-2170 מגהרץ. בנוסף לכך, הספק גבוה זה ב-P1dB מגיע עם נצילות הספק מוסף של 41% עד 54% בתחומי התדר המתואמים. עם זאת, הביצועים המעולים שמציע המגבר
GVA-91+ מתוכננים לרוחבי-פס צרים כמוגדר על-ידי מעגלי התיאום.
כדי לשפר ולהרחיב את השימושיות של המגבר למגוון רחב יותר של יישומים, חברת Mini-Circuits פיתחה מעגל יישום חדש העושה שימוש במגברי GVA-91+ בתצורה מאוזנת. תצורת מעגל העושה שימוש במצמדי כילאיים בעלי היסט מופע של 90° מציעה יכולת התאמה מעולה, המוגבלת אך ורק על-ידי ביצועי התיאום של מצמדי הכילאיים, וכן העלאת הספק המוצא בהשוואה להספק של מגבר יחיד. תיאורטית, כל אי-התאמה שתיגרם על-ידי המגברים (בכניסה ובמוצא) תתפזר בעומס של הכניסה המבודדת של מצמדי הכילאיים. בנוסף לכך, תצורת המגברים המאוזנת מבטיחה יכולת הספק מוצא הגבוהה ב-3dB מזו של המגברים הבודדים תוך שמירה על הגבר זהה לזה של מגבר בודד1.
כדוגמה מעשית לגישה זו פותח תיכון להוכחת קונספט העושה שימוש במגברי GVA-91+ מחוץ לתחום התדרים עבורו ניתן להשיג מעגלי התאמה קיימים. במאמץ ליצור מעגל קטן-ממדים נעשה שימוש במצמדי הכילאיים בעלי היסט מופע של 90° מסוג LTCC מסדרת QCN
של חברת Mini-Circuits במארזים בגודל 1206. החברה מציעה כיום שלושים וארבעה דגמים בסדרת QCN הישר מן המדף עם תחומי תדרים המשתרעים החל מ-330 מגהרץ וכלה ב-4500 מגהרץ וכל דגם מציע רוחב פס של 2:1 בקירוב. פעולת רחבת הסרט של מעגל היישום בתצורה המאוזנת של מגברי ה-GVA-91+ מוגבלת בעיקר על-ידי רוחב הפס של מצמדי הכילאיים, ולכן מעגל היישום מאפשר שימוש במגברים בטווח רחב של תחומי תדרים אפשריים.
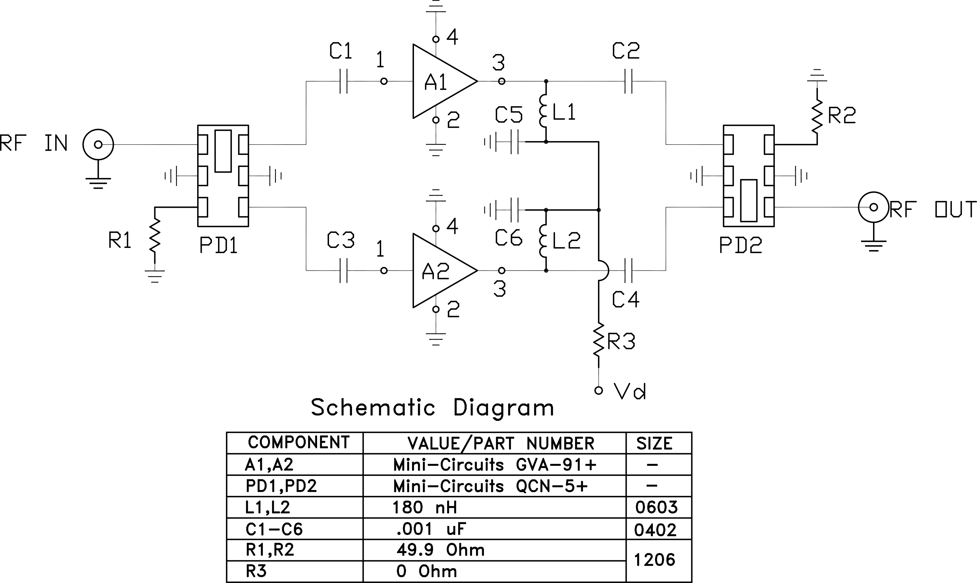
אבות טיפוס של המעגלים הורכבו על לוחות של מעגלים מודפסים (PCBs) תוך שימוש במצמד הכילאיים בעל היסט מופע של 90° מדגם +QCN-5 מסוג LTCC. תצורה זו מציעה מעגל המשתרע על כל התחום שבין 330 ל-580 מגהרץ, כמוכתב על-ידי רוחב הפס הנקוב של המעגל מדגם +QCN-5. אבות הטיפוס יוצרו בתיכון מיקרוסטריפ 50 אוהם על מצע בעובי של ”0.010 מסוג 4350B מתוצרת Rogers. תרשים סכמטי של המעגל וצילום של מעגל היישום המורכב מוצגים בתרשים באיור 1 ובתמונה 2, בהתאמה.
תוצאות וניתוח
פרמטרי ה-S של האות הקטן נסרקו מ-300 עד 600 מגהרץ כמתואר בגרפים 3, 4 ו-5. מישורי הייחוס של המדידות נלקחו בממשק של מחברי ה-SMA והכבלים הקואקסיאליים המחברים אותו בו נעשה שימוש לביצוע הבדיקות. התיוויים (Plots) של האות הקטן משווים את מעגל המגברים המאוזן המוצג במאמר זה למגבר בודד מדגם GVA-91+ ללא כל מעגל התאמה תיאום חיצוני. גרף 3 מצביע שחוסר התיאום (Mismatch) של המגברים הבודדים פוגע בביצועי ההגבר שלהם. הגבר האות הקטן של התצורה המאוזנת גבוה במקצת מזה של מגבר נפרד. ביצועי הפסד ההחזרה המתוארים בגרף 4 ובגרף 5 מראים על שיפור בולט בתצורה המאוזנת לעומת מגבר ה-GVA-91+ הבודד. התצורה המאוזנת שומרת על הפסד החזרה של 13dB או יותר בכניסה והמוצא ובמוצא על פני רוחב פס של 2:1. בנוסף לשיפור התיאום על פני רוחב הפס התפעולי של מצמדי הכילאיים בעלי היסט המופע של 90°, היתרון החשוב הנוסף של התצורה המאוזנת הוא שיפור בהספק המוצא של המגבר. גרף 6 וגרף 7 משווים את הספק המוצא בשיעורי דחיסה של 1dB ו-3dB לזה של מגבר GVA-91+ יחיד, בהתאמה. התצורה המאוזנת משיגה הספק מוצא הגבוה ב-2dB בקירוב מזה של מגבר GVA-91+ בודד בתחום שבין 300 ל-600 מגהרץ. הספק מוצא זה, בשילוב עם ביצועי הפסד החזרה מעולים על פני רוחב-פס של 2:1 מציב את תצורת המגברים המאוזנת הזו כפתרון אידיאלי עבור המתכנן הפועל בתחומי תדר רחבים.
מגבלות רוחב הפס בתצורה מאוזנת זו נובעים מחוסר האיזון של המשרעת (Amplitude) והפאזה (Phase) האופייני למצמד כילאיים בעל היסט מופע של 90° שאינו אידיאלי. פשרה (Tradeoff) נוספת של תיכון המגברים המאוזן היא נצילות ההספק המוסף הכוללת שלו. בהשוואה למגבר בודד מדגם GVA-91+ עם נצילות הספק מוסף של 45% ב-920 מגהרץ, התצורה המאוזנת המתוארת בתמונה 2 השיגה נצילות הספק מוסף של 27% ב-500 מגהרץ. עם זאת, ערך זה עדיף מהנצילות שניתן להשיג באמצעות טופולוגיות תיכון אחרות של מגברי פס-רחב, כגון תצורת דרלינגטון (The Darlington Configuration).
סיכום
מעגל היישום המוצג כאן נועד להעניק למתכנן גמישות בשימוש במגברים מדגם GVA-91+ או בכל מגבר MMIC במארז SOT-89 הדורש בדרך כלל תיאום צר סרט אך מסוגל, בתנאים אחרים, לספק ביצועים מעולים על פני תחומי תדר רחבים הרבה יותר. בנוסף לכך ניתן להשתמש באותו מעגל כדי להגביר את יכולת הטיפול בהספק המוצא של מגברים במארזי SOT-89 שתוכננו ספציפית לפעולה רחבת-פס, כגון המגברים מסדרה PHA, מסדרה PGA ומסדרה GALI של חברת Mini-Circuits ומגברים נוספים במשפחת מגברי ה-GVA. סדרה QCN של מצמדי כילאיים בעלי היסט מופע של 90° מסוג LTCC מתאפיינת ב"טביעת רגל" משותפת לדגמים בתחומים שבין 330 מגהרץ ל-4500 מגהרץ, ולכן החלפה פשוטה של מצמדי הכילאיים בעלי היסט המופע של 90°, המגברים ועדכון נאות של מעגלי הממתח למגברים יאפשרו למתכנן להתאים את התכונות של המגבר המאוזן לפי רצונו.
התוצאות המתוארות בגרפים 3 עד 7 מבטיחות שיפור לא רק בתיאום של מגבר ההספק מסוג MMIC, אלא גם הספק מוצא גבוה יותר בהשוואה לזה של מגבר
GVA-91+ בלתי מתואם באותו תחום תדרים.
יתרה מזאת, מעגל היישום הנדון במאמר זה מכתיב את השימוש בשני מגברי
GVA-91+ דיסקרטיים. רמת הביצועים של תצורת מגברים מאוזנת זו ניתנת לשיפור נוסף על-ידי שימוש בזוג מגברים מותאמים (Dual Matched Amplifiers) במארז יחיד. חברת Mini-Circuits החלה במאמץ פיתוח שמטרתו לארוז יחדיו שני מגברי
GVA-91+ במעגל משולב כפול מגברים. מעגל זה ישפר את התיאום של המגברים על-ידי צמצום כל השפעה העלולה להיגרם על-ידי שינויים מינוריים בתהליך.
סימוכין
1Maas, Stephen A., and Stephen A. Maas. Nonlinear Microwave and RF Circuits. 2nd ed. Boston, MA; Artech
House, 2003. Print.
- איור 1. תרשים סכמטי של המגבר המאוזן GVA-91+
- תמונה 2. אב טיפוס של מעגל היישום עבור מגבר מאוזן GVA-91+
- גרף 3. מגבר GVA-91+ השוואת הגבר האות הקטן בין התצורה המאוזנת למגבר GVA-91+ בודד לא מתואם
- גרף 4. מגבר GVA-91+ השוואת הפסד ההחזרה בכניסה בין התצורה המאוזנת למגבר GVA-91+ בודד לא מתואם
- גרף 5. מגבר GVA-91+ השוואת הפסד ההחזרה במוצא בין התצורה המאוזנת למגבר GVA-91+ בודד לא מתואם
- גרף 6. מגבר GVA-91+ השוואת הספק המוצא בדחיסה של 1dB בין התצורה המאוזנת למגבר GVA-91+ בודד לא מתואם
- גרף 7. מגבר GVA-91+ השוואת הספק המוצא בדחיסה של 3dB בין התצורה המאוזנת למגבר GVA-91+ בודד לא מתואם











