כשהייתי בחור צעיר, אמי תמיד וידאה שהיה בכיסי מספיק כסף קטן כדי לבצע קריאה טלפונית במקרה חרום.
עשרים שנה מאוחר יותר, טלפונים ניידים מאפשרים לנו לבצע שיחות בכל עת ובכל מקום. לאחר עוד 20 שנות התחדשות, הטלפון כבר איננו מרכיב מפתח של ההתקנים החכמים שלנו, היכולים עתה לצלם תמונות יפות, שמע ווידיאו בתזרים, לספק גישה למגוון רחב של שירותים – אשר עתה הופכים למאמנים האישיים שלנו. ההתקנים, הטעונים בחיישנים או מחוברים לחיישנים לבישים, מנטרים פעילות יום-יומית ובריאות אישית. מודעות גוברת של בריאותנו גרמה לעניין במדידת פרמטרים חיוניים – כגון קצב הלב, טמפרטורה, רוויית חמצן, לחץ דם, רמת פעילות וקלוריות שרופות – ובמעקב אחר המגמות היומיות שלהם.
עתה, חזית חיישנים אוניברסאלית בעלת חיישנים מרובים יכולה לנטר פרמטרים אלה. האתגרים הגדולים ביותר הם מזעור הממדים ומירוב חיי הסוללה. מאמר זה דן בפתרונות עבור השוק הגובר במהרה של אלקטרוניקה לבישה.
הסימן החיוני החשוב ביותר
ללא פעימות-לב היינו נמצאים בצרה רצינית, כך שדופק או קצב לב הוא בהחלט הפרמטר החשוב ביותר שיש לנטר. בנוסף למספר הפעימות לדקה, אנחנו מבקשים לבדוק את התנהגות הלב בתלות בפעילות. הקצב חשוב גם כן, מאחר שקצבי פעימות-לב המשתנים במהירות הם סימן של מחלת לב.
ניטור קצב הלב ופעילות הלב נעשים בצורה קלאסית על-ידי מדידת ה-biopotential בעזרת אלקטרו-קרדיוגראמה (ECG). אלקטרודות המחוברות לגוף מודדות אותות הנוצרים על-ידי הפעילות החשמלית ברקמת הלב. עיקרון זה משמש למערכות אבחון מקצועיות, בהן ניתן לחבר עד 10 אלקטרודות אל החזה והגפיים. ECGs מספקים מידע מפורט הנוגע למרכיבים השונים (גלי P-, QRS- ו-T-) של פעימת-לב אחת.
ECGs בעלי מוליך יחיד הם מקובלים יותר בעולם הספורט, עם רצועה בעלת שתי אלקטרודות המודדת את פעילות הלב. צורות הגלים של ECG ניתנות לגילוי, אך רוב המערכות רק מודדות את קצב הלב. רצועות אלו אינן נוחות, כך שתעשיית הספורט והבריאות מחפשת חלופות, כגון שילוב האלקטרודות לתוך חולצת ספורט.
חזית (front-end) ניטור קצב הלב בעלת מוליך יחיד AD8232, המוצגת באיור 1, פותחה עבור סוג זה של יישומים לבישים בעלי הספק נמוך. היא כוללת מגבר מכשור בעל שבח של 100V/V ומסנן מעביר גבוהים לשם עצירת מתח ההיסט הנוצר על-ידי פוטנציאל החצי-תא של האלקטרודה על העור. חוצץ מוצא ומסנן מעביר-נמוכות דוחים את רכיב התדר הגבוה המופק על-ידי פעילות השרירים (אותות EMG). ניתן להשתמש בחזית בעלת הספק נמוך זו, הצורכת 170 מיקרו-אמפר, עם המודד-על-שבב 16-ביט ADuCM350 כדי לבצע מדידות ECG איכותיות, בעלות מוליך יחיד.
שיטה חדשה למדידת
קצב הלב
מגמה חדשה למדידת קצב הלב היא ה-photoplethysmogram (PPG), טכניקה אופטית המפיקה מידע לבבי מבלי למדוד את ה-biopotential. PPG שימשה בעיקר לשם מדידת רוויית החמצן של הדם (blood oxygen saturation – SpO2), אך היא יכולה לספק מידע לבבי ללא מדידת ה-biopotential. בעזרת טכנולוגיית ה-PPG, ניתן לשלב מנטרי קצב הלב בהתקנים לבישים דוגמת שעוני-יד או צמידים. דבר זה איננו אפשרי עם מערכות biopotential בשל רמות האותות הזעירות.
במערכות אופטיות, האור מועבר דרך משטח העור. האור הנספג על-ידי תאי הדם האדומים נמדד על-ידי חיישן-אור. בשעה שהלב פועם, נפח הדם המשתנה מפזר את כמות האור הנקלט. כאשר הוא נמדד על אצבע או תנוך-האוזן, שם נמצאת כמות ניכרת של דם עורקי, מקור אור אדום או אינפרא-אדום מספק את הדיוק הטוב ביותר. אולם העורקים ממוקמים לעתים רחוקות על קצה האגרוף, כך שעם התקנים מולבשים על האגרוף, יש לגלות רכיבי פעימות מוורידים ומנימים, מתחת למשטח העור, דבר המשפר את האור הירוק.
המודול האופטי ADPD142, המוצג באיור 2, מכיל חזית פוטומטרית שלמה, עם חיישן-פוטו משולב, מקורות זרם ו-LEDs. מתוכנן עבור מדידה מוחזרת, הוא יכול לשמש למימוש מדידת PPG. כל הרכיבים מורכבים במודול זעיר.
אתגרים עם VSM אופטי
האתגרים העיקריים למדידת PPG בהתקן המורכב על פרק כף-היד הם בגלל אור סביבתי ופריטים המופקים על-יד תנועה. אור השמש, המייצרת שגיאות dc, קל יחסית לביטול, אך האור ממנורות פלואורסנטיות וחוסכות-הספק מכיל רכיבי תדר הגורמים לשגיאות ac. החזית האנלוגית משתמשת בשני מבנים כדי לדחות הפרעות מ-dc עד 100 קילו-הרץ. אחרי התניית האות האנלוגי, ממיר אנלוגי-לדיגיטלי (ADC)ביט, בעל קירוב רציף (successive approximation) הופך את האות לדיגיטלי, אשר מועבר דרך ממשק I2C אל מיקרו-בקר לשם עיבוד סופי.
נתיב שידור מסונכרן משולב במקביל למקלט האופטי. מקורות הזרם העצמאיים שלו יכולים להזין שני LEDs נפרדים עם רמות זרם ניתנות לתכנות עד 250 מילי-אמפר. זרמי ה-LED הם בצורת פולסים, עם אורכי פולסים בתחום המיקרו-שניות, כך שפיזור ההספק הממוצע נשמר נמוך כדי לרבב את חיי הסוללה.
מעגל ההזנה של ה-LED הוא דינמי וניתן לעיצוב כפי שנדרש, דבר העושה אותו בלתי-תלוי בתנאי סביבה דוגמת אור סביבתי, גוון העור והשערות של הנושא, או זעה בין החיישן והעור שעלולה אחרת להפחית את הרגישות. LEDs העירוי ניתנים לעיצוב בקלות כדי לבנות מערכת תואמת-בעצמה. כל התזמון והסנכרון מטופלים בחזית האנלוגית, כך שאין צורך בתקורה ממעבד המערכת.
שתי גרסאות של ה-ADPD142 זמינות: ה-ADPD142RG משלב LEDs אדום וירוק כדי לתמוך בניטור אופטי של קצב-הלב; וה-ADPD142RI משלב LEDs אדום ואינפרא-אדום בשביל מדידת רוויית החמצן (oxygen saturation – SpO2).
השפעת התנועה
תנועה גם משבשת מערכות אופטיות. כאשר משתמשים במנטרי קצב-לב לשם מחקרי שינה, דבר זה אינו מהווה סוגיה, אך שעוני ספורט וצמידים הענודים בשעת פעילות גופנית מתקשים ביותר לבטל השפעות תנועה. תנועה בין חיישנים אופטיים (LED וגלאי-פוטו) והעור יפחיתו את רגישות האות האופטי. בנוסף, רכיבי התדר של התנועה ניתנים לתפיסה בתור מדידת קצב-הלב, כך שיש למדוד ולקזז את התנועה. ככל שההתקן קשור חזק יותר אל הגוף, ההשפעה נמוכה יותר, אך כמעט בלתי-אפשרי לבטל זאת מכנית.
שיטות שונות משמשות למדידת תנועה. אחת היא אופטית, המשמשת באורכי-גל LED מרובים. האותות המשותפים מצביעים על תנועה, בעוד האותות ההפרשיים מזהים את קצב הלב. אולם עדיף להשתמש בחיישן תנועה ממשי. לא רק שהוא יאפשר מדידה מדויקת של התנועה המופעלת על ההתקן הלביש, אלא הוא יכול גם לשמש עבור תכונות נוספות, כגון פעילות עקיבה, ספירת צעדים או תיחול יישום כאשר מתגלה כוח-g כלשהו.
מד-התאוצה מיקרו-הספק, 3-צירים MEMS
() ADXL362 הוא אידיאלי עבור חישת התנועה ביישומים לבישים מופעלים-סוללה. ה-ADC-ביט שלו ממיר תאוצה לאות דיגיטלי בעל רזולוציה של 1-mg. צריכת ההספק משתנה דינמית עם קצב הדגימה, והיא רק 1.8µA עם קצב נתונים של 100 הרץ
ו-3.0µA ב-400 הרץ. קצבי נתונים גבוהים יותר אלה שימושיים עבור ממשק משתמש כגון גילוי tap/double-tap.
לשם התחלת יישום כאשר מתגלה תנועה, דגימה מהירה איננה דרושה, כך שניתן להפחית את קצב הדגימה ל-6 הרץ, דבר הגורם לצריכת הספק ממוצעת של
300nA. דבר זה הופך חיישן זה למושך עבור יישומים בהספק נמוך והתקנים מושתלים, בהם לא ניתן להחליף סוללות בקלות. ה-ADXL362 זמין במארז
3.0 ממ' 3.25 ממ'. איור 3 מראה את זרם המקור כנגד קצב נתוני המוצא עבור מתחי הזנה אחדים.
חיבור החיישנים במערכת
לב המערכת המחבר את כל החיישנים הללו, מריץ את התוכנה הדרושה ומאכסן, מציג או משדר את התוצאות הוא מד-האותות מעורבים על שבב ADuCM350, המשלב חזית אנלוגית איכותית (analog front end – ) עם ליבת מעבד ARM® Cortex®-M3 16 מגה-הרץ, כמתואר באיור 4. הגמישות של ה-AFE ומערך התכונות העשירות של המיקרו-מעבד הופכים את השבב הזה לאידיאלי עבור יישומים ניידים ולבישים. ה-AFE הניתן לעיצוב מאפשר את שימושו עם כמעט כל חיישן, ומחולל צורת הגל המיתכנתת שלו מצייד חיישנים אנלוגיים באותות ac או dc. שרשרת אותות הקליטה האיכותית ממצבת אותות החיישן וממירה אותם לדיגיטליים עם ADC אמיתי 16-ביט, 160-kSPS, המציג INL ו-DNL ±1-LSB max וללא קודים חסרים. ניתן להשתמש בו עם כל סוג של אות מבוא, כולל מתח, זרם, potentiostat, photocurrent ועכבת מרוכבת.
ניתן להפעיל את ה-AFE בצורה עצמאית ללא ההתערבות של מעבד ה-Cortex-M3. בקר רצף (sequencer) מיתכנת מבקר את מכונת המדידה, עם תוצאות מאוכסנות בתוך זיכרון דרך DMA. לפני שמתחילים מדידה, ניתן לבצע שגרת כיול כדי לתקן שגיאות היסט וסחיפה בשרשרת אותות השידור והקליטה. עבור מדידות עכבה מורכבות דוגמת גלוקוזה בדם, ספרת מסת הגוף (body mass index – BMI) או יישומי הפליית הרקמה, מאיץ DSP מובנה מספק הפיכת פוריה דיסקרטית (discrete Fourier transform – DFT) בעלת תדר יחיד, 2048 נקודות ללא ההתערבות של המעבד M3. תכונות איכותיות אלה של ה-AFE הופכות את ה-ADuCM350 לייחודי לעומת פתרונות משולבים אחרים.
מעבד ה-Cortex תומך בפיתחות תקשורת שונות הכוללות I2S, USB, MIPI ומזין תצוגה LCD (סטאטי). בנוסף, הוא כולל זיכרון הבזק, SRAM ו-EEPROM ותומך בחמישה אופני הספק שונים כדי למרב את חיי הסוללה.
מתוכנן לשם שימוש עם חיישנים בעלי הספק נמוך ביותר, ה-ADuCM350 מוגבל להתקנים בעלי מהירות נמוכה. יישומים הדורשים יותר הספק עיבוד יכולים להשתמש בליבות M3 הפועלות עד 80 מגה-הרץ או ליבות מעבד Cortex-M4.
מה בעניין ההספק?
ההספק הוא תמיד גורם קריטי בהתקנים ניידים ולבישים. ההתקנים המתוארים במאמר זה מתוכננים לאיכות גבוהה, ממדים נמוכים והספק נמוך, אך שילוב של הכל כולל הסוללה, במארז קטן הוא עדיין אתגר. למרות טכנולוגיות סוללה חדשות המביאות יותר יכולת למ"מ מעוקב, הסוללה היא עדיין גדולה בהשוואה לאלקטרוניקה.
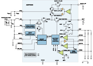
קציר האנרגיה עשוי להקטין את גודל הסוללה ולהרחיב את אורך חייה. טכנולוגיות שונות משמשות לקציר האנרגיה, כולל תרמו-חשמלית, פיאזו-חשמלית, אלקטרו-מגנטית ופוטו-וולטאית, כאשר האור והחום הם המתאימים ביותר עבור התקנים לבישים. החיישנים לרוב אינם מספקים הספק מוצא רב, כך שיש ללכוד ולהשתמש בכל ג'אול מופק. הווסת בעל הגברה והספק נמוך ביותר ADP5090, המוצג באיור 5, מגשר בין הקציר והסוללה. ספק-כוח במוד-מיתוג יעיל זה מגביר מתחי מבוא מ-100 מילי-וולט עד 3 וולט. במהלך התנעה קרה, עם סוללה מפורקת במלואה, דרוש מתח מבוא מזערי של 380 מילי-וולט, אך בפעולה רגילה כאשר הסוללה איננה ריקה לחלוטין או שאנרגיה מסוימת נותרה בקבל-העל, כל אות מבוא עד 100 מילי-וולט ניתן להמרה לפוטנציאל גבוה יותר ואכסון לשם שימוש מאוחר יותר.
מזווד במארז זעיר 3-ממ'x 3-ממ', השבב ניתן לתכנות לשימוש עם חיישני קציר שונים. הוא צורך זרם מרבי במנוחה של 250 ננו-אמפר ופועל עם כמעט כל טכנולוגיית סוללה מ-Li-Ion לשכבות דקות וקבלי-על. מעגלי הגנה משולבים מבטיחים פעולה בטוחה.
סיכום
מאמר זה מתאר מספר מוצרים בעלי הספק נמוך עבור יישומי לבישה ובריאות אישית, אולם שוק זה הגובר במהירות משתנה במהירות. טכנולוגיית ADI יכולה לשנות בעיות מאתגרות למוצרים שלמים ופתרונות מוכנים להפעלת הלקוח. צפה לעתיד לבוא.
- איור 5. קציר אנרגיה של ADP5090
- איור 4. עם AFE משולב
- איור 3 זרם הזנה של ADXL362 בתלות בקצב נתוני המוצא
- איור 1 חזית ECG בעלת מוליך יחיד AD8232
- איור 2 מודול אופטי ADPD142
סימוכין
Neuman, Michael R. “Biopotential Electrodes.”The Biomedical Engineering Handbook, Fourth Edition. CRC Press, 2015
Chi, Mike Yu, Tzyy-Ping Jung, and Gert Cauwenberghs.
“Dry-Contact and Noncontact Biopotential Electrodes: Methodological Review”. IEEE Reviews in Biomedical Engineering,
Volume 3, 2010.
http://en.wikipedia.org/wiki/IEC_60601
על המחברים
Jan-Hein Broeders הוא מנהל פיתוח עסקי של healthcare באירופה, המזרח הקרוב ואפריקה.
Jose Carlos Conchell הצטרף ל-ADI כמהנדס יישומי מערכת בקבוצת ה-Healthcare.






