“האם ה-SOA של טרנזיסטור ה-MOSFET מתאים לאפליקציה שלי?” זו השאלה הנפוצה ביותר של מתכנני מעגלי Hot-Swap. כאשר אומדים את תאימות טרנזיסטור ה-MOSFET לאפליקציה ספציפית, זה עוזר אם יש הבנה אינטואיטיבית של ה-SOA. לאחר סיקור קצר המציג את הספציפיקציות המתארות את ה-SOA הנמצאות בדפי הנתונים, מאמר זה מביא הסבר פשוט ל-SOA עם פוקוס על ההתנהגות הטרמית של טרנזיסטור ה-MOSFET. עם הבנה זו מתכננים יכולים באופן בטוח להשתמש ב-SOAtherm, כלי הכלול בתוכנת ה-LTspice, בכדי לאמוד את ה-SOA של טרנזיסטור ה-MOSFET בסימולציות המעגלים שלהם.
מהו SOA?
בכל דף נתונים של טרנזיסטור MOSFET נכלל גרף SOA, המתאר את הזמן המקסימאלי שבו ה-MOSFET יכול להיות חשוף למתח וזרם ספציפי. איור 1 מראה גרף של SOA מדף נתונים של טרנזיסטור מחברת NXP Semiconductor,
MOSFET. אם נחשוב על מצב עבודה אשר בו מתח 10V וזרם 100A מיושמים על ה-MOSFET, כאשר מסתכלים על הנקודה המתאימה בגרף ה-SOA, ניתן לראות כי נקודה זו נמצאת בין קווי ה-1mSec ל-10mSec. הגרף מציין שאתה יכול להשים מתח בן 10V וולט וזרם בן 100A אמפר לזמן בן 1ms ללא פגיעה בטרנזיסטור ה-MOSFET אם האריזה (ה-Tab של האריזה) נמצא ב-25°C.
אך כמובן, להחזיק את האריזה בטמפרטורה קבועה של 25°C דורשת משטח קירור אידאלי ואינו אפשרי. למרבה המזל למקרים בעלי פרק זמן קצר (פחות מ-10ms-100ms), טמפרטורת האריזה לא עולה באופן משמעותי. מעגלי Hot-Swap “רואים” מתחי (Drain to Source) גבוהים לפרקי זמן קצרים – בהפעלה, במדרגות ספק הכניסה ובתנאים בהם יש צריכת זרם גבוהה במוצא – לכן זמנים בני 10ms-100ms אינם מהווים בעיה. דיון בירידה ביכולת ההספק של האריזה לעומת טמפרטורות (מעל 25°C) מובאת בחלקה-“אימפדנס הטרמי הרגעי” בהמשך.
מצב יציב
לפני שנסקור באופן נרחב על תופעות מעבר ה-SOA, זה עוזר לסקור את גבולות המצב היציב (DC). דפי נתונים של טרנזיסטורי MOSFET מציינים את טמפרטורת הסיליקון המקסימלית (בד”כ 150°C או 175°C Junction) וכמו כן מצוינים פרמטרי ה-θJC וה-θJA, שאלו הם: ההתנגדות הטרמית מהסיליקון (Junction) לתחתית האריזה (Case) וההתנגדות הטרמית מהסיליקון (Junction) לטמפרטורת הסביבה (Ambient) בהתאמה. לפעמים פרמטרים אלו מופיעים גם כ- (JC)ו-Rth ().
מדף הנתונים של ה-PSMN1R5-30BLE, ה-θJA = 50°C/W וה-θJC = 0.3°C/W. ה-θJA משמש לחישוב עליית הטמפרטורה מטמפרטורת הסביבה, (ה-Ambient) לסיליקון ה-MOSFET, בשילוב מעגל PCB המצוין בדף הנתונים. בדף הנתונים של ה-PSMN1R5-30BLE, ה-θJA מצוין עם footprint מינימאלי על PCB מסוג FR4. בהנחה שה-PCB שתתכנן/י זהה לזה שהיצרן עשה בו שימוש לציון ה-θJA, טמפרטורת הסיליקון היא:
לדוגמה, אם θJA שווה 50°C/W וטמפרטורת הסביבה היא 75°C, טמפרטורת הסיליקון תהיה 125°C כאשר 1W מתפזר על ה-MOSFET.לרוב טרנזיסטורי ה-MOSFET המודרניים אשר בעלי מבנה טאב חשוף, θJA נקבע בעיקר על ידי עריכת מעגל ה-PCB מאשר על ידי ה-MOSFET עצמו (למרות שהפד החשוף צורתו וגודלו כן משחקים תפקיד). מכיוון ש-θJA, נקבע בעיקר על ידי עריכת ה-PCB וזרימת האוויר בו, ה-θJA שהיצרן מציין מתאים רק לאומדן התחלתי. θJC הוא בד”כ אומדן טוב יותר מכיוון שהוא מתאר את התנהגות ה-MOSFET ללא השפעת עריכת ה-PCB. בכדי לקבוע מהי טמפרטורת הסיליקון אפשר להשתמש ב:כאשר ההספק המתבזבז הוא 1W, טמפרטורת הסיליקון היא רק 0.3°C מעל Tcase. כאשר משתמשים בנוסחה הזו Tcase חייב להיקבע על ידי מדידה פיזית או על ידי סימולציה טרמית של ה-PCB. מכך, עריכת לוח ה-PCB, זרימת אוויר ולוחות פיזור הספק (Heatsinks) הם פקטורים קריטיים כאשר מחשבים התנהגות במצב יציב.
אימפדנס טרמי רגעי
ברוב דפי הנתונים של טרנזיסטורי ה-MOSFET כלול גרף של אימפדנס טרמי רגעי (Transient Thermal Impedance). האימפדנס הטרמי הרגעי (ZthJC) ל”דופק יחיד” (Single Pulse) הוא עליית הטמפרטורה שנוצרת על ידי דופק הספק (מתח*זרם) מוגבל בזמן. נקודת הזמן הארוכה ביותר בגרף האימפדנס הטרמי הרגעי מותאם ל-θJC מכיוון שה-θJC הוא האימפדנס הטרמי (האינסופי) במצב יציב. איור 2 מראה את האימפדנס הטרמי הרגעי מדף הנתונים שלה-PSMN1R5-30BLE. לדיון כאן רק עקומת הדופק היחיד חשובה.אפשר להשתמש בגרף האימפדנס הטרמי בכדי לחשב את עליית הטמפרטורה לכל זמן של דופק הספק. לדוגמה, נניח ש ל-MOSFET מתח Vds בן 12V וזרם ID של 100A. ההספק המתפזר על ה-MOSFET הוא 12V · 100A = 1.2kW. אם נתבונן בגרף האימפדנס הטרמי הרגעי בנקודה של 1ms, האימפדנס הטרמי הוא 0.075°C/W. טמפרטורת הסיליקון היא:
Tjunction = Tcase + ZthJC [°C/W] • Power[W] = 0.075°C/W • 1.2kW + 25°C = 115°C.
יש לשים לב כי תוצאה זו מתאימה ל- 1ms ולדופק בן 1.2kW ובטמפרטורת מארז קבועה בת 25°C.
למתחי Vds ממוצעים (מתחת לאפקט הספיריטו), יצרני MOSFET מייצרים את גרף ה-SOA מגרף האימפדנס הטרמי הרגעי. במילים אחרות, שני גרפים אלו הם ביטוי של אותו מידע. גרף ה-SOA מראה את הזמן שלוקח לסיליקון להגיע למקסימום טמפרטורת הצומת (150°C או 175°C) לכל צירוף של מתח Vds וזרם ID. יש להיות מודעים כי גרף ה-SOA תקף רק כאשר טמפרטורת מארז טרנזיסטור ה-MOSFET היא ב-25°C ויש לגרוע את ביצועי גרף זה לטמפרטורות מארז גבוהות יותר, כולל את טמפרטורות המארז המתפתחות עקב הדופק עצמו.
מכיוון שטמפרטורת המקסימום שלה-PSMN1R5-30BLE היא 175°C ושימוש בטמפרטורת מארז של 25°C, נוכל לחשב את הזמן המקסימאלי ב- 1.2kW.
Tjunction – Tcase = ZthJC[°C/W] • Power[W]
175°C – 25°C = ZthJC • 1.2kW ומכך מתקבל:
ZthJC = 0.125°C/W
אם מסתכלים בגרף האימפדנס הטרמי הרגעי אפשר למצוא כי ZthJC חוצה את נקודת ה-0.125°C/W בערך ב-2ms וזה מתאים כמו כן לגרף ה-SOA. עם הבנה של האימפדנס הטרמי הרגעי ניתן לחשב את הזמן האפשרי לטמפרטורת מארז השונות מ-25°C. בדוגמה של ה-1.2kW הקודמת, הזמן המקסימאלי היה 2ms כאשר טמפרטורת המארז ב-25°C, עכשיו נניח שטמפרטורת המארז עלתה ל-85°C. הזמן המקסימאלי האפשרי כעת הוא:
Tjunction – Tcase = ZthJC[°C/W] • Power[W]
175°C – 85°C = ZthJC • 1.2kW
ZthJC = 0.075°C/W
נתבונן שוב בגרף האימפדנס הטרמי הרגעי ונמצא שכאשר ZthJC שווה 0.075°C/W הנקודה חוצה את גרף הזמן ב-1ms, הזמן פחת באופן משמעותי לעומת טמפרטורת מארז ב-25°C שנמצא מקודם. מכיוון שהתנהגות טרמית היא לינארית, אפשר להשתמש בגרף האימפדנס הטרמי בכדי לאמוד את עליית הטמפרטורה לכל צורת הספק. בעוד שזה אפשרי לחשב באמצעות קונבולוציה, קל יותר ליצור מודל התנהגות טרמית במעגל חשמלי באמצעות סימולטור SPICE. במיוחד באמצעות הכלי הבנוי ב-LTspice הנקרא SOAtherm, המשמש ליצור מודל של ההתנהגות הטרמית של MOSFET.
SOAtherm ב-LTspice מנבא את טמפרטורת המקסימום של הסיליקוןמתכנן החמוש רק בגרף ה-SOA מדף הנתונים של ה-MOSFET מוצא את עצמו עומד באתגר קשה בניבוי התאמת ה-MOSFET לתכנוני מעגלי Hot-Swap. למרבה המזל, ההתנהגות הטרמית של ה-MOSFET (ו-SOA) יכולים להיות ממודלים בתוכנת סימולציה כגון LTspice. סמל ה-SOAtherm הכלול ב-LTspice כולל מבחר של התנהגויות טרמיות של MOSFETs שונים המקלים על משימת ניבוי טמפרטורת המקסימום של הסיליקון לאורך זמן, אפילו באזור הספיריטו. המודל הטרמי מדווח את הטמפרטורה של הנקודה החמה ביותר על סיליקון ה-MOSFET ללא השפעה על ההתנהגות החשמלית של מודל ה-MOSFET. לטוב או לרע, המודלים ב-SOAtherm מבוססים על דפי הנתונים של יצרני ה-MOSFET השונים ובכך הם מדויקים רק כפי שמצוין במידע זה. מכך ניתן להסיק שיש לתכנן עם מרווח גדול מכיוון שעקומות ה-SOA המסופקות בדפי הנתונים הם בד”כ מספרים טיפוסיים ללא התחשבות מספיקה של ירידה ביכולת ההספק של ה-MOSFET היכולה להיגרם משינויים בין רכיב לרכיב.
שימוש ב-SOAtherm
בכדי להשתמש ב-SOAtherm, יש להוסיף את הסמל של SOAtherm-NMOS מעל MOSFET בסימולציית LTspice (איור 3). המתחים בפינים ה-Tj וה-Tc בסמל ה-SOAtherm-NMOS מציינים את טמפרטורת המארז (Case) ואת טמפרטורת הסיליקון (Juction). לאחר הרצה של הסימולציה, טמפרטורות הסיליקון והמארז נראות ב-WaveForm Viewer (איור 4.)
בגרף המובא כאן טמפרטורת הסיליקון של ה-MOSFET עולה מ-25°C ל-78°C וכמו כן טמפרטורת המארז עולה מ-25°C ל-35°C. עלייה של 1V בפין ה-Tc או Tj שווה ערך לעלייה של 1°C.יש לזכור להריץ סימולציות של מקרים מיוחדים בכדי לקבוע אם גבולות ה-SOA של ה-MOSFET לא הופרו.
כניסת מדרגה של ספק הכניסה. לדוגמה, דרישות ה-SOA של -48V ליישום טלקום שבו ספק הכניסה יכול לעבור בין -36V ל-0-72V ידרוש מה-MOSFET יכולות SOA גבוהות. כאשר ספקי מתח מיוצבים ומבוקרים בצורה טובה בכדי למנוע ממדרגות מתח כאלו, דרישות ה-SOAמה-MOSFET יופחתו.
הדלקה לעומס עובד. בחיבור מעגל לעומס, מעגלי האלקטרוניקה במורד הלוח יצרכו זרם וידלקו לפני שהספק הראשי הספיק לעלות לגמרי או אם קבל כושל לקצר התנגדותי. סימולציה של עומס התנגדותי ביציאה יכולה לציין מתי MOSFET יכול באופן בלתי צפוי להיות חשוף למקרים בהם יש לו צורך ביכולת SOA משמעותית. קצר במוצא המתרחש במהלך מצב עבודה תקין. אף פעם אי אפשר לדעת מתי המשתמש יפיל סיכת הידוק לתוך השלדה ומעגלי ה-Hot-Swap (או פיוז) ימנעו קריאה למכבי האש.
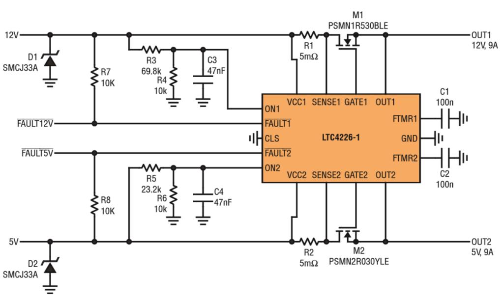
דוגמה לשימוש ב-LTC4226 הוא בקרHot-Swap כפול (דואלי) בעל מתח כניסה רחבה-LTC4226 הוא בקר שדוחף טרנזיסטור N-Channel חיצוני בתכנונים הדורשים מתח כניסה עד גובה של 44V. במעגל באיור 5, ה-LTC4226 מאפשר הגבלת זרם ופונקציה של פיוז לאפליקציות שבהן יש מתחים בני 12V ו-5V. פונקציית הפיוז ניתנת לתכנון על ידי טיימר באמצעות קבלים המחוברים לפיניםFTMR1, FTMR2. כאשר המתח על נגדי החישה הוא בין 50mV ו-86mV הקבל המתאים ב-FTMR1 או FTMR2 נטען באמצעות מקור זרם בן 2µA. מכיוון שמעגל הגבלת הזרם לא נכנס לפעולה עד שהמתח על נגד החישה מגיע ל-86mV, פיזור ההספק ב-MOSFET זניח כל עוד הזרם נשאר פחות מ-86mV/5mΩ = 17.2A, כאשר הזרם עולה מעבר לכך, מעגל הגבלת הזרם מופעל והפינים FTMR1 ו FTMR2 עולים באמצעות 20µA. ה-MOSFET של אותו ערוץ עובר לקטעון כאשר פין ה-FTMR שלו מגיע ל-1.23V ובכך נקבע זמן מקסימאלי לפני שערוץ ה-MOSFET נסגר. בדוגמה זו, קבלים בני 100nF קובע הגבלת זרם בת 6.2ms לשני הערוצים.
ב-LTC4226, פיזור ההספק הגבוה ביותר ב-MOSFET קורה כאשר המוצא מקוצר לאדמה. כתוצאה מכך, קביעת ה-SOA היא פשוטה (בבקרי Hot-Swap אשר להם פונקציה של Foldback או הגבלה על ההספק הכולל, מאמץ גדול יותר נדרש בכדי לדעת את המצב הגרוע ביותר כאשר מעמיסים את הרכיב). בהתייחס לגרף ה-SOA מאיור 1,ל-PSMN1R5-30BLE, אפשר לראות כי 6.2ms נמצא בתוך מגבלות ה-SOA של 17.2A ו-12V. סימולציה של SOAtherm מאוששת כי הטמפרטורה הכוללת של ה-Junction הוא פחות מ-50°C. אותה סימולציה מראה עלייה זניחה של טמפרטורת המארז של בערך 5°C אשר הייתה צפויה עקב גודל המארז הגדול (D2PAK) ופולס בן 6ms.
בדוגמה זו ספק ה-5V משתמש במארז powerPAK-SO8 בשביל ה-MOSFET, הקטן יותר ממארז ה-D2PAK אשר נעשה בו שימוש לספק ה-12V. אפשר להשתמש במארז קטן יותר ל 5V מכיוון שפיזור ההספק הגבוה ביותר על ה-MOSFET הוא 17.2A • 5V = 86W לעומת פיזור ההספק של ספק ה-12V, לפי 17.2A • 12V = 206W. סימולציה של מעגל זה חוזה עליית טמפרטורת ה-Junction ב-40°C, כולל עלייה של טמפרטורת המארז ב-30°C. העלייה הגבוהה יותר בטמפרטורת המארז ניתנת להסברה על ידי גודל המארז של PowerPAK-SO8 (ומכך פחות נחושת) ביחס למארז ה-D2PAK אשר נעשה בו שימוש לספק ה-12V.
החישובים והסימולציה נעשו בכדי לעזור ולוודא את תכנון המעגל ובחירת ה-MOSFET, אך הבדיקה האולטימטיבית צריכה להיות במעבדה עם מעגל מורכב. מכיוון שדרישת ה-SOA המחמירה ביותר של ה-LTC4226 היא כאשר קיים קצר במוצא, הבדיקה במעבדה נוחה ופשוטה, מחברים את ספק הכניסה עם מוצא מקוצר. טכניקה טובה לכך היא לחבר את ה-LTC4226 לתוך ספק עובד בכדי לשחזר מקרה אמיתי של מאורעHot-Swap. אלטרנטיבה היא לחבר קצר במוצא כאשר הספק עובד במלואו. בכדי לדעת אם למעגל יש מרווח ביטחון אפשר להחליף את קבל הטיימר לערך גדול יותר ולבחון את ההתנהגות שוב. המעגל באיור 6 מראה טכניקה אשר משתמשת בשני טרנזיסטורי MOSFET כאשר ה-SOA של טרנזיסטור MOSFET יחיד אינו מספק לדרישות התכנון. באופן כללי חיבור טרנזיסטורי MOSFET במקביל על מנת להגדיל את טווח ה-SOA אינו מומלץ. אי-תאימויות בין טרנזיסטורי MOSFET, בעיקר אי תאימויות במתחי הסף, יכולות לגרום לבריחה טרמית של אחד מהטרנזיסטורים ומכך להולכה של כל הזרם דרכו. למרות זאת, המעגל באיור 6 משתמש בטרנזיסטורים במקביל באופן בטוח על ידי הגבלת זרם עצמאית בכל אחד מהערוצים ומונע בריחה טרמית של הטרנזיסטורים. בנוסף, טרנזיסטורי ה-PNP, Q1 ו-Q2 מאפשרים את הטיימרים של מעגל הפיוז רק כאשר שני טרנזיסטורי ה-MOSFET מוליכים את הזרם המלא שלהם. ללא ה-PNPs, טיימר של אחד מהערוצים יכול היה לעבוד אם הוא היה מעביר חלק גדול יותר של זרם העומס.
סיכום
רמות ההספק הנדרשות ליישומיHot-Swap הפכו גבוהות יותר וכמו כן הדאגות לגבי ה-SOA של טרנזיסטור ה-MOSFET. בד”כ האספקט הכי מאתגר בתכנון מעגל Hot-Swap הוא הקביעה האם טרנזיסטור ה-MOSFET הספציפי שנבחר יכול לתמוך בדרישות היישום. דרישת מינימום היא שמתכנן המעגל ירגיש בנוח עם פרוש גרפים של SOA של ה-MOSFET השונים. ככל שרמות ההספק עולות ומגיעות לגבולות הטכנולוגיה הקיימת של ה-MOSFET, הבנה של גרף האימפדנס הטרמי הרגעי והיכולת לערוך סימולציות של התנהגות זו בתוכנה לסימולציה של מעגלים כגון SPICE, מספקת למתכנני מעגלי Hot-Swap כלים יקרי ערך לתכנון נכון.
אפקט הספיריטו (Spirito Effect)
לפני שנים כאשר מקסימום הזרם במעגלי Hot-Swap היו מתחת ל-10A, היה קל למצוא MOSFET לשביעות רצון של רוב היישומים. שני דברים השתנו מהעשור האחרון, הראשון, זרמי ספקי הכוח עלו באופן משמעותי כאשר זרמים בגובה 100A הפכו לנפוצים. שנית, יצרני MOSFET השקיעו רבות בשיפור התנגדות ההולכה( (on)) כאשר הם ברוויה מלאה. באופן אירוני, דבר זה צמצם את ההיצע של טרנזיסטורים בעלי SOA רחב במתחי Vds גבוהים על ידי תופעה שנקראת “אפקט ספיריטו”. פרופסור פאולו ספיריטו הסביר שכאשר יצרני MOSFET הגדילו את ההולכה בתלות בזרם בשביל לשפר את ההתנגדות במצב הולכה, נוצרה כעת נטייה גדולה יותר של טרנזיסטורי MOSFET לכשל עקב היווצרות של נקודות חמות שאינן יציבות. ישנם שני פקטורים מתחרים עיקריים בכדי לקבוע אם נקודות חמות גורמות לכשל בטרנזיסטור. פקטור אחד הוא יכולת הטרנזיסטור לפזר הספק ללא עלייה מהירה בטמפרטורה (ניתן להבחנה מעקומת גרף האימפדנס הטרמי) והשני הוא נטיית תאי ה-MOSFET לגנוב זרם מתאים שכנים ומכך להתחמם יותר. תופעה זו נקראת “בריחה טרמית” (Thermal Run away) ותופעה זו דומיננטית לפי מקדמי הטמפרטורה של מתח הסף של ה MOSFET, אשר יורד כאשר הטמפרטורה עולה וגורם ל”הצטופפות הזרם” בתאים החמים יותר (יכולת ה-Transconductance של ה-MOSFET יורדת כאשר הטמפרטורה עולה מכיוון שיש מספר קטן יותר של אפשרות תנועה בערוץ ההולכה של ה-MOSFET, ,תופעה זו מנטרלת במקצת את תופעת הצטופפות הזרם בתאים החמים אך אפשר בבטחה להתעלם כרגע מתופעה זו לצורך ההסבר). בתוך אריזת MOSFET ישנה פיסת סיליקון (die) המכילה מערך של תאי MOSFET עם השערים (Gates), שפכים (Drains) ומקורות (Sources) מחוברים במקביל. כאשר כמה תאים הופכים להיות חמים יותר מאחרים, מתחי הסף שלהם יורדים לעומת תאים אחרים, הקרים יותר ומכך גורמים לתאים החמים יותר להוליך יותר זרם. אם הגורמים העיקריים שתוארו מעל מגיעים למצב לא יציב, תאים מסוימים יברחו טרמית וימשכו יותר ויותר זרם עד אשר הם יהרסו. ניתן להבחין באפקט הספיריטו במתחי Vds גבוהים בעיקר מכיוון שתוצאת שינוי הזרם בתא מסוים מביאה לשינוי גדול יותר בהספק במתחי Vds גבוהים וכתוצאה מכך לנטייה גדולה יותר לבריחה טרמית. כמו כן אפקט הספיריטו נצפה בזרמים נמוכים, או כאשר יש יותר זמן לתאי ה-MOSFET לברוח טרמית. (בזרמים גבוהים יותר, הטמפרטורה הממוצעת של הסיליקון מגיעה לסף ה-150°C או 175°C לפני שתאים מציגים התנהגות של בריחה טרמית). מסיבה זו, האזור של מתח Vds גבוה וזרם ID נמוך בגרף ה-SOA אפקט הספיריטו יהיה יותר דומיננטי ולפעמים יקרא כ”אזור הספיריטו”.
- זמן SOA איור 1. גרף המקסימלי האפשרי לפולס בעל זרם ומתח קבועים
- איור 2. אימפדנס טרמי רגעי מסיליקון לבסיס ההשמה כפונקציה של משך הדופק
- איור SOAtherm .3 מפשט את תהליך בחירת ה- MOSFET על ידי אבלואציה של ה- SO
- איור 4. צורות גלים של SOA גרף המתחים הוא המעלות
- איור LTC4226 .6 , בקר Hot-Swap מגן על 12V כאשר מצב יציב הוא 18A ועד 34.4A ב- Transien
- איור 5. בקר ה LTC4226- מגן על ספקי 5V ו 12V , שני הספקים מספקים 9A במצב יציב ועד 17.2A בתופעות זרם מעבר







