לפני ארבעים שנה כשקיבלתי את שעון היד הראשון שלי, הייתי צריך למתוח אותו כדי לתדלק את הקפיץ המכאני כדי שהוא ימשיך לפעול. לפני כמה שנים, הגיעו לשוק השעונים הדיגיטליים, שהופעלו על ידי סוללת כפתור קטנה שהיה בה מספיק חשמל כדי להפעיל אותו במשך לפחות שנה. כיום, אנו טוענים את המכשיר הלביש שעל כף היד שלנו (כי אי אפשר פשוט לקרוא לזה שעון יותר) עם החיישנים הרבים שהופכים אותו למערכת חכמה. השעון הופך לממשק בין גוף האדם והטלפון החכם, המספק לכם נתונים פיזיים וסביבתיים לניטור הבריאות היומית שלכם וכדי למדוד את הפעילות הגופנית והביצועים שלכם. השעון יכול למדוד פרמטרים כגון קצב הלב, טמפרטורת הגוף, תנועה ופעילות, רמת החמצן ועוד. כל הנתונים המתועדים הללו נשלחים לענן כדי לנתח אותם וכדי לאפשר לכם להתאים את ההתנהגות שלכם היכן שצריך. הוספת חיישנים נוספים, עם זאת, מפחיתה את חיי הסוללה של המכשיר בהתאם. מכיוון שאנחנו לא רוצים להגדיל את המכשיר כדי להכניס סוללות גדולות יותר, או לטעון את המכשיר שלנו בתדירות גבוהה יותר, חברות החיישנים התחילו לפתח חיישנים חכמים יעילים יותר ומעגלים קדמיים עבור חיישנים. מכשירים אלה מפחיתים את צריכת החשמל ללא פגיעה בביצועים של הפרמטרים הנמדדים.
חברת Analog Devices מפתחת חיישנים ומעגלים קדמיים המטפלים בכל הנושאים המצוינים לעיל. במאמר זה תוכלו ללמוד עוד על המעגל המשולב הפוטומטרי ADPD103, הביצועים שלו, היכולות שלו והסיבה שהמכשיר הזה פותח עבור השוק החדש והצומח של מכשירי בריאות לבישים.
ניטור קצב הלב הולך יד ביד עם ניתוח הביצועים של המערכת הקרדיולוגית שלכם. מסיבה זו, קצב הלב הוא אחד מהפרמטרים החשובים ביותר שיש לנטר. אנחנו לא רק מתעניינים במספר הפעימות לדקה, מכיוון שניתן להשיג כמות נכבדה של מידע גם מקצב הלב ומשינויים בקצב הלב [HRV]. תלוי ברמת הפעילות, הקצב צריך להיות פרמטר פחות או יותר קבוע, עם שונות קלה. ניתן לפרש שונות קצב לב נמוכה מאוד כגירוי רגשי או לחץ. פרמטר זה משמש למשל למחקרי שינה. קצב לב המשתנה במהירות גם הוא אינו דבר טוב, מכיוון שזה יכול להיות סימן למחלה לבבית כגון פרפור פרוזדורים. ניטור קצב הלב ופעילות הלב בדרך כלל מבוצע באמצעות מדידת הפוטנציאל הביולוגי. אלקטרודות מחוברות לגוף, למשל לרצועת החזה, כדי למדוד את הפעילות החשמלית ברקמה הקרדיולוגית. מכיוון שעיקרון המדידה דורש חיבור חשמלי לכל צד של הלב, קשה לשלב זאת במכשירים לבישים. ניתן להשיג מדידה בנקודה אחת של קצב הלב, המשתלבת במכשיר לביש, באמצעות עקרון מדידה אופטי, הנקרא פוטופלטיסמוגרפיה (PPG). טכנולוגיה זו מזריקה אור לתוך שטח הרקמה שם האור נספג על ידי תאי הדם האדומים ומוקרן בחזרה אל משטח הרקמה שם הוא נמדד באמצעות חיישן פוטומטרי. בעת פעימת לב, הזרימה והנפח של הדם משתנים, מה שמוביל לפיזור של כמות האור. קצב הלב הוא פונקציה של האור המוחזר, כפי שניתן לראות באמצעות חיישן הפוטומטרי.
האיזון של העיצוב המכאני
כשמעצבים שעון דופק אופטי, ישנם היבטים שונים שצריך לקחת בחשבון בקפידה. בשיטה האופטית, אנחנו יכולים לבצע מדידה באמצעות שידור או החזרה של האור. שידור האור דרך חלק מסוים של הגוף והחזרתו לכיוון הנגדי, הוא השיטה הטובה ביותר. האצבע למשל היא מקום טוב מאוד, מכיוון ששם האור יכול להישלח מצד אחד ולהימדד מהצד השני. עוצמות הסיגנל עבור מדידת השידור טובות בכ-30 דציבלים ממה שניתן להשיג בעקרון המדידה המשתמש בטכנולוגית החזרה. עם זאת, מכיוון שמדידת השידור בדרך כלל קשה לשילוב מנקודת מבט מכאנית, מדידת ההחזרה היא השיטה הנפוצה יותר. עבור מדידת ההחזרה במכשיר לביש, פרק היד הוא המקום המתבקש למדידה, אך הוא גם המקום המאתגר ביותר. העצם שבצד העליון של פרק היד כוללת מספר מוגבל של עורקים ונימים וזרימת הדם הפועמת מקשה על השגת סיגנל טוב. באופן כללי, עבור מכשירים לבישים, צריך לקבל את הרכיבים הפועמים מהנימים ממש מתחת לפני הרקמה. במקרה זה, אור ירוק באורך גל של בין 500 ל-550nm יהיה הכי אפקטיבי, מאחר שהוא לא חודר עמוק לתוך הרקמה ונספג היטב על ידי ההמוגלובין ומאפשר סיגנל גדול עם נפח דם פועם. במדידה במקום עם זרימת דם יציבה, כגון הזרוע העליונה, הרקה או תנוך האוזן, הסיגנלים המתקבלים בדרך כלל יהיו הרבה יותר טובים. מקורות אור אדום או אינפרה-אדום מומלצים במצב זה מכיוון שהם חודרים עמוק יותר לתוך הרקמה ומספקים את הקריאה הטובה ביותר על ידי בדיקת נפח דם גבוה. לצד החשיבות של אורך גל השידור שנבחר, המיקום של מקור האור ביחס לחיישן הפוטומטרי הוא היבט חשוב. אם נמקם את הנורות קרוב מדי לחיישן הפוטומטרי, האור לא יספיק לעבור דרך הרקמה כדי לקבל את רמת הספיגה המתאימה. כמו כן אור המגיע לחיישן הפוטומטרי בלי לחדור לרקמה בכלל, עשוי לגרום לרוויה בשלב הקלט. זה יכול לקרות אם יש חלון מגן בין החיישן והרקמה. תופעה זו נקראת בדרך כלל זיהום אור פנימי (ILP), דבר שגורם לקיזוז DC ולמודולציית AC גרועה. אם נמקם את הנורות רחוק מדי מחיישן הפוטומטרי נקבל סיגנל חלש, מכיוון שדעיכת האור תגבר בהתאם למרחק. כמו כן מנקודת מבט של חשמל הדבר אינו אופטימלי, מכיוון שעוצמת הסינגל המתקבל תהיה חלשה ביחס לצריכת החשמל הנדרשת לכך.
ADPD103 כשרשרת סיגנל אלקטרונית
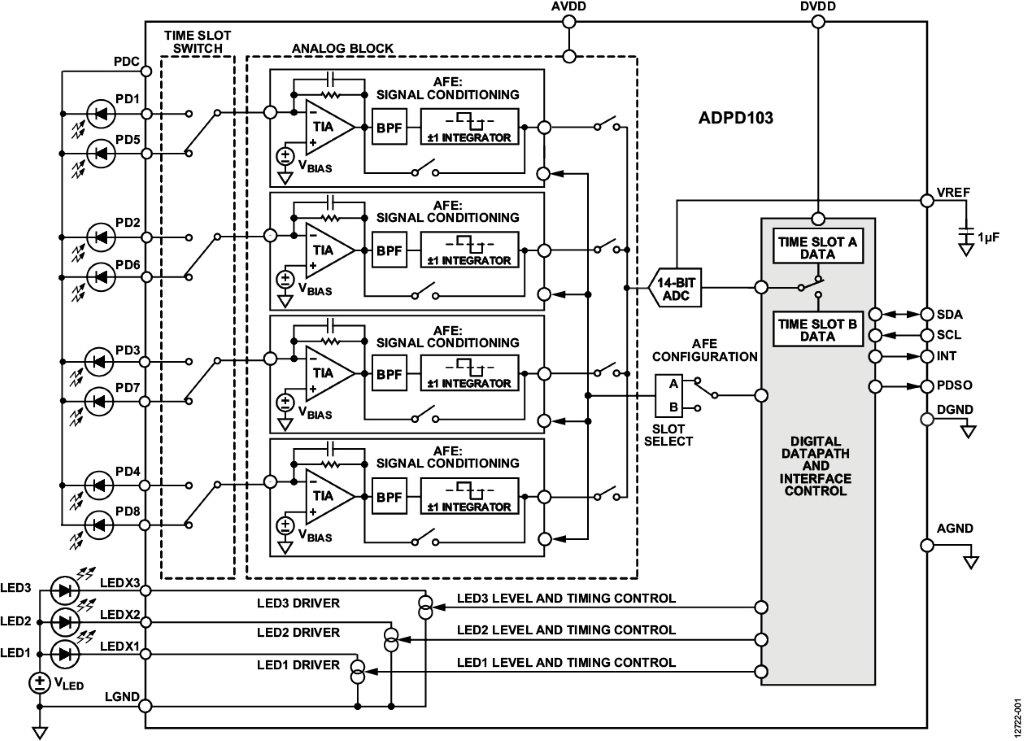
לאחר בחירת ובניית האופטיקה במערכת שלכם, השלב הבא הוא יצירת החיבור האלקטרוני לעולם הדיגיטלי. ניתן לבנות את שרשרת שידור וקבלת הסיגנל באופן דיסקרטי, אך רוב המכשירים הלבישים סובלים ממגבלות של גודל. אם הגודל אינו המכשול העיקרי, מומלץ להשקיע בסוללה גדולה כדי להאריך את חיי הסוללה, במקום להקדיש שטח יקר על הלוח לאלקטרוניקה. ADP103 מספק כל מה שצריך עבור שרשרת סיגנל אופטי בעלת ביצועים גבוהים. מדובר במעגל קדמי פוטומטרי אנלוגי יעיל במיוחד עם ממיר אנלוגי לדיגיטלי (ADC) מובנה וממשק I2C, שנועד למכשירים עם מגבלות חשמל וגודל, כגון מכשירי אלקטרוניקה לבישים. תרשים 1 מכיל תרשים בלוקים של המכשיר. כשמתארים מערכת אלקטרוניקה, בדרך כלל מתחילים עם שרשרת החיישנים והסיגנל הנכנס. לעומת זאת, במערכת אופטית לא ניתן למדוד את החזר או ספיגת האור לפני יצירת פעימת האור. לפיכך אנו מתחילים עם מסלול השידור של ה-ADPD103, אשר תומך בשלושה מוליכי LED הניתנים לתכנות ויכולים לפעול בשתי משבצות זמן עצמאיות. כל אחת ממשבצות הזמן הללו מבוצעת ברצף. ניתן לתכנת את הפעימות של מקורות הזרם והם יכולים להטביע זרמים בין 10mA ל-250mA. בנוסף לגודל, רוחב הפעימה וכמות הפעימות מתוכנתים על ידי מכונת המצבים המשולבת של ה-ADPD103. בהתאם לסוג ה-LED ואורך הגל, ישנה גמישות להתאמת נורת הוולטז' הקדמי. מכיוון שרוב המערכות הניידות מופעלות על ידי סוללת כפתור אחת, יתכן ויהיה צורך בממירי דחיפה כדי להגביר את הוולטז' מעל לאספקת המתח של הסוללה. ה-ADP2503/4 למשל מסוגל למלא דרישות אלו. בצד של המקלט, ל-ADPD103 יש ארבע שרשראות קלט זהות המסוגלות לחבר עד שמונה פוטודיודות. עבור כל שתי כניסות, מותקן מרבב, ולאחריו מגבר עכבות הממיר את הזרם הפוטומטרי למתח. לאחר היציאה של המגבר יש מסנן תדרים ובסוף יש אינטגרטור לאפנון סינכרוני. מלבד הגברה של הזרם הפוטומטרי, דחיית האור האמביינטי מפריעה למטרה העיקרית של שרשרת הסיגנל האנלוגית. לא קשה כל כך לחסום את אור השמש, אך קשה לדחות מקורות אור כגון נורות פלורסנט ונורות חסכוניות, מכיוון שהן נתפסות כסיגנל רלוונטי. ה-ADPD103 נפטר מהפרעות אלה היטב. על מנת לשמור על הגמישות, ניתן להשתמש גם במצב TIA-ADC, שבו ניתן גם לעקוף את מסנן התדרים והאינטגרטור. כדי לבחור באיזה חיישן פוטומטרי יש להשתמש ובכמה, יש לבחון כל מקרה לגופו. רוב המכשירים מצריכים מאתר פוטומטרי אחד בלבד. בתרחיש זה אנו ממליצים על חיבור החיישן לכניסה PD1 או PD5 על מנת להשיג ביצועי סינגל-רעש מירביים. להשגת טווח דינאמי מירבי, אנו ממליצים לחבר את החיישן הפוטומטרי לארבעת הכניסות הראשון או ארבעת הכניסות האחרונות כפי שניתן לראות בתרשים 2. כמו כן ניתן לחבר דיודות מרובות למערכת כדי להגביר את הרגישות או כדי להפוך אותה לפחות רגישה למיקום היחסי על הגוף. חסמים בשרשרת הסיגנל המתקבל כגון שיערות או שינויי פיגמנטים עלולים להשפיע על סך הביצועים באופן דרסטי. גישה לחיישנים פוטומטריים רבים מעניקה גמישות רבה יותר בכך שהיא מאפשרת להעביר ערוצים ולבחור בכניסה עם הסיגנל המתקבל האופטימלי. אפשרות נוספת היא להשתמש במספר חיישנים ולהשתמש בחיישן קרבה אופטי. כאשר המכשיר לא נמצא על הגוף, כל הכניסות רואות פחות או יותר את אותה רמת כניסה אופטית. כאשר לובשים את המכשיר על הגוף, עם זאת, החיישן הפוטומטרי שקרוב ביותר למקור עירור האור (LED) יראה את רמת הסיגנל הגבוהה ביותר. טכנולוגיה זו מאפשרת לכם לכבות את נורות ה-LED כאשר המכשיר לא מחובר לגוף כדי לחסוך בצריכת הסוללה. תרשים 3 מדגים את הסדר של תהליך שידור וקבלת הסיגנל בתוך ה-ADPD103. תצוגה זו מדגימה את התזמון של משבצת זמן אחת.
לאחר ייצור פעימת LED שניתן לתכנת לפי משרעת וזמן, הזרם הפוטומטרי נמדד ומסונן על ידי מגבר העכבות ומשולב במסגרת זמן מסוימת. ניתן לשלוח את הפלט המותנה של כל אחד מהאינטגרטורים לתוך ממיר אנלוגי לדיגיטלי בעל רישום רציף משוער של 14 ביט. הממיר ממיר את הסיגנל של תפוקת הדיודות לאחר כל פעימת LED לתוך הממלכה הדיגיטלית בתדר דגימה הניתן לתכנות בין 0.1Hz ל-2.6kHz לכל היותר. ניתן לחבר כל המרה נוספת לתוצאה הקודמת (עד 255 פעימות) כדי להסיג את הטווח הסופית של 20 ביטים לכל תקופת דגימה. בתרשים 4 ניתן לראות דוגמה של סיגנל PPG מדוד, הנדגם בקצב נתונים של 10Hz, באמצעות 5 פעימות לכל דגימה. ניתן לרדת לרזולוציות נוספות על ידי צבירה וחישוב הממוצע של תוצאת ה-20 ביטים להשגת רזולוציה של 27 ביטים. ניתן לשמור תוצאות אלה ברשם 32 ביטים, אך כמו כן ניתן לספק תוצאות אלה במספר של 16 ביטים בלבד. ניתן לגשת לנתונים באופן ישיר, או באמצעות FIFO מובנה. היכולות הנ"ל הופכות את ה-ADPD103 לגמיש מאוד וניתן להשתמש בו במקרים רבים.
אופטימיזציה של ה-SNR
לפי וואט כשמעצבים שעון ספורטיבי, האתגר הגדול ביותר הוא להשיג ביצועים טובים עם פיזור חשמל נמוך. ה-ADPD103 מציע מבחר פרמטרים שניתן להשתמש בהם כדי לייעל את היחס שבין הסינגל לרעש וכמות החשמל הנצרכת. במספר צעדים נוכל לכוון את המערכת למצוא את "הנקודה המתוקה" שלו. ללא זרם פוטומטרי, ההספק של ה-ADC יעמוד על האמצע. לפיכך, כדי להשיג את הטווח הדינאמי המירבי, ניתן ליישם קיזוז כדי לקבל קוד ADC השווה לאפס, כאשר לא נכנס כל אור לכניסה של החיישן הפוטומטרי. הצעד הבא הוא לכוון את נקודת ההפעלה הנורמלית ל-60% בערך, מכיוון שזה ישאיר מרווח מספק לאיתור דופק הלב. כדי למצוא את נקודת ההפעלה הזו ניתן לכוון את ההגברה של מגבר העכבות בשילוב עם הגדרת זרם השיא של ה-LED. לאחר אופטימיזציה של זרם ה-LED והגברת ה-TIA, נוכל להגביר את כמות פעימות ה-LED כדי לקבל סיגנל חזק יותר. יש לשים לב שהגברת זרם השיא של ה-LED תגביר את ה-SNR בהתאם, בזמן שהגברת כמות הפעימות לפי n, תוביל לשיפור SNR של √(n) בלבד. מציאת ההגדרה האופטימלית של מכשיר קצב הלב שלכם, תלויה גם מאוד על המשתמש. גוון העור של המשתמש ישפיע על עוצמת הסיגנל כמו גם מיקום המכשיר, הטמפרטורה וזרימת הדם. לחישוב צריכת החשמל, ניתן להתייחס למעגל הקדמי האופטי כאל שני ספקי כוח נפרדים:
IADPD הוא הזרם שנצרך על ידי שלב המגבר הנכנס, ה-ADC ומכונת המצב הדיגיטלית. נתונים אלה תלויים מאוד על קצב דגימת ה-ADC. זרם ה-LED, תלוי מאוד בגוון העור של האדם והמיקום של החיישן על הגוף. עבור גווני עור כהים יותר יהיה צורך בזרם LED גבוה יותר וכמו כן מיקום החיישן על הגוף במקום עם זרימת דם נמוכה מאוד. ניתן לחשב את ממוצע זרם ה-LED באמצעות המשוואה הבאה:
Ipeak משמע זרם ה-LED המקסימלי, כפול רוחב הפעימה וכמות הפעימות. ניתן להתייחס לזה כמשבצת זמן אחד ולחזור עליה בכל פעם שלוקחים דגימה חדשה.
למדידה טובה של קצב הלב על פרק היד, זרם השיא של ה-LED צריך להיות בסביבות 125mA, באמצעות 2 פעימות עם רוחב של 1us לכל פעימה. כשלוקחים בחשבון שתדר הדגימה הוא 100Hz, תנועת ה-LED הממוצעת תצרוך 25uA. כאשר מוסיפים זרם AFE ממוצע של 250uA, המעגל הקדמי האופטימלי יצרוך (@ 3V = 825uW). כמו כן, עלינו להוסיף את חשמל המעבד וכן את החשמל המושקע בחיישן התנועה. במיוחד עבור מכשירים לבישים, Analog Devices מספקת חיישני תנועה בעלי הספק כוח נמוך במיוחד, הצורכים מיקרו-אמפרים ספורים בלבד למדידה בעלת 3 צירים. מה שצורך הכי הרבה חשמל זה הרדיו, בזמן שצריכת החשמל הכוללת תלויה מאוד בתדירות ההעלאה על ידי המארח. אלגוריתם אדפטיבי אוטומטי יכול לעזור לשפר את הביצועים הכלליים וצריכת החשמל של המערכת שלכם. בכל פעם שנעשה שימוש במכשיר, ניתן לבצע שינויים קטנים בהגדרות כדי להשיג ביצועי SNR אופטימליים וכן דיוק HRM, עבור כמות החשמל שנצרכה.
רגישות לתנועה
לשעוני ספורט אופטיים יש קושי להתמודד עם חפצים נעים. התנועה בין החיישנים האופטיים (מקלט פוטומטרי ו-LED) והעור, ישפיעו על הקריאות של הסינגל האופטי, מכיוון שהסיגנל הנמדד יכלל באור המוחזר ביחס לשינוי האופטי המגיע מהתנועה. ניתן להשתמש בחיישני תנועה MEMs כדי למדוד את התנועה הפיזית של המכשיר ולפצות על השגיאות הנגרמות על ידי המדידה האופטית. ה-ADXL362 הוא המוצר המומלץ מבין המוצרים הלבישים המופעלים על ידי סוללה. מדובר בחיישן תנועה MEMs בעל 3 צירים (מיקרו-אלקטרו-מכאני), המודד כוחות ג'י ברזולוציה של מיליגרמים, וממיר זאת ישירות לערך דיגיטלי באמצעות ADC 12 ביטים מובנה. בהתאם לקצב הנתונים היוצא, חיישן זה פועל בעוצמה של 300nA עד 3.0uA, למדידת 3 צירים מלאה בקצב שידור נתונים של 400Hz (). כדי לקבל מערכת מדידת קצב לב ראויה, הנתונים האופטיים ונתוני התנועה הגולמיים מוכרחים לעבור עיבוד כדי לספק את תוצאות דופק הלב שאנחנו מעוניינים בהן.
מקרי שימוש אחרים של ה-ADPD103
מאמר זה מתמקד בשימוש ב-ADPD103 במערכות קצב לב אופטיות, אך ישנם שימושים רבים אחרים שה-ADPD103 יכול להוסיף להם ערך. בשוק הרפואי, חמצן בדם (SPO2) הוא אחד מהשימושים הנפוצים ביותר למדידת דם לא פולשנית, כאשר PPG הוא אחד הגורמים המאפשרים את המדידה. שווקים אחרים בהם נעשה שימוש ב-ADPD103 כוללים את תחום ציוד המעבדה, חיישני הגז ומערכות הניטור התעשיתיות. לכל שימוש אחר המצריך שליטה במקור אור ומדידה של זרם פוטומטרי, ה-ADPD103 יכול להיות הלב של המערכת שלכם, עם, או ללא, פעימה.
למידע נוסף בקרו באתר החברה.
הכותב ז'אן-היין ברודר הינו מנהל פיתוח עסקי הבריאות באירופה
- איור 1. תרשים בלוקים של ה-ADPD103
- איור 2. תרשים מעגלים להשגת הטווח הדינאמי הגבוה ביותר
- תרשים 3. תרשים תפעולי של ה-ADPD103 ב-N פעימות, במשבצת זמן
- תרשים 4. סיגנל PPG דגום עם ארבע פעימות LED לכל נקודת נתונים








