ניתן להגדיר את השינויים המתרחשים בתחומי הרפואה והכושר, ובהתקנים האלקטרוניים הקשורים לתחומים אלה, כממש מהפכניים. דרישות השוק כיום ממכשירים לתחום הבריאות הן מרובות, מגוונות ומאתגרות. מכשירים שבעבר נמצאו בעיקר בבתי חולים, משמשים כיום בשימוש רפואי-ביתי, וכן לניטור הכושר.
למשל, היכולת למדוד את הדופק ואת אחוז החמצן בדם מופיעה כיום לעתים קרובות יותר במוצרי צריכה. מדידות אלה מתבצעות על ידי מדי דופק וריווי חמצן (pulse oximeters) שזמינים כיום כמכשירים רפואיים ביתיים וגם מהווים חלק ממדי פעילות כושר הנלבשים על מפרק כף היד.
מאמר זה סוקר את העקרונות הבסיסיים של מדי הדופק וריווי חמצן ביישומים רפואיים ובתחום הכושר. המאמר כולל גם דוגמא לתכנון של מד דופק וריווי חמצן המציגה את מדידות קצב הלב ורמות החמצן בדם.
מהי מדידת ריווי החמצן (אוקסימטריה)?
אוקסימטריה היא מדידת ריווי החמצן בדם, ומבוטאת בדרך כלל באחוזים. מד דופק וריווי חמצן הוא מכשיר בלתי פולשני המודד את ריווי החמצן בדם של נבדק וכן את קצב הלב שלו. מאפיין מזהה בולט של מדי דופק וריווי חמצן הוא החיישן בצורת קליפ, שמולבש בדרך כלל על אצבע הנבדק.
מד דופק וריווי חמצן יכול להיות מכשיר עצמאי, או חלק ממערכת ניטור מטופלים, או להיות משולב בתוך התקן ניטור כושר לביש. לפיכך, מדי דופק ורווי חמצן יכולים לשמש אחים ואחיות בבתי חולים, מטופלים בביתם, חובבי אימונים בחדרי כושר ואפילו טייסים במטוסים חסרי וויסות לחץ.
מהו ריווי החמצן בדם?
ריווי החמצן בדם נמדד על ידי בדיקת ההמוגלובין, שהוא הפיגמנט האדום נושא החמצן של כדוריות הדם האדומות והוא זה שמעניק להן את הצבע האדום שלהן ומשמש להעברת החמצן אל הרקמות. ההמוגלובין מופיע בשתי צורות. הראשונה נקראת המוגלובין מחומצן, ומסומנת כ-HbO2 (כלומר, מלא בחמצן). השנייה נקראת המוגלובין מופחת-חמצן, או המוגלובין דיאוקסי, ומסומנת כ-Hb (כלומר, חסר חמצן).
לכן, ריווי החמצן בדם (SpO2) הוא היחס בין ההמוגלובין המחומצן להמוגלובין חסר החמצן. ניתן לבטא קשר זה גם באופן הבא:
ערך ריווי החמצן בדם מבוטא באחוזים. הערכים התקינים הם 97% ומעלה.
- איור 1. שתי שיטות למדידת רווי החמצן בדם
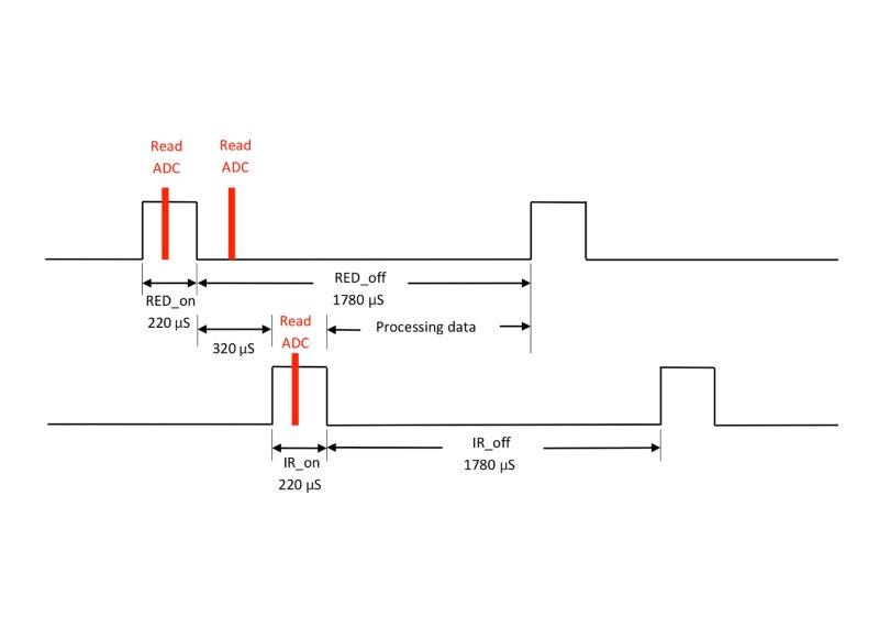
- איור 2. אותות דופק אדומים ואינפרא-אדומים בזמן אמת, שנקלטים על ידי האוסצילוסקופ
- איור 3. עקומת כיול לדוגמא
כיצד מודד מד הדופק ורווי החמצן את ריווי החמצן בדם ?(SpO2)
אחד הדברים המעניינים ביותר לגבי המוגלובין הוא האופן בו הוא מחזיר ובולע אור. למשל, Hb קולט יותר (ומחזיר פחות) אור אדום בטווח הנראה. HbO2 בולע יותר (ומחזיר פחות) אור אינפרא-אדום. מאחר וניתן לקבוע את ריווי החמצן בדם על ידי השוואה בין הערכים של Hb ו-HbO2, שיטה אחת לעשות זאת היא להאיר אור LED אדום ואור LED אינפרא-אדום על חלק גוף מסוים (כמו למשל, אצבע, או מפרק היד), ולהשוות את העוצמות היחסיות של האור. קיימות שתי דרכים נפוצות לעשות זאת: (1) מדידת האור שעובר דרך הרקמה, דרך זו נקראת אוקסימטריית מעבר או אוקסימטריה טרנסמיסיבית (transmissive oximetry), ו-(2), מדידת האור שמוחזר מהרקמה, שנקראת אוקסימטריה רפלקטיבית (reflectance oximetry) (ראה איור 1).
דוגמא אחת למד דופק ורווי חמצן בשיטת העברת האור היא המכשיר בו משתמשים בבתי חולים. בדרך כלל, מערכות ניטור החולים ברוב בתי החולים כוללות מערכות טרנסמיסיביות משולבות למדידת דופק וריווי חמצן. מצד שני, רבים מהתקני הכושר החדשים יותר, המשוכללים והניתנים ללבישה, מבוססים על עקרון מדידת רווי החמצן על ידי החזרת האור.
כיצד מודד מד הדופק ורווי החמצן את הדופק?
כאשר לבך פועם, הוא שואב דם דרך גופך. במהלך כל פעימת לב, הדם נלחץ לתוך נימים, שהנפח שלהם גדל מעט. בין פעימות הלב, נפח זה פוחת. השינוי בנפח משפיע על כמות האור, כמו למשל כמות האור האדום והאינפרא-אדום, שמועבר דרך הרקמה. למרות שהשינוי קטן מאד, ניתן למדוד אותו על ידי מד דופק ורווי דם באמצעות אותו מבנה המשמש למדידת רווי החמצן בדם.
- איור 4. תרשים בלוקים של מערכת טרנסמיסיבית למדידת דופק וריווי חמצן
- איור 5. תרשים התזמון
- איור 6. קלט ונתונים מסוננים גרף 1, המצויר באדום, הוא אות הכניסה למסנן ה- FIR גרף 2, המצויר בירוק, הוא אות היציאה ממסנן ה- FIR ציר ה- X מראה את מספר דגימות ה- ADC ציר ה- Y מראה את ערכי הקוד של ADC
פירוט תאוריית הפעולה
מדי דופק ורווי דם אופייניים מנטרים את ריווי החמצן (SpO2) בדם של נבדק, על פי מאפייני בליעת האור האדום (באורך גל של 600 – 750 ננומטר) והאור האינפרא-אדום (באורך גל של 850 – 1000 ננומטר) של המוגלובין מחומצן (HbO2) והמוגלובין מופחת חמצן (Hb). סוג זה של מד דופק ורווי חמצן מקרין קרני אור אדום ואינפרא-אדום לחלופין דרך חלק גוף, כמו למשל אצבע, אל חיישן מפוטודיודה.
הפוטודיודה משמשת בדרך כלל לקליטת האור שלא נבלע מכל נורת LED. לאחר מכן מבצעים היפוך של אות זה באמצעות מגבר שרת הופך מופע (inverting operational amplifier) או op Amp. האות המתקבל מייצג את האור שנבלע על ידי האצבע, כפי שמתואר באיור 2.
אמפליטודת הפולס (Vpp) של האות האדום והאות האינפרא-אדום נמדדים ומומרים ל-Vrm, כדי לתת ערך יחסי, על פי המשוואה הבאה:
ניתן לקבוע את ה-SpO2 באמצעות הערך היחסי ובעזרת טבלת ייחוס המורכבת מנוסחאות אמפיריות. ניתן לחשב את שיעור הפולס על פי מספר הדגימה וקצב הדיגום של הממיר האנלוגי לדיגיטאלי (ADC) של מד הדופק ורווי החמצן.
טבלת הייחוס מהווה חלק חשוב ממד הדופק ורווי החמצן. טבלאות הייחוס מותאמות למבנה ספציפי של מד החמצן והן מתבססות בדרך כלל על עקומות כיול הנגזרות, בין השאר, ממספר גדול של מדידות מנבדקים בעלי רמות SpO2 שונות. באיור 3 מובאת דוגמא לעקומת כיול.
תיאור מבנה המעגל
בדוגמא הבאה מפורטים החלקים השונים של מבנה מערכת טרנסמיסיבית למדידת דופק וריווי חמצן. מבנה זה, כפי שמוצג באיור 4, מראה כיצד מתבצעת מדידה של קצב הדופק וגם של רמות הרווי של החמצן בדם.
חיישן
חיישן ה-SpO2 המשמש בדוגמא זו הוא קליפ לאצבע שניתן למצוא בחנויות, בו משולבות נורת LED אדומה אחת, נורת LED אינפרא-אדומה אחת, ופוטודיודה אחת. נורות ה-LED מווסתות על ידי מעגל ניהול ה-LED.
האור האדום והאור האינפרא-אדום שעוברים דרך האצבע נקלטים על ידי מעגל הכנת האות ולאחר מכן מוזנים לתוך מודול ADC של 12 ביטים המשולבת בבקר האותות הדיגיטאליים (DSC), שם מחושב אחוז ה-SpO2 .
מעגל ניהול נורות ה-LED
מתג אנלוגי בעל קוטב יחיד כפול, וזריקה כפולה, המנוהל על ידי שני אותות PWM מה-DSC, מדליק ומכבה לסירוגין את נורות ה-LED האדומות והאינפרא-אדומות. על מנת לקבל את המספר הנכון של דגימות ADC ועדיין להספיק לעבד את הנתונים לפני שנדלקת נורת ה-LED הבאה, מכבים את נורות ה-LED על פי תרשים התזמון המובא באיור 5.
הזרם/עצמה של נורת ה-LED מבוקרים על ידי ממיר דיגיטל – לאנלוג בעל 12 ביטים (DAC), המנוהל על ידי ה-DSC.
מעגל הכנת האות האנלוגי
במעגל הכנת האות קיימים שני שלבים. השלב הראשון הוא מגבר טרנס-אימפדנס (transimpedance amplifier), והשלב השני הוא מגבר שבח (gain amplifier). בין שני השלבים מותקן מסנן לאותות גבוהים.
המגבר הטרנס-אימפדנס ממיר את הזרם בן מיקרו-האמפרים הבודדים שנוצרים על ידי הפוטודיודה, למתח של מספר מיליוולט. האות שמתקבל מהשלב הראשון של המגבר עובר דרך מסנן לאותות גבוהים, המיועד להפחית את ההפרעה של אור הרקע.
האות היוצא מהמסנן לאותות גבוהים נשלח למגבר שלב שני עם הגברה של 22 ומתח אופסט DC של 220 מיליוולט. הערכים עבור ההגברה של המגבר והאופסט של ה-DC מוגדרים כדי להתאים את רמת האות היוצא ממגבר השבח לטווח ה-ADC של ה-MCU.
מבנה המסנן הדיגיטאלי
היציאה של המעגל האנלוגי להכנת האות מחוברת למודול ה-ADC בעל 12 הביטים המשולב ב-DSC. בדוגמא זו השתמשנו ב-DCS מסוג ®dsPIC מ-Microchip Technology. ה-dsPIC33FJ128GP802 בו משתמשים במבנה זה מאפשר לנו לנצל לא רק את יכולות ה-DSP המשולב, אלא גם את כלי תכנון המסננים הדיגיטאליים של Microchip.
דגימת ADC אחת נלקחת במהלך כל מחזור הפעלה של כל נורת LED, ודגימת ADC אחת נלקחת במהלך זמני הכיבוי של שתי נורות ה-LED. נוכח האתגרים הכרוכים בדיגום מדידות מבוססות-אור דרך רקמה חיה, בנינו מסנן bandpass digital-FIR מסדר 513 בעזרת כלי תכנון המסננים, שאפשר לנו לסנן את נתוני ה-ADC. נתונים מסוננים אלה משמשים בשלב הבא לחישוב אמפליטודת הפולס, כפי שמוצג באיור 6.
להלן המפרט של מסנן ה-bandpass FIR שלנו:
תדירות דגימה 500(Hz): Passband Ripple (-dB): 0.1
תדירות Passband (Hz): 1 & 5 Stopband Ripple (-dB): 50
תדירות Stopband (Hz): 0.05 & 25 אורך המסנן: 513
חלון ה-FIR: Kaiser
לסיכום
שווקי המכשירים הרפואיים לבית ומכשירי הכושר מתפתחים במהירות. הביקוש למכשירים שיכולים למדוד דופק ורמות חמצן בדם רק ילך ויגבר במהלך השנים הבאות. המודלים הקלסיים של מדי דופק ורווי חמצן, כמו המודל המתואר במאמר זה, יכולים לסייע רבות למתכנני מכשירים רפואיים ומכשירי כושר ולהעניק להם אלמנטים התחלתיים כדי לקדם את המודלים שהם מתכננים לשלבי הייצור וליציאה לשוק.
הערה: dsPIC הוא סמל מסחרי רשום של Microchip Technology Incorporated בארה"ב ובארצות נוספות. כל הסמלים המסחריים האחרים המוזכרים במאמר זה שייכים לחברות המתאימות.
מקורות
Pulse-Oximeter Design
• Principles of Pulse Oximetry Technology (2002). Oximetry.org. Retrieved April 23, 2014: http://www.oximetry.org/pulseox/principles.htm
• Microchip Technology Inc., Online Medical Design Center: http://www.microchip.com/pagehandler/en-us/products/medical/pulseoximeter.html/
• Or go to and find Pulse Oximeter under the left Applications navigation bar: http://www.microchip.com/medical
• Webster, J. G. (1997). Design of Pulse Oximeters. Bristol and Philadelphia: Institute of Physics Publishing.
Pulse-Oximeter Simulation
• Fluke Biomedical. (2007). Index 2XL SpO2 Simulator User Manual.










