לרוב המהנדסים כבר יש ספק כוח למתח ישר (DC PS) וכן רב-מודד ספרתי (DMM) על שולחנם. לכן, שאלה הגיונית הינה מדוע מכשיר שהוא יחידת מקור-מודד (SMU), המשלב את שני המכשירים הנ”ל, מוסיף ערך ומשפר את יעילות העבודה? כפי שמתברר, עבור יישומים רבים, שילוב של ספק כוח, מד-מתח ספרתי, מקור זרם ועומס אלקטרוני יוצר מכשיר מדידה שהוא גמיש ורב-גוני יותר מאשר המכשירים הבודדים, כל אחד בפני עצמו.
במאמר זה, נבדוק ראשית את תכונותיו ויכולותיו העיקריות של SMU ולאחר מכן נסקור כמה תרחישים, כדי להדגיש את השימוש של SMU ביישומים שבהם נדרש הן לספק והן למדוד זרם ו/או מתח.
מקום טוב להתחיל בו, כאשר דנים ב-SMU, הוא להצביע על מספר הבדלים בין SMU וקודמיו, ספק כוח ורב-מודד ספרתי. במובן הכללי, SMU יכול להיות מקור מתח (עם יכולות של הגבלת זרם) או מקור זרם (עם יכולות של הגבלת מתח). ניתן לתכנת הן את תפקודו כמקור מתח, והן את תפקודו כמקור זרם עם הבחנה של 16 סיביות – ואת שני הערכים ניתן למדוד בדיוקים של רב-מודד ספרתי בעל הבחנה גבוהה.
השוואה מדוקדקת עם ספק כוח או רב-מודד ספרתי – מכשירים מוכרים ושימושיים, עשויה לעזור להבהיר את ההבדלים.
מהירות – ספקי כוח רבים מתוכננים עם יכולת להגבלת זרם, במובן של זרם קבוע או משתנה לאט. אך ל-SMU יכולת מובנית של רוחב פס גבוה בהרבה. מהירות פעולת ספק הכוח ויכולת ההגבלה, תלויות בעומס, אך לעיתים יכול ה-SMU לספק מתח ולהגביל זרם, לערכים הנדרשים, תוך פרק זמן של 50 מילי שניות. זאת ועוד, הגבלת הזרם היא מהירה מספיק בכדי להגן על רכיבים ומעגלים שלמים ממצבים של צריכת יתר של זרם – ביצוע שאינו מתאפשר עם ספק כוח לא מתוחכם.
- איור 1. ספק כוח (מימין) מציע רק פעולה בשני רביעיים; מכשיר SMU (משמאל) יכול לספק ולצרוך הספק בכל ארבעת הרביעיים
- איור 2. הממחיש את מפל המתח הנכון על פני המיישרים ביישור גל גשר מלא, כאשר ספק הכוח בעומס מלא ובלא עומס
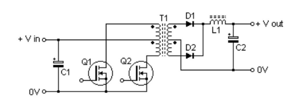
- איור 3. מופשט של ספק כוח סחף-דחף
- איור 4. מכשיר מושלם לביצוע מדידות אלה, הוא SMU כגון דגם 2461, עם תחומי מדידת זרמים נמוכים מאוד וחיבורים טריאקסיאלים בעלי רגישות רעש נמוכה במיוחד
- איור 5. מערך הבדיקה עם המקבע, ה-SMU וההתקן הנבדק
SMU מאפשר גם אספקת מתח או זרם בדפקים של זמן קצר וע”י כך להגביל את צריכת ההספק של ההתקן הנבדק.
טווח שינוי – לאחדים מספקי הכוח כמה תחומים, אך לרובם רק אחד. בהתאם לדגם, טווח השינוי הגדול של ה-SMU מאפשר מדידת זרמים מערכים נמוכים, של כמה מאות של פמטו אמפרים ועד ל-50 אמפר. תחום הזרם הנמוך שימושי לאפיון רכיבים, למציאת רכיבים הפגומים במקצת, ולניפוי שגיאות ביישומים עם צריכת הספק נמוכה מאוד.
הבחנה גבוהה – כמו רב-מודד ספרתי, ה-SMU מציע הבחנה גבוהה של עד 22 סיביות עבור מדידת מתח וזרם.
יכולת תכנות – יתרון נוסף של ה-SMU הוא אפשרות תכנות של דופק מתח או זרם, או יצירת כל רצף ייחודי של מתח או זרם. בתוך מכשירי SMU בעלי ביצועים גבוהים מובנית שפת תכנות חזקה כל כך, עד כי ניתן להגדירו כמחולל צורת גל אקראי שיכול לספק הן מתח והן זרם.
עכבת מבוא – בניגוד לרבי-מודדים ספרתיים, ה-SMU שומר על עכבת מבוא גבוהה לכל תחום המתח של המכשיר. לעומת זאת, רבי-מודד ספרתיים ומשקפי תנודות משתמשים במחלקי מתח התאגדותיים, למדידת מתחים גבוהים.
פעולה בארבע רביעיים – כמתואר באיור 1. ה-SMU יכול לספק זרמים חיוביים ושליליים, הן במתחים חיוביים והן בשליליים, כך שמגבר המוצא מכסה את ארבעת הרביעיים של המקור ויכול לשמש גם כעומס אלקטרוני. ספק כוח טיפוסי יכול לספק רק מתח ו/או זרם, כלומר פעולה בשני רביעיים. במהלך פעולה כמקור או צרכן, ה-SMU יכול בעת ובעונה אחת למדוד מתח, זרם והתנגדות. גמישות תפעולית זאת יכולה להיות בעלת ערך במיוחד כאשר מאפיינים סוללות, תאים סולריים או מכשירים אחרים להפקת אנרגיה.
כעת לבטח נתחיל לדמיין כיצד ניתן ואפשר להשתמש במכשיר SMU בעבודה השוטפת. אבל, במקרה ועדיין יש לנו חוסר ודאות, הבה נסתכל על תרחישים מסוימים בהם SMU אחד או שניים יכולים להיות שימושיים.
אימות ביצועי ספק כוח בטרם בנייה
בתרחיש זה, אנו עובדים על תכנון ספק כוח חדש. בדומה לפרויקטים רבים בתקופתנו המודרנית, התכנון יעשה בכפוף לתאריך יעד הדוק ולחוץ, עם מפרט משתנה ממש עד הרגע האחרון. זה ספק כוח מבוקר, עשיר בתכונות ותוכנה, עם מצבי הפעלה שונים לשימוש ביישומים מגוונים. חלק מתכונות ספק הכוח כולל אספקת מתח מתוכנתת, תגובה מהירה, יעילות ועוד. ספק הכוח יתוכנן עם מערכת לתיקון גורם ספק (PFC), מערכת אל-פסק ואחריה כמה ממירי סחף-דחף ועוד הרבה מוצאים משניים. לספק יש עוד כמה תכונות מבוקרות תוכנה, הרבה משימות עדיין לא הסתיימו. אחת הבעיות המרכזיות היא ששגיאות תוכנה עלולות לגרום נזק חומרתי ללוח.
לפני שליחת הלוחות לייצור, לוקחים אחד אל שולחן הבדיקה. משתמשים ב-SMU, מפעילים את המתח הנקוב על כל אחד ממסלולי המתח וכמו כן גם אל מעגלי המתח של האספקה הראשית (רשת). כאשר הספק יפעל, הוא יצטרך בכל מקרה לפעול במתחים הנקובים, אז מדוע לא לנסות אותם ראשית עם הגבלת זרם בטוחה של 10μA?
מתח הרשת (ומרווחי הביטחון) נראה בסדר, וכך גם כל אספקות המתח הנמוך, אבל מוצא המתח הגבוה של 700V הפעילה מיד את הגבלת הזרם של 10 מיקרו אמפר. משהו היה שגוי לחלוטין. ה-SMU דיווח על הגבלת מתח של 350V, סימן ברור של מיפסק מתח ולא קצר. ואכן, המיפסק אירע ב-350V.
לאחר חקירה מסוימת, מגלים כי בעיה זו יכולה להיפתר בקלות על ידי כרסום חריץ במיקום שבין מסלול המתח הגבוה (מסלולי המתח הגבוה על הלוח המודפס) ומסלול הארקה קצר בלוח המודפס.
מתברר כי כללי ריווח מתח עבור רשת זאת לעולם לא נאכפו על ידי כלי התכנון בעזרת מחשב (CAD). המהנדס שמר על מרווח בתכנון המסלולים, אך כנראה שכח אחד. מציאה מוקדמת של הטעות הזאת איפשרה את הסטת המסלול לפני ההרכבה של הרכיבים על הלוח. תיקון בעיית המיפסק לאחר שכל הרכיבים היו מותקנים על הלוח, היה קשה הרבה יותר.
צרות תוכנה
נמשיך עם תרחיש אחר של ספק כוח; כרגע ראינו סימן ברור כי יש לנו בעיה רצינית: לוח מדגם מורכב במלואו נשרף לאחר שנמצא תקין בבדיקות ראשוניות של הרכיבים. הנחנו את הלוח השרוף הצידה, לקחנו אחד נוסף וכוונו את ה-SMU שלנו לאספקת מתח רשת, על ידי הפעלת תוכנית, המבצעת פקודה אחר פקודה לבדיקת מתח רשת ,AC שכתבנו בעבר. התוכנית הציבה את המוצא לגל סינוסואידה של 50Hz עם הגבלת זרם, נכונה עבור זרם הרוגע של ספק כוח לא מועמס.
הלוח החדש פועל בצורה תקינה עם כל מתחי האספקה במסגרת המפרטים. אם לוח זה עובד כמו הראשון, יש לנו רק כמה שעות כדי למצוא את סיבת התקלה, לפני שהבעיה צצה שוב, הפעם עם הגבלת הזרם הבטוח מופעלת. באמצעות משקף תנודות, בדקנו את המתח על פני כל מיישר ולכדנו מחזור מיתוג שלם של ספק הכוח.
כפי שניתן לראות באיור 2, שינוי המתח הזה על פני דיודת המיישר משקף את זרם העומס כפי שהוגדר על ידי עקומת I-V של המגבר הלוגריתמי הנמצא בתוך ה-SMU. אם צורת גל זאת (קו עליון ללא עומס, קו תחתון עומס מלא) אינה נראית כתעתיק פשוט או אם התעתיק הוא לא נכון, ייתכן שיש בעיה במעגלים המשניים שלאחר המיישר.
כל מתח, על כל מיישר, בכל מוצא נראה נכון. לו זרם המיישר היה גבוה מדי, מכל סיבה שהיא, המתח על המיישר (למעשה מגבר לוגריתמי), היה מראה את עליית הזרם הזאת לאורך זמן. ידענו מה המתחים אמורים להיות, באמצעות שימוש ב-SMU נוסף, כדי למדוד את מאפייני I-V של כל דיודה, על ידי תכנות של סחף מתח ומדידת הזרם.
לא לקח זמן רב לבעיה לצוף על פני שטח: בתוך כ-30 דקות בהן ה-SMU מפעיל את הלוח השני, הזרם הגיע לגבול ההקבלה שקבענו. הפעם, לעומת זאת, שום דבר לא נכשל והלוח לא נשרף.
כל מה שהיה עלינו לעשות, זה פשוט לכבות את מוצא ה-SMU, לתכנת את המכשיר לאפס וולט ולהפעיל מחדש את תסריט מתח רשת AC.
בכדי לבודד את הבעיה, השתמשנו במשקף תנודות למדידת הזרמים העיקריים של כל ספק סחף-דחף כמו זה שמוצג באיור 3. כיוון שאף אחד לא חשב לשים נגד כאן, היינו צריכים למדוד את הזרם הראשוני על ידי מדידת מפל המתח הקטן על פני פס הולכה באורך אינץ’ אחד. בעוד שבדיקה זאת מבוצעת בדרך כלל עם משקף תנודות בעל מבוא צף, הצלחנו להשתמש ברב-מודד ספרתי בעל הבחנה גבוהה.
מדידה זו הייתה מאירת עיניים! בתוך מספר דקות, הבחנו כי עוצמת הזרם הלכה וגדלה! כיוון שמן הבדיקות הקודמות ידענו כי הזרמים המשניים היו בסדר, נותרה כאפשרית אחת משתי הבעיות הבאות: או שהשנאי תוכנן או יוצר באופן שגוי, או שהמיקרו בקר המגדיר את משכי הזמן ON של הסחף-דחף של טרנזיסטור ה-MOSFET עבור כל חצי מחזור, עשה זאת בצורה לא זהה, מצב המכונה שטף בלתי מאוזן.
לאחר בילוש לא קצר, גילינו שהבעיה בקוד הבקר. ככל הנראה, פקודת ביצוע רק בחצי פעולת סחף-דחף, ותמיד על אותו המתג, שינה את זמן ה-ON בצורה מספיקה כדי לגרום לבעיית חוסר איזון שטף בשנאי. השנאי שלנו היה רגיש במיוחד לנושא הזה, כיוון שהוא תוכנן עם השראות מגנטית קטנה מאוד. בפרויקט זה, ה-SMU שיחק תפקיד מפתח בתיקון בעיה רצינית.
בדיקות צריכת ההספק
במעבר לתסריט אחר, המשימה שלנו כאן היא לאמת ולתקן שעון חדשני, ללא סוללה, המוזן ממקורות אנרגיה טבעיים, עבור יישומים צבאיים. הוא בעל יכולות אלחוטיות למעקב אחר מתנייעות החייל, שמירה על קשר עם פיקוד מרכזי וסנכרן השעה והתאריך עם שעונים אחרים בפיקוד. לעיתים, הוא מעביר מידע חיוני לחיילים על ידי LCD סביל, לעיתים על ידי אורות מהבהבים ולעיתים תוך התחשמלות קלה, שאיש מלבד החייל הנמען לא יוכל לשמוע, לראות, או לזהות. השעון יונק את מקור האנרגיה שלו מחום הגוף, אור, ותנועה – יש לו עשרות אופני פעולה, כל אחד בצריכת זרם רוגע שונה.
אילוץ מכריע, הוא שמירת צריכת הזרם מתחת לסף ה”קסם” של 1nA, הזרם הנמוך ביותר המסופק ע”י שילוב טכניקות אספקת האנרגיה, המובטח לפעולה תקינה של השעון. אם הזרם הנצרך ע”י השעון עולה הי פעם על 1nA (למשך פרק זמן כלשהו), השעון חייב להפחית את העמסת מקור האנרגיה לתקופה מסוימת, על מנת “לפצות” על העמסה הנוספת.
בתחילה, בדקנו כל אחת מיחידות הציוד היקפי עם SMU, תוך שימוש במקבע בדיקה מוגן בעל זליגה נמוכה.
זה איפשר לנו להקליט לא רק את צריכת הזרם, אלא גם את קצב שינוי הזרם, כאשר הפעלנו או השבתנו מעגלים מסוימים. לשינויים קלים יש לעיתים השפעה הניתנת למדידה. למשל, שינוי מהיר מדי בצריכת הזרם, אילץ את מחוללי האנרגיה לפעול ביעילות נמוכה יותר. השתמשנו ב-SMU להדמיה את מאפייני I – V של תאים סולריים, כדי לבדוק את ממירי ההספק של השעון, הפועלים ביעילות גבוהה במיוחד. בדיקה זאת דרשה מקור מהיר דיו, המסוגל לפעול הן במתח גבוה, הן בזרמים נמוכים.
אז עברנו אל מקבע הבדיקה. בכדי להבטיח מדידות טובות ואמינות של צריכת הזרם של ההתקן הנבדק, השתמשנו במקבע הבדיקה והכבלים טריאקסיאלים לחיבור גוף השעון ורצועת היד. מיקמנו את המקבע וההתקן הנבדק בתוך כלוב פאראדיי, בכדי להבטיח כי הזרם הנמדד יהיה מן השעון עצמו, ולא כל זרמי הפרעה חיצונים הנובעים מצימודים פרזיטים, כשמוצג באיור 5.
המקבע גם איפשר למהנדסים ולמשתמשים אחרים להתממשק אל השעון באמצעות המחשבים שלהם, ולא באמצעות לחצני השעון. ממשק זה פותח כדי לזרז את הבדיקות, אשר כעת ניתנים להתבצע בכל מקום.
כדי לזרז את הליך בדיקה, כתבנו כמה קודים להרצה על ה-SMU, המאפשרים לנטר ברציפות את זרם העומס של השעון, בזמן שהוא מופעל על ידי SMU. הקוד עקב אחר כל אירוע בו צריכת הזרם עברה את סף ה-1nA וכן אחר הזרם הממוצע.
מערך בדיקה זה שוכפל עבור כל מהנדסי התכנון והבדיקות. הבדיקות עלולות להיכשל לא רק בשל כשל באחד מביצועי השעון, אלא גם בשל צריכת זרם עודפת. בכל פעם שזה קרה, היינו חייבים לחזור ולבדוק את המצב של החומרה המסוימת שגרמה לכשל – ולמצוא פתרון לתיקונה.
בהינתן מורכבות התכנון, תוצאות הבדיקות היו בלתי צפויות במקצת. על הצוות היה לתקן הן את מקרי צריכת הזרם החריגה והן ההשלכות של ביצועים תקולים. ברם, באמצעות השימוש ב-SMU בשיטה שתוארה מעלה, נחסך מהצוות זמן רב באיתור התקלות, בהשוואה לשימוש בספקי כוח ועומסים אלקטרוניים כפי שבוצע בעבר, שלא היו בעלי יכולות לאספקת זרמים נמוכים ההכרחיים ליישום זה והן חסרו אמצעים תוכנתיים.
שימוש ב-SMU
למרות שדוגמאות אלה הם אוסף ממגוון של פרויקטים בתחום התכנון, דרישות הבדיקה והמדידה הן אמיתיות לגמרי. באותה דרך בה פירטנו כיצד SMU יכול לעזור לחסוך זמן בפתרון בעיות, תוך צמצום הצורך בתיקונים ועיבודים חוזרים, ייתכן שתוכלו ליישם חלק מאותם העקרונות במקום העבודה שלכם.
בוודאי כי כל פרויקט שונה ממשנהו וכל פרויקט נתקל במכשולים שונים. יש לרשותך רק ידע ומיומנויות בילוש משלך ואת כלי הבדיקה והמדידה, כדי לעשות את העבודה. זכור כי התועלת של כלי מדידה קשורה ישירות להבנתך של מה הכלי יכול לעשות וכיצד להשתמש באוסף העשיר של פונקציות בצורה מרבית.
הכתבה נערכה והוגשה ע”י חברות Keithley Instruments ודן-אל טכנולוגיות, בע”מ, נציגת החברה בישראל
Peter Bachmayr הוא מנהל פיתוח עסקי EMEA בחברת Tektronix.
למד הנדסת חשמל באוניברסיטת Technische Universität München , גרמניה. לאחר מכן הוא עבד במשך שנים רבות כמהנדס יישומים
ב-Instruments Keithley, שם היה מעורב בפיתוח של פתרונות T & M, פריסתם ותמיכת יישום. מתחילת 2006 ועד אמצע 2012 עמד בראש מחלקת היישומים של Keithley, תחילה באזור Dach ובהמשך בכל EMEA.
לאחר שילוב של מגוון המוצרים של Keithley לתוך Tektronix, Peter Bachmayr מונה לתפקיד מנהל פיתוח שוק של EMEA Tektronix באמצע 2012. בתפקיד זה, הוא מטפל בקו המוצרים של Keithley שתומך בבדיקת חומרים, רכיבים ומערכות בדיקה, עבור יישומים ממדידות של רמות נמוכה ועד תחומים של הספקים גבוהים.Peter Bachmayr, Keithley/Tektronix






