תחנות-בסיס אלחוטיות היו פעם נתונות בחללים גדולים, מבוקרי-אקלים, אך עתה ניתן להתקינן בכל מקום. בשעה שספקי שירותי רשת אלחוטיים שואפים להשיג כיסוי בכל מקום, הלחץ מופעל על ספקי רכיבי תחנות-בסיס לספק תפקודיות-יתר במארזים קטנים יותר.
זוג מעגלים משולבים (integrated circuits -ICs) מ-Analog Devices מספק פיתרון על-ידי הגדרה מחדש של המושג “ערבל” בקצה הסופי של מקלטים. בעצם, ה-ICs כוללים הרבה מהרכיבים שנוספו בעבר לערבל של מקלט – כגון מתנדים מקומיים (local oscillators – LOs) ומגברים לתדר ביניים (intermediate frequency – IF) בתוך המעגל המשולב של הערבל עצמו. הם אפשרו להקטין בצורה דרמטית תחנת-בסיס סלולארית תוך הספקת גמישות של רדיו מוגדר על-ידי תוכנה (software-defined-radio SDR) לשם טיפול במספר תקני אלחוט שונים.
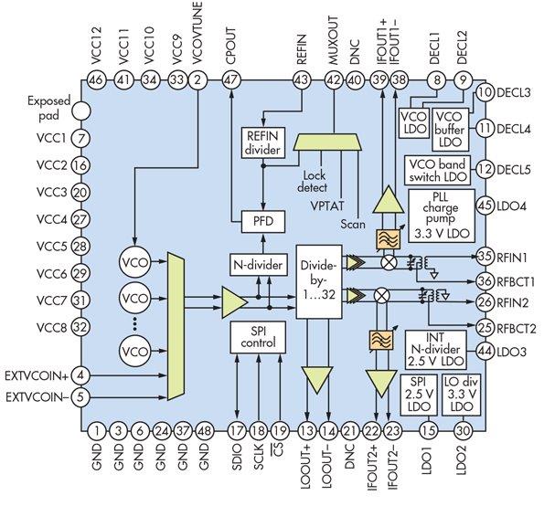
המעגלים המשולבים הנוגעים הם הדגמים ADRF6612 ו-ADRF6614, שניהם מתוכננים עבור תחומי RF מ-700 עד 3,000 מגה-הרץ, תחומי LO מ-200 עד 2,700 מגה-הרץ וטווחי IF מ-40 עד 500 מגה-הרץ. הם פועלים עם הזרקת LO בצד הנמוך או הגבוה וכוללים עניבה נעולת-מופע (phase-locked loop PLL) על הכרטיס ומתנדים מבוקרי-מתח רבים בעלי רעש נמוך, כולם ארוזים בתוך מארז LFCSP בגודל 7×7 ממ’, בעל 48 מוליכים. רמת שילוב וצפיפות רכיבים זו מוגברת על-ידי השוני ויכולת התכנות לתמוך במספר תקני אלחוט שונים בנפחים הקטינים הדרושים על-ידי המיקרו-תאים (microcells) החדשניים.
- איור 1. דיאגרמה מלבנית המציגה תחנת-בסיס סלולרית משנת 2010 בערך
- איור 2. סכימת השימוש החוזר של הערוץ דורש את השימוש ב-VCOs רחבי-פס בעלי רעש מופע נמוך במערכות GSM אלחוטיות כדי למנוע הפחתת הביצועים בשל החסימה
- איור 3א.
- איור 3א + 3ב. רוחבי-פס של אוקטבה אפשריים עם תצורת מעגל ה-VCO הזו
- איור 4. שרשרת האותות LO זו משמשת כתמיכה של מקלט תחנת-בסיס אלחוטית
כדי להעריך את החסכונות במקום המוצעים על-ידי ערבלי ה-ICs המשולבים ביותר, רצוי לזכור את הקצה הסופי של מקלט של תחנת בסיס סלולרית משנת 2010 בערך (איור 1). ארכיטקטורת הערבל הכפול כיסתה רוחב-פס של כ-1 גיגה-הרץ, ודרשה רכיבים מרובים כדי לטפל בתחום התדר הסלולרי מאז של 800 עד 1,900 מגה-הרץ. סינתוז התדר סופק על-ידי PLL נפרד ומודול VCO צר-פס אשר דרשו מסנן לולאה PLL יחיד לשם ביצועים מיוטבים. מודולי VCO מוקדשים שימשו עבור כל תחום בעל עניין, והוסיפו לתחום כרטיס המעגל הדרוש בתוך תחנת-הבסיס.
בנוסף, רכיבים דיסקרטיים אלה חוברו בעזרת קווי תמסורת בעלי עכבה נמוכה, דבר אשר תרם להפסד אות כלשהו. כתוצאה, זרם נדיב נדרש כדי להזין את מוצא ה-VCO לרמה מספיק גבוהה עבור הערבל לשם רעש מופע וספרת רעש נמוכים בתנאי חסימת האות.
ICs של המקלט עם VCOs משולבים אינם חדשים. אולם כדי להשיג את רוחבי-הפס הרחבים ורמות רעש המופע הנמוכות הדרושים על-ידי רשתות האלחוט Global System for Mobile Communications היוו אתגר. סכימת השימוש החוזר של ערוצי ה-GSM דורשת של-LOs של המקלט יהיה רעש מופע נמוך ביותר, במיוחד בתדר היסט של ערוץ חליפי של 800 קילו-הרץ (איור 2). אם רעש מופע גדול מידי בערוצים חליפיים אלה מתערבב עם אותות בלתי רצויים באותו ההיסט של 800 קילו-הרץ, הוא עשוי לגרום לרעש מופע מתורגם למוצא ה-IF, ולהפחית בכך את רגישות המערכת.
רעש מופע נמוך של VCO מושג אופיינית בעזרת מעגל-מהוד (tank) איכותי (high-Q) ותכנון צר-פס. חלוקת התדר יכולה גם להקטין את הרעש. על-ידי הפעלה של VCO במכפיל שלם של תדר ה-LO של מקלט, מושגת הפחתה של 6-dB/octave ברעש המופע על-ידי החלוקה הבאה אחר כך (איור 3). דרישות רעש המופע עבור GSM בתחום ה-1,800-1,900 מגה-הרץ הן קשות ביותר – בערך פי שניים יותר חמורות מאלה בתחום ה-800 עד 900 מגה-הרץ.
- איור 5. עליון
- איור 5. (תחתון|) העקום משווה את ספקטרום רעש המוצא של IC של המקלט ADRF6614 עם אותות חוסמים ברמה גבוהה (עליון ותחתון, בהתאמה)
- איור 6. (תחתון) שרשרת האותות מגלה את הרכיבים המשמשים במקלט תחנת-בסיס אלחוטית אופיינית
- איור 6 עליון
- איור 7. (תחתון) העקומים מראים שבח מדוד, ספרת הרעש ונקודת העיכוב במבוא מסדר שלישי (third-order-intercept point (IIP3) עבור ה-IC של מקלט ADRF6612
- איור 7 עליון
בנוסף לרעש מופע נמוך, תכנוני מקלטי תחנות-בסיס מודרניות צריכים לתמוך בסכימות האפנון הרבות המשמשות לרוב ברשתות תקשורת אלחוטיות. בנוסף ל-GSM, סכימות אפנון אחרות כוללות מערכות wideband code-division-multiple-access ו-Long Term Evolution . תכנוני מקלטים כוללים לעתים קרובות מספר VCOs שונים בעלי רמות ביצועים של רעש מופע מתונות המעוצבות כך שהן משולבות לכסות רוחב-פס של אוקטבה בתוך תחנת-הבסיס.
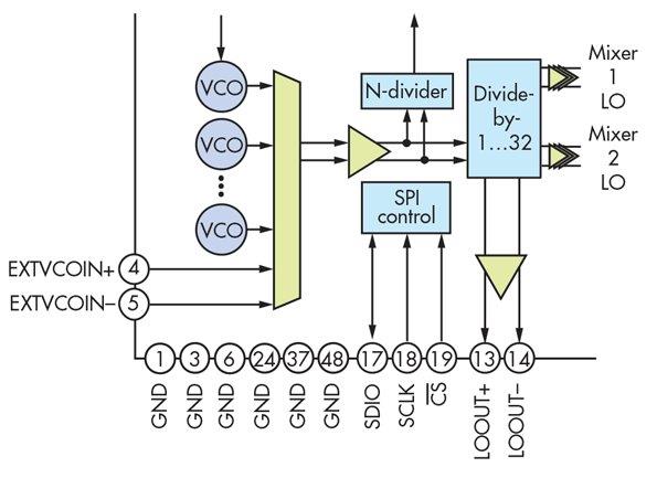
לאחר שמספר VCOs עוצבו כדי להפיק רוחב-פס של אוקטבה עבור התדרים הגבוהים ביותר של פעולה, ניתנים להשגה תדרי LO נמוכים יותר על-ידי חלוקה בינרית. גישה זו שימשה בערבל המקלט ADRF6612, היכן שתדרי יסוד של VCO נעים בין 2.7 עד 5.6 גיגה-הרץ ושני שלבי חלוקת תדר משיגים תדרי LO מ-200 עד 2700 מגה-הרץ על-ידי חלוקה מ-1 עד 32. עבור יישומים הכוללים גם MC-GSM, הערבל מקלט ADRF6614 כולל שתי ליבות VCO איכותיות נוספות כדי לספק את תדרי ה-LO הדרושים עבור תחומי ה-GSM מ-1,800 עד 1,900 מגה-הרץ.
מאחר שמיקרו-תאים אלחוטיים מודרניים עשויים לא להיות בעלי היתרונות של סביבות מבוקרות-אקלים, רכיבים דוגמת ICs מקלט אלה צריכים לספק ביצועים עקביים, אמינים בין גבולות טמפרטורה רחבים. כדי להשיג ביצועים מוגדרים בתחום טמפרטורות פעולה רחבים, ה-PLLs וה- VCOs ב-ICs של ADRF6612 ו-ADRF6614 משתמשים במספר טכניקות של כיול.
עבור רוחבי-תחום רחבים בעלי רעש נמוך, כל ליבת VCO משתמשת בממיר דיגיטלי לאנלוגי קיבולי 8-b (capacitive digital-to-analog converter – CDAC) הבוחר אוטומטית את התחום הנכון (1 מתוך 128) עבור תדר LO נתון.
כל השינויים באמפליטודת מעגל ה-VCO מנוטרים בקפידה על-ידי המערכת, והאמפליטודה מכוילת בעזרת מערכת בקרת-רמה-אוטומטית (automatic-level-control ALC) עבור אמפליטודת מוצא מיוטבת. כל IC מבצע רצף כיול כל פעם שתדר ההפעלה מתוכנת מחדש. דבר זה מבטיח שהתחום הנבחר מרכז את מתח הכוונון עבור דיודת וראקטור של ה-VCO בתחום המיטבי כדי לשמור את המסנתז בנעילה במשך תחום הטמפרטורה של הפעלה הדרוש.
ארבע ליבות ה-VCO בכל אחד מה-ICs של ADRF6612 ו-ADRF6614 מעוצבות כדי להבטיח שתחומי הפעולה שלהן מספקים חפיפה מתאימה עבור תנאי סביבה משתנים והאפיצויות של ייצור ההתקנים. הליבות יניעו את התדר בד”כ באותו הכיוון עבור שינויים בסביבה ובתהליך, כך שתהיה מספיק חפיפה מובנית עבור המסנתז תדרים כדי להשיג תמיד תנאי נעילה.
לאחר שפיתרון הכיול נקבע, יש לשמור על התדר ללא הגבלת זמן; תחום מתחי הכוונון תומך בתחום ה-hold-in הדרוש. במערכות time-division-duplex , בהן תחנת -הבסיס עשויה לשנות תדרים על-בסיס של time-slot-to-time-slot, זמן פעולה זה ניתן למדידה במיקרו-שניות. במערכות frequency-division-duplex עשוי להיות צורך לשמור על הנעילה בתדר יחיד במשך שנים.
אין זמן השבתה מורשה בכל נקודה במהלך פעולת המערכת של ה-ICs של ADRF6612 ו-ADRF6614. לכן, שינויים בטמפרטורה והשפעות היישון של הרכיבים מכוסים על-ידי תחום מתחי הכוונון של הווראקטור ורגישות כוונון התדר (KV) של ה-VCO עבור תחום טמפרטורה פוטנציאלי של 1450C. כל IC מנטר בקביעות את טמפרטורת ההתקן ומכוון את משוב ה-VCO כנדרש.
ה-ICs של ADRF6612 ו-ADRF6614 משתמשים בגישה יחידה לשם מזעור הפחתת הרגישות של המקלט בשל מוצרי אותות כוזבים. שימוש באופן המספרים השלמים של המסנתז עם מסנן בעל לולאה סמוכה גורם למוצרים כוזבים בייחוס נמוך של פחות מ-100dBc. אותות כוזבים מזעריים הם קריטיים עבור סכימות אפנון דוגמת MC-GSM. עבור LTE וסכימות אפנון אחרות, או כאשר דרושים צעדי תדר עדינים, ניתן להפעיל את המסנתז באופן חלוקה של fractional-N. נתיב הייחוס כולל מחלק של 13b, והנתיבים השלם והשבר מכיל כל אחד מחלקים ב-16b למען הגמישות.
עבור יישומים בהם דרושים ערוצי קליטה ממוקמים יחדיו, עוקב-מופע, כגון במערכות מרובות-מבוא, מרובות מוצא (multiple-input, multiple-output – MIMO), ניתן לחבר בטור ICs של ADRF6612 ו-ADRF6614 בצורת daisy-chain כדי לאפשר שיחידה אחת תפעל כמסנתז ראשי לספק מקלטי שעבוד נוספים דרך פתחי המוצא והמבוא LO החיצוניים, בהתאמה. בדרך זו, מגברי חלוקה LO נוספים והקשורים ניתן למזער את רעש המופע.
כדי לתמוך הן בזריקת LO בצד הגבוה והן בנמוך, כל שרשרת LO של כל IC מספקת עיבוד אותות גמיש (איור 4). זריקת הצד הנמוך אפשרית תוך שימוש ביחסי חלוקה שלמים אף עבור תחום ה-700 מגה-הרץ בעל IF גבוה. דרגות ה-LO גם מספקות הזנה של גל מרובע אל ליבות הערבל הפאסיבי לאורך כל תחום ה-LO מ-200 עד 2,700 מגה-הרץ.1
מקלטים אלחוטיים מודרניים של תחנות-בסיס צריכים לפעול בסביבות אותות אופיינית עוינות. לדוגמה, כל אותות בתוך-התחום הקרובים בתדר לאותות בעלי מבוא ברמה נמוכה למקלט הסלולרי יכולים לתפקד בתור אותות חוסמים. במקרה כזה, רעש מופע ממגבר ה-LO בקרבת האות החוסם מעורב בתוך תחום מוצא ה-IF ישירות מעל האות הרצוי. דבר זה מגדיל את רצפת הרעש ומקטין את יחס האות לרעד (signal-to-noise ratio SNR) של המקלט – לעתים בצורה דרמטית.
מאחר שהאות החוסם עשוי להיות גדול (הספק גבוה), חשוב שגם רעש המופע של ה-VCO יהיה נמוך ביותר, ושרשרת ה-LO לא תדרדר את רצפת הרעש בהיסט החוסם. ברמות מאוד גבוהות אלה של חסימה, ספרת הרעש של המקלט תהפוך לנשלטת על-ידי אות החסימה ותידרדר בהתאם לרמת ההספק של החוסם.
במימושים דיסקרטיים של שרשרת הקליטה, אפשר יהיה להכניס סינון כלשהו בתוך נתיב ה-LO כדי למזער את רעש המופע בהיסט החוסם המגיע ממגברי החלוקה של ה-VCO וה-LO. אולם, בקצה סופי משולב, יש לדאוג למנוע רעש מופע מתווסף בשרשרת ה-LO.
ה-ICs של ה-ADRF6612 ו-ADRF6614 משתמשים בשרשרת LO בעלת שבח גבוה ומגברים בעלי גבול קשה כדי להזין את שרשרת ה-LO לתוך מצב הגבלה. כאשר כל דרגה נכנסת להגבלה קשה, שבח האות-הקטן של שרשרת ה-LO אשר אחרת היה מגדיל את רעש המופע מוקטן משמעותית, תוך מזעור ההידרדרות של ספרת הרעש בתנאי חסימה.
עיוות הרעש מאות החסימה מפחית את ספקטרום רעש המוצא של המקלט, ולכן את ספרת הרעש של המקלט, על-ידי הגבהת רצפת הרעש של המוצא. ה-ICs של המקלט ADRF6612 ו-ADRF6614 מתוכננים לעמוד באותות חסימה משמעותיים עם הפחתה מזערית של ספרת הרעש של המקלט (איור 5). אפילו עם רמת חסימה במבוא של +10dBm, ספרת הרעש של המקלט מופחתת רק ב-3.2dB בהיסט של -10 מגה-הרץ מהגל הנושא, אף אם שבח ההמרה מוקטן ב-1dB ברמת חסימה קיצונית זו.
רמת השילוב הגבוהה ב-ICs האלה של המקלט אפשרה שיפורי ביצועים וחסכונות משמעותיים בהספק ה-dc עבור מתכנני תחנות-בסיס אלחוטיות מודרניות (איור 6). ה-ICs כוללים טכניקה המייטבת בו-זמנית את דרגות ה-RF וה-IF המסובבות את הערבל על- השבב.2
טכניקה זו, הממומשת לראשונה על-ידי ה-ADRF6612, מספקת את ה-IIP3 המזערי של מעל +25dBm בתחום הטמפרטורה והתדר המלא עם פיזור הספק נמוך, ו-29dBm+ עד 2 גיגה-הרץ בטמפרטורה. הטכניקה גם מספקת ביצועי ספרת-רעש הנתיב מיוטבת עם שבח המרה גבוה (איור 7).3.4
הבעת תודה
עם רמת השילוב המוגדלת ההכרחית בשרשראות מקלט שלמות נובע צוות פיתוח הרבה יותר גדול. בעוד אין אפשרות לציין את כל האנשים אשר תרמו לעבודה זו, המחברים שמחים להודות למאמצים של מומחי התעשייה הבאים: Kurt Fletcher ו-Dominic Mai.
סימוכין
1. M. Goldfarb, R. Martin, and E. Balboni, “Novel Topology Supports Wideband Passive Mixers,” Microwaves & RF, October 2011, pp. 90.
2. “Apparatus and Method for a Wideband RF Mixer,” US Patent 8,571,511 (A Technique for Optimizing the Performance of a Wideband Passive RF Mixer through the Employment of a Unique Multi-frequency Tuning Topology).
3. ADRF6612 datasheet, Analog Devices Inc. © 2014-2016.
4. ADRF6614 datasheet, Analog Devices Inc. © 2016.












