חדשות היום
  • החברות NoTraffic ו-Exodigo נבחרו לרשימת המשפיעות ביותר בעולם של TIME
  • אקסון ויז'ן חושפת את ClearSky: מערכת לגילוי רחפני FPV עבור כוחות מתמרנים
  • האצת ייצור תחת חירום: משרד הביטחון דוחף לעצמאות חימושית בישראל
  • חברת Aidoc גייסה 150 מיליון דולר בהובלת גולדמן זאקס
  • OpenLight מגייסת 50 מיליון דולר להאצת פיתוח שבבים פוטוניים לדור הבא של תשתיות AI ותקשורת
  • אינוויז נכנסת לשוק הביטחוני עם פתרונות LiDAR לטווחים ארוכים
  • טאואר סמיקונדקטור ו-Axiro מודיעות על שבבי תקשורת מתקדמים למערכות רדאר ייעודיות ליישומי הביטחון בארה״ב
  • חברת נמל אשדוד הודיעה על השקעה אסטרטגית של 650,000 דולר בסטארט אפ Conbo -כשמצלמות CCTV הופכות לעיניים החכמות של הנמל
  • חברת TytoCare קיבלה מה-FDA אישור De Novo ראשון מסוגו לניתוח מבוסס AI של צילומי עור התוף
  • קיידנס וגוגל משתפות פעולה להאצת תכנון שבבים מבוסס AI על גבי הענן
New-Tech OnLine
  • בית
  • מגזינים
    • New-Tech Magazine
    • Military Magazine
    • Microwave Magazine
  • מוצרים חדשים
    • רכיבים אלקטרונים
    • תקשורת
    • מחשבים
    • אלקטרו-אופטיקה ומצלמות
    • בקרת הינע
    • פתרונות הספק
    • ציוד בדיקה
  • ערוץ NEW-TECH TV
  • אודותינו
  • צור קשר
  • כנסים ותערוכות
  • מנוע חיפוש לענף האלקטרוניקה

מהדורה דיגיטלית
  • cover-red_7.25
  • cover-red_6.25
  • cover-red_5.25
בקשת מנוי למגזין

מנוי מותנה במילוי הטופס, באישור החברה לאחר אימות פרטים ובהתאם לכמויות המופצות*

3

פורסם ע"י New-Tech Magazine on פברואר 2, 2012
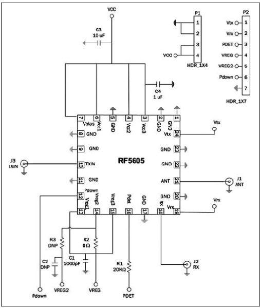
506 × 600דרישות ממגברי הספק ומודולי חזית (Front and Module) עבור יישומי IEEE 802.11n
← קודם הבא →

תגובות סגורות

  • facebook
  • twitter
  • mail
  • instagram
  • youtube
  • linkedin

NEW-TECH EXHIBITION VIDEO

מחוץ לקופסה

יותר מסתם סיבוב: עשרה ימים שהחזירו את האנושות למסלול הירח

אפריל 30, 2026 סגור לתגובות על יותר מסתם סיבוב: עשרה ימים שהחזירו את האנושות למסלול הירח

תחרות היינות והכהלים הבינלאומית TERRAVINO – 2026 איש הענבים

מרץ 30, 2026 סגור לתגובות על תחרות היינות והכהלים הבינלאומית TERRAVINO – 2026 איש הענבים

בין ביולוגיה למחשוב: תאי מוח מתחילים ללמוד

מרץ 29, 2026 סגור לתגובות על בין ביולוגיה למחשוב: תאי מוח מתחילים ללמוד

ממראות ארכימדס להגנת אנרגיה מכוונת מודרנית

מרץ 29, 2026 סגור לתגובות על ממראות ארכימדס להגנת אנרגיה מכוונת מודרנית

הסירה שמרחפת מעל המים: Candela מגייסת 30 מיליון אירו להרחבת ייצור מעבורות חשמליות

מרץ 22, 2026 סגור לתגובות על הסירה שמרחפת מעל המים: Candela מגייסת 30 מיליון אירו להרחבת ייצור מעבורות חשמליות
  • Home
  • תקנון שימוש באתר
  • Media Kit

New-Tech Magazine | כל הזכויות שמורות ל- New-Tech Magazines Group Ltd. | טלפון: 09-7882288 | פקס: 09-7428299

  • facebook
  • twitter
  • mail
  • instagram
  • youtube
  • linkedin