מאת: David Guo, RFMD. מאמר זה סוקר את ביצועי מגברי הספק (PA-Power Amplifiers) עבור מפרטי ה-Wi-Fi החדשים ביותר, ומתאר מוצרים המוצעים על-ידי חברת המחבר עבור יישום זה.
דרישות הלקוחות לרוחב-פס מוגדל דורשות שנקודות הגישה WiFi והציוד Customer Promise Equipment יתמכו בטכנולוגיית IEEE 802.11n עם שיא של קצבי נתונים של עד 600 Mbps. לפי דו”חות סקרי השוק, כמעט לכל מוצרי ה-WiFi החדשים יש טכנולוגיה 11n משולבת, והתחזית עבור הספקות של ציוד 11n ב-2012 היא מיליארד יחידות. כדי לשפר את תעבורת הנתונים הניידים, 11n יהיה אחת התכונות הסטנדרטיות בטלפונים ניידים במגמה לספק את שירותי תפוקת הנתונים הגבוהה, כגון וידאו זורם ומשחקים. במאמר זה, אנחנו בוחנים את 802.11g כנגד 802.11n, תוך התמקדות בדרישות של מגברי הספק או מודול החזית (front end module – FEM) בתכנוני 11n.
IEEE 802.11n כנגד 802.11g/a
ב-11n, מבוא מרובה-מוצא מרובה (multiple input multiple output – MIMO) הוא תוספת לשכבה הפיזית (physical layer – PHY).
MIMO הוא השימוש ביותר ממשדר אחד ויותר ממקלט אחד באותו התקן אלחוטי כדי להגדיל את תפוקת הנתונים. תקן ה-IEEE 802.11n יכול לתמוך בקצבי נתונים הרבה יותר מהירים, עד 600Mbps, בהשוואה ל-802.11a/g בעל קצב נתונים מרבי של 54Mbps. ה-PHY 11n תומך במגוון רחב של קצבי נתונים שונים, המכונים קצבי סכימת הקידוד (modulation coding scheme – MCS), כמתואר בטבלה 1.
דרישות לבחירת PA לפי 802.11n
1. הספק קרינת RF
המפרט העיקרי של נקודת הגישה WiFi מוצג בטבלה 2 (ראה בעמוד הבא).
במרבית התכנונים, רמות ההספק הדרושות על-ידי האנטנה הן אותן הרמות עבור 11n כמו שהיו עבור פלטפורמות 11g קודמות. המכלול העיקרי של מוצרי MIMO בתכנונים שוטפים כולל 2×2 1×1 ו-3×3 פתרונות מרובות-מכלולים כדי לספק את קצבי הנתונים הגבוה ביותר האפשרי.
2. ליניאריות מגבר ההספק
כמרכיב קריטי של נקודות הגישה, ביצועי ה-PA שולטים על ביצועי ה-AP בכיסוי, חיי סוללה ויכולת של קצב נתונים. PA עבור 11n נדרש לספק הספק ליניארי גבוה יותר מאשר ה-11g מאחר שה-PAR
(Peak-Average Ratio) של אפנון ה-11n הוא גבוה ב-0.5 עד 1dB מאשר ב-11g (ב-64QAM, 54Mbps) בשל קצב הקידוד הגבוה יותר
3. הזנת DC
לנוחות וגיוון התכנון, מפרטי PA או FEM דורשים פעולה במתחי הזנה DC שונים, כגון 5.0 ו-3.3 וולט (מתחי הזנת DC תקניים בתעשייה). היתרון האחר של PA הפועל בתחום מתחי הזנה רחב הוא הגמישות שיש למתכננים בשעה שהם משתמשים באותו פריט עבור תכנוני רמות הספק מוצא שונות.
4. פונקציית כיבוי המעגל והיענות מעבר
11n הוא מערכת (TDD (ׁTime Division Duplex. כאשר AP פועל במוד קליטה, כדי להקטין את צריכת הספק ה-DC הכולל, ניתן לכבות את ה-PA. ל-PA או FEM תחרותיים צריכה להיות פונקציית כיבוי ויכולות זרם ריקם נמוכות.
במערכת 11n, המיתוג גע/תוק המהיר של ה-PA או ה-FEM חיוני כדי שהמערכת תפעל במחזורי פעולה לעומת פעולה רציפה (continuous wave – CW). על בסיס סכימת האפנון של 11n, מרווח המגן (Guard Interval-GI) בין הפרצים מוגדר כ-800 ו-400 ננו-שניות וידרוש זמן מיתוג של ה-PA או ה-FEM קצר מ-400 ננו-שניות.
5. EVM במצב פריצה (Burst Mode)
ליניאריות היא מפרט המפתח במגבר הספק או FEM 11n. כיום, במערכת נקודת גישה, נעשה שימוש רב בפתרונות מערכת על שבב (SOC) עם פס בסיס מוכלל, מודם וחוצצי מגבר. רוב המתכננים מתקשים לקבל EVM מספיק מפתרון SOC מוכלל בלבד, ונחוצה להם ליניאריות משופרת ממגבר ההספק כדי לעמוד במפרט ה- EVM של המערכת. בדרך כלל, הדרישה ממגבר ההספק היא שיהיה לו EVM טיפוסי של פחות מ-3% בהספק הנקוב.
ליניאריות היא תכונת המפתח של PA או FEM 11n. כיום, במערכת AP, פתרונות System-on-Chip בעלי פס בסיס משולב, מאפנן/מפענח וחוצצים (buffers) של המגבר משמשים בצורה נרחבת. רוב המתכננים מתאמצים להשיג EVM מתאים מתוך פיתרון משולב SOC בלבד, הדורש ליניאריות משופרת מה-PA כדי למלא אחר מפרטי ה-EVM של המערכת. לרוב, ל-PA דרוש פחות מ-3% EVM בהספק הנקוב.
במוד ה-MIMO, המשדר יכול לפעול במחזור פעולה הנע מ-90% עד 30%. העקביות של ה-EVM של PA בתנאים כאלה היא הכרחית כדי לענות לדרישת ה-EVM של המערכת עבור ביצועי קצב נתונים מהיר ביותר. ביצועי ה-EVM הדינמיים [5] הוא נתון-מפתח תכנוני עבור PA או FEM בהם ה-EVM נמדד במחזור פעולה של 50%. ככל שה-EVM הוא יותר גבוה בפעולה של ה-PA או ה-FEM בעלת מחזור פעולה נמוך, כך יופחתו ביצועי המערכת.
6. פליטת הרמוניות
פליטת הרמוניות היא פרמטר תכנוני נוסף שיש להביא בחשבון עבור דרישות ה-PA או ה-FEM.לגבי השוק הסיני, פליטת ההרמוניות מוגדרת [כ-30dBm/MHz [6 כמקסימום. לגבי השוק הצפון-אמריקאני, FCC אימצה – 41.3dBm/MHz כהספק פליטה מרבי מותר. למדינות אחרות יש דרישות שונות.
7. קלות המימוש
מערכת ה-11n פועלת בשני התחומים 2.4 ו-5.8 גיגה-הרץ. המתכננים מעדיפים לבחור PAs או FEMs בעלי מרכיבים חיצוניים פחותים, כאשר היתרונות בכך הם תאום RF מפושט, ביצועים משופרים עבור ייצור המוני וזמן לשיווק מהיר.
FEM משלבת רכיבי RF רגישים לתאום במארז, דבר המשפר את תפוקת הייצור של מוצרים המיועדים ללקוחות.
עבור מוצרי MIMO 3Tx3Rx ו-4Tx4Rx, מודול חזית הוא הכרחי עבור תכנונים הדורשים ממדי מעגל מודפס מוגבלים.
ביצועי FEM של RFMD RF5605
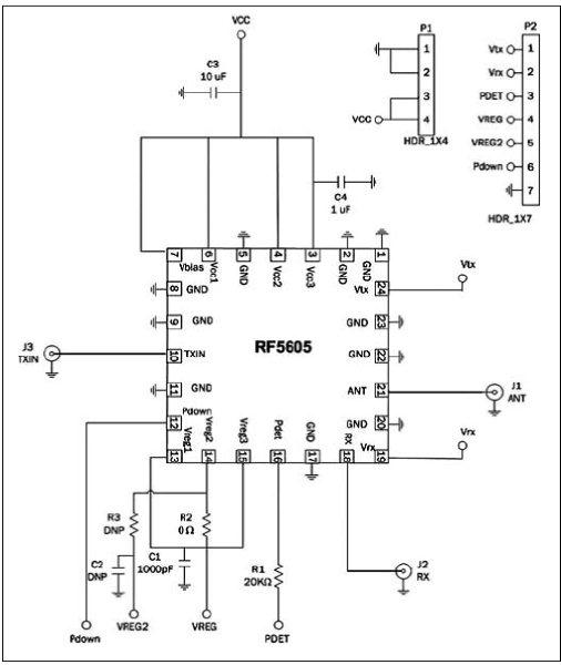
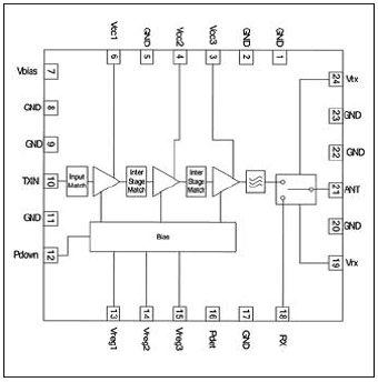
ה-RF5605 (איור 1) הוא מודול FEM MIMO 1×1 המיועד בפירוש למלא אחר יישומי ה-CPE של IEEE 802.11b/g/n WiFi של 2.4 עד 2.5 גיגה-הרץ. כמתואר באיור 1, למודול ha PA משולב ליניארי תלת-שלבי, סינון הרמוניות TX ומתג SPDT. ה-RF5605 תואם במלואן במבוא ובמוצא מערכות של 50 אוהם, וכולל רשתות תאום הממוטבים עבור הספק מוצא ליניארי ויעילות. מודול זה דורש מתח הזנה DC (לרוב 5.0 וולט) ו-2.85 וולט כדי ליצור Icq (זרם ריקם) לשם ביצועי ליניאריות ממוטבים. כמו כן קיים פין power down המיועד לנתק את ה-PA כאשר פועלים במוד RX. הזנה במתח PD של 2.2 עד 3 וולט מפעילה את ה-PA; ומתח של PD<0.2 V מנתקת את ה-PA.
בהזנה DC של 5.0 וולט, השבח הטיפוסי של ה- RF5605 הוא 34dB והוא מסוגל להספק ליניארי של -27 dBm 11n HT20 עבור EVM<3% בפתחה ANT של ה-FEM. עם מסנן ההרמוניות המובנה, ההרמוניות בפתחה ANT יהיו .<-35dBm
ה-RF5605 משלב גלאי הספק במוצא ה-PA הניתן לשימוש עבור ניטור הספק ה-RF של המערכת (עבור פעולה בחוג פתוח).
ה-RF5605 נתון במארז לבוד 6×6. רק שלושה קבלי הפרדה DC חיצוניים דרושים עבור הפעולה, והם מקטינים משמעותית את שטח המעגל המודפס של ה-PA תוך פישוט המימוש על-ידי הלקוח. עם הבדיקה RF של 100% של RFMD, ה-FEM משפר את תשואת הייצור בסוף התהליך.
ביצועי RF5605 11g כנגד 11n
בשל ההבדל באפנון, ל- 11n בפעולת זרימה יחידה יש יחס קידוד גבוה יותר מאשר 11g ב- 54Mpbs כאשר שניהם פועלים עם אפנון 64 QAM. בתיאוריה, ה-PAR המוערך של 11nMCS7 ב-HT20 (רוחב פס של 20 מגה-הרץ) הוא בכ- 0.5dB גבוה יותר מזה של ה-11g ב- 54Mbps; וה-11n ב-MCS7 HT40 (רוחב-פס של 40 מגה-הרץ) יש PAR מעט גבוה מזה של ה-HT20. במילים אחרות, כדי להגיע לאותה הרמה של EVM עבור 11n, דרוש של-PA יהיה תחום הספק ליניארי גבוה יותר מה-11g. בגרף ה-EVM, הוא יראה POUT פחות ליניארי באותו קו EVM מאשר אותו ה-PA.
איור 4 הוא גרף של RF5605 הנבדק באפנונים שונים בתנאי משוב זהים ובאותו ציוד בדיקה. הגרף מראה את ההפרש (delta) של כ- 0.5dB בין 11g ו-11n HT20 ב-;EVM=3% וכ- 0.25dB בין 11n HT20 ו-HT40.
RF5605 טיפוסי נבדק במעגל בדיקה ב-VCC=5.0V, Vreg=2.85V ו-V_PD=2.85V ובטמפרטורת החדר. גרפי ה-EVM במחזורי פעולה של 100% ו-50% הוצגו בנפרד. עבור EVM=3%, ה-RF5605 יכול לספק הספק ליניארי גדול מ-27dBm בפיתחה ANT של ה-FEM. במחזור פעולה נמוך יותר, לדוגמה 50%, ה-EVM לא השתנה משמעותית בהשוואה לזה של מחזור עבודה של 100%.
השבח של ה-RF5605 הוא 34 dB. בהספק ליניארי במוצא של 27 dBm, זרם העבודה אל ה-PA הוא 860 עד 930 מילי-אמפר בכל תחום התדרים.
ההרמוניה השנייה הייתה יותר טובה מ-35dBm-, אשר נבדקה עם אפנון 11g 64QAM 54Mbps. מתח ה-Pdet בתחום הספק המוצא מ-0 עד 28dBm הוא 0.14 עד 1.5 וולט.
סיכום
RFMD תכננה PAs או FEMs רבים אשר עונים לדרישות שוק ה-11n עבור רמות הספק שונים. טבלה 3 מציגה את ה-PAs וה-FEMs אשר שוחררו ואת מפרטי רמת ההספק וה-EVM. לקבלת מידע נוסף אודות פתרונות ה-11nPA ו-FEM של RFMD, נא לפנות לאתר של RFMD: http://www.RFMD.com.
מקורות:
1. IEEE 802.11n Standard: IEEE 802.11n-2009.
2. RF5605DS datasheet, available at www.RFMD.com
3. RF5652DS datasheet, available at www.RFMD.com
4. RF5602DS datasheet, available at www.RFMD.com
5. Sang-Woong Yoon, “Static and Dynamic Error Vector Magnitude Behavior of 2.4-GHz Power Amplifier,” IEEE MTT-55, April 2007, pp. 643-647.
6. GB15629.11-2003: The Chinese National Standard for Wireless LANs.
David Guo הוא מהנדס יישומים בחברת RFMD.
המאמר נמסר באדיבות חברת STG שהיא נציגתה הבלעדית של חברת RFMD בישראל















