Claire Croke, Liam Riordan and Albert O’Grady – ADI
בשעה ששוק התעשייה והמכשור הופך ליותר תחרותי, מתכנני מעגלים ניצבים ללא הרף בפני אתגרים חדשים לתכנון מוצרים מהיר יותר, עם פחות איטרציות ובעלי מגוון רחב יותר של טכנולוגיות של אות-מעורב הכוללות אותות אנלוגיים, דיגיטליים, הספק ו-RF. כמענה לאתגרים אלה, מעגלי ייחוס, דוגמת המעגלים מהמעבדה (Circuits from the Lab) של Analog Devices, מספקים למתכנני היישומים פתרונות בנויים ובדוקים שניתן לשלבם בתכנון המערכת, כדי לחזות ולפנות ישירות לאתגרים של הפקת פיתרון מלא בזמן לשיווק מזערי.
שיקולי תסדיר (layout) עבור מערכות רכישת נתונים בעלות מספר רב של ערוצים, בעלות ביצועים גבוהים, הדוגמות בו-זמנית.
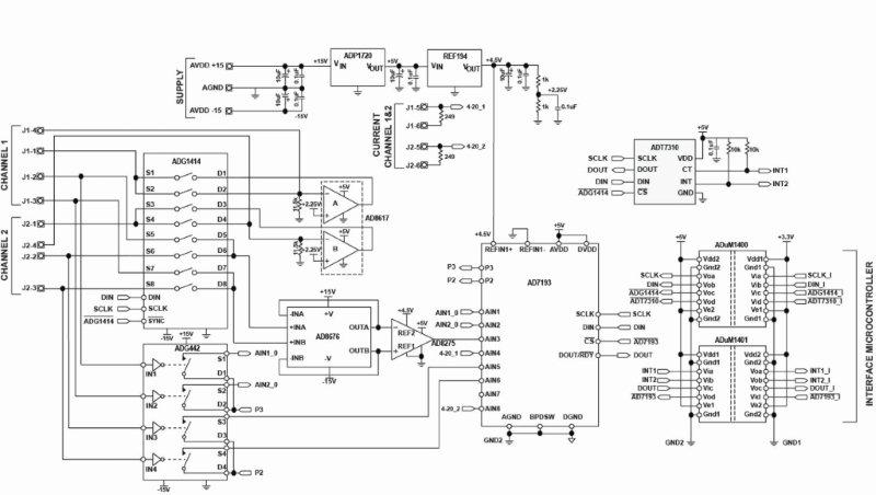
מגוון תחומי יישומים, הנעים ממכשור לרפואה, דורשים דגימה בו-זמנית של מספר רב של אותות אנלוגיים בעלי ביצועים גבוהים. במערכות בעלות מספר רב של ערוצים, תסדיר המעגלים המשולבים ורכיבי ההפרדה (decoupling) המרובים – וניתוב מתחי ההספקה, האותות האנלוגיים הרגישים וקווי הבקרה הדיגיטליים המהירים – עשויים להיות מאתגרים ביותר. לדוגמה, מערכות רכישת נתונים אנלוגיות לדיגיטליות (DAS), דוגמת ה-AD7606 DAS, מתוכננות לניטור קווי ההספק ויישומי הגנת ממסרים בהם מהנדסי תכנון ותסדיר מתמודדים עם אתגרי תסדיר כאלה. הממירים אנלוגי לדיגיטלי (ADCs) של DAS מפשטים את רשימת החלקים עבור מערכות בעלות מספר רב של ערוצים, במיוחד אם הן מציעות 16ADC- ביט בעלי 8 ערוצים, בדגימה בו-זמנית עם התאמת אותות מבוא דו-קוטביים משולבים, הגנת מעגלים נגד מתח-על במבוא, סינון ביטול מדרוג העקומות ADC בעל ביצועים גבוהים, מעגלי ייחוס וייחוס חציצה – ref buffer. עבור מהנדס תכנון מעגל ייחוס דוגמת המזכר CN-0148 של ADI, עונה לאתגרי התסדיר והניתוב הכרוכים בשימוש בהתקני DAS רבים ביישום בעל מספר רב של ערוצים.
לגבי המתכנן, תסדיר מעגל ייחוס המיוטב עבור התאמת ערוץ-לערוץ ופריט-לפריט, יסייע להקטין את מורכבות נוהלי הכיול במערכות בעלות מספר רב של ערוצים. מעגל הייחוס מבליט למתכנן את הצורך בתסדיר סימטרי מסביב לערוצי המבוא האנלוגיים, ובהפרדת התקנים עבור התאמות ערוץ-לערוץ ופריט-לפריט טובות. הוא גם מזהה את קבלי ההפרדה הקריטיים עבור התקני DAS ייחוס וחציצת ייחוס פרטניים, ומבליט את מיקום קבלים אלה ביחס למעגל המשולב.
מזכר המעגל דן במיקום שבב הייחוס החיצוני המשותף לשם סיוע נוסף בהתאמת הפריט-לפריט.
מכשור מדויק עבור בדיקה ומדידה
עם גבור הדרישות לדיוק של מכשור מדויק – ויישומי הבדיקה והמדידה -, מפותחים רכיבים יותר ויותר מדויקים כדי לענות לדרישות אלה. הממיר דיגיטלי לאנלוגי (DAC) דוגמת ה–ביט של ADI הוא דוגמה של רכיב מדויק יוקרתי. DACs מציעים למתכנן מפרטי דיוק עד לרמה של 1-ppm ללא צורך בכיול נוסף של המשתמש. אולם, המתכננים דורשים לעתים קרובות בחירת רכיבים קפדנית ויש להתחשב בטכניקות התסדיר כאשר מתכננים מעגלים ברמה זו של דיוק.
אם כי רכיבים בעלי דיוק של 1 ppm דוגמת ה-AD5791 נמצאים בשוק, בניית מערכת של 1-ppm איננה מטלה שניתן להקל ראש בה. מקורות שגיאה המופיעים ברמת דיוק זו מחייבים שיקול קפדני. התורמים העיקריים לשגיאות במעגלם בעלי דיוק של 1-ppm הם רעש, שינויים בטמפרטורה, מתחים תרמו-אלקטריים ומאמצים מכניים. יש לשמור על טכניקות מדויקות לבניית מעגלים כדי למזער את השילוב וההפצה של שגיאות אלו בתוך המעגל ואת ההכללה של הפרעה חיצונית.
רעש בתדר גבוה ניתן לביטול בקלות יחסית בעזרת מסנני R-C פשוטים, אולם רעש בתדר נמוך 1/f בתחום 0.1 עד 10 הרץ לא ניתן לסינון קל מבלי להשפיע על דיוק ה-dc. השיטה היעילה ביותר להקטין את רעש ה-1/f היא להבטיח שהוא לעולם לא יוכנס לתוך המעגל. שימוש במעגל ייחוס דוגמת ה-CN-0191 מה-Circuits from the Lab של ADI מסייע למתכננים לפרט את היתרונות העיקריים בבחירת מגברים נמוכי-רעש מדויקים לשם חציצת מוצא הייחוס וה-DAC. המגברים המצוינים במזכר המעגלים מאפשרים למתכנן להבטיח שרעש ה-1/f המוכנס לא ישפיע על מאזן הרעש של שרשרת האותות.
רכיבים במעגל הייחוס נבחרים כדי להשיג ביצועי מערכת מיוטבים. טכניקות תסדיר קפדניות מבוצעות ומתועדות ב-PDF ובתיקי ה-Gerber כדי לסייע ללקוח להשיג את ביצועי ה-20ביט המקווים. מזכר מעגל הייחוס יפרט לעתים קרובות את כרטיס הערכת המערכת ואת התוכנה שפותחה כדי לענות לביצועי הפריטים הנתונים במסמך הביצועים. איור 2 מדגיש את ביצועי הרעש שניתן להשיג כאשר מבצעים את ההנחיות המופיעות ב-CN-0191.
חזית (front end) אנלוגית אוניברסלית מיתכנתת במלואה עבור יישומי בקרת תהליך
המעגל המוצג באיור 3 מספק חזית אנלוגית (AFE) אוניברסלית מיתכנתת במלואה עבור יישומי בקרת תהליך. כיום, מודולי מבוא אנלוגי רבים משתמשים בחיבורי מולכים (jumpers) כדי לעצב את דרישות המבוא של הלקוח. דבר זה דורש זמן, יידע והתערבות ידנית כדי לעצב ולעצב מחדש את ערוצי המבוא האנלוגיים. הפיתרון בעל הערך המוצע כאן הוא בהחלפת העיצוב הידני על-ידי פיתרון תוכנה מלא המספק ביצועים מובילים בשוק וחיסכון בעלויות.
לדוגמה, מעגל ייחוס דוגמת ה-CN0209 מציע למהנדסים דרך לתמוך בתכנונים שלהם ב-: עיצובי RDT בעלי 2, 3 ו-4 מוליכים, מבואות צמדים תרמיים בעלי קיזוז לחיבור הקר, מתחי מבוא חד-קוטביים ודו-קוטביים, ומבואות 4 עד 20 מילי-אמפר. על-ידי הספקת פרטים על המתג המבוקר-תוכנה, המתכננים יכולים לעצב את הדרכים הנכונות ביחד עם מקור זרם קבוע לשם עירוי ה-RTD. תזכיר ייחוס מסייע לפרט כיצד לקבוע מתחים הניתנים לעיצוב מחדש במוד-משותף עבור הצמד התרמי. באיור 3, מגבר הפרשי משמש להתאמת תחום המתחים במבוא האנלוגי אל ה-ADC סיגמה-דלתא. תזכיר ייחוס מציע למהנדס פרטים על כיצד לכלול הגנה חיצונים תקנית כדי לענות למפרטי ההתאמה של IEC61000.
מעגלי ייחוס, המתוכננים עבור שילוב מערכות מהיר ונוח, יכולים לסייע למהנדסים לחסוך שבועות של זמן חיפוש ותכנון על-ידי פירוט אבני בנייה קלות-להבנה המתוכננות ובדוקות עבור שילוב מערכות מהיר. מעגלי ייחוס מאפשרים למהנדסי היישומים לזהות את אתגרי תכנון המעגל – לפני מימושו. תזכירים על מעגלי ייחוס רבים כוללים מידע על ביצועים, סכמות, תיקי תסדיר ורשימות חלקים בתוך ערכת הדרכה מלאה. בנוסף, מעגלי ייחוס, דוגמת ה-Circuit של ADI מה-Labs, מציעים תוכנת הערכה וכרטיס הערכה עבור בדיקות נוספות. כתוצאה, המתכננים יכולים לבנות ביצועי מעגלים אמינים והדירים באתגרי תכנון רגילים ומורכבים של מערכות אנלוגיות, RF ובעלות אותות מעורבים.
Albert O’Grady הוא מהנדס יישומים בכיר בתחום התעשייה והמכשור של Analog Devices, Inc. הוא אחראי לפיתוח יישומי מערכת בתת-התחום של Building Technology. הוא בעל תואר BEng בהנדסת אלקטרוניקה מאוניברסיטת Limerick.
הוא מהנדס יישומים ב-Analog Devices. הוא הצטרף לחברה ב-2004 ועובד ב-Precision Converters Application Group ב-Limerick, אירלנד. הוא אחראי לתמיכה ביישומים של משפחת ה-DAC המדויקת והדו-קוטבית. הוא בעל תואר BEng בהנדסת אלקטרוניקה מ-University College, Cork.
Claire Croke היא מהנדסת יישומים ב-.Analog Devices, Inc. היא הצטרפה לחברה ב-1999 ועובדת ב-Precision Converters Application Groupב-Limerick, אירלנד. היא אחראית לתמיכה ביישומים עבור ADCs מדויקים. היא בעלת תואר BEng בהנדסת אלקטרוניקה מאוניברסיטת Limerick, אירלנד.










