תכנון ממשקי נתונים I2C/PMBus חסונים, מבודדים עבור יישומי תעשייה, תקשורת ורפואה

דרישת מפתח עבור יישומי תעשייה ומכשור (I&I), תקשורת ורפואה היא ממשק אמין לשם העברת הנתונים. המעגל Inter-Integrated Circuit () הוא אפיק דו-גידי, דו-כיווני המשמש לתקשורת נמוכת-מהירות, קצרת-טווח בין מעגלים משולבים. השימוש ב-I2C, אשר פותחה בשנות 1980 המוקדמות עבור ICs בכרטיס יחיד, הוא עדיין בתהליך צמיחה. אפיק ניהול ההספק

(power management bus – PMBus), פרוטוקול תקשורת דו-גידי יחסית איטי המבוסס על I2C, מיועד עבור מיהול דיגיטלי של ספקי כוח. פרוטוקול ה-PMBus מגדיר פרוטוקול ניהול בתקן-פתוח, בהספק דיגיטלי, המקל על התקשורת עם ממיר הספק או התקן מחובר אחר.
איור 1 מראה כיצד מחסום בידוד מבודד גלבנית את ממשק ה-I2C מכל אחת מהמערכות המחוברות אליו, ומאפשר על התחומים הדיגיטליים לעבור בין שתי נקודות אך מונע את זרימת זרם ההארקה; דבר זה מקטין את עיוות האותות והשגיאות על-ידי סילוק הרעש המתחבר לאפיק התקשורת.
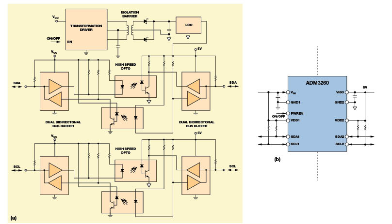
כרטיסי PC המשמשים ליישומי תקשורת כוללים לעתים קרובות ממירים ומעגלי הספק המבוקרים דיגיטלית הפועלים בפוטנציאלי הארקה שונים. כדי להבטיח הכנסה והרה ללא בעיות ופעולה חסונה, יש לבודד כל ממשק, אך בידוד ממשקי I2C הוא מסובך מאחר שהאפיק הוא דו-כיווני. דרישה זו אינה תואמת למצמדים אופטיים, שהם חד-כיווניים. איור 2 מראה חיבור תקשורת PMBus המבודד את החלפת הרכיבים ומנטר את ההספק הדיגיטלי על הצד הראשוני מהצד המשני, הפועל בהספקות של 12 וולט ו-3.3 וולט. המבודד הכפול I2C ADM3260 עם ממיר dc-to-dc מבודד את אותות ה-SDA
וה-SCL. ספק הכוח המבודד שלו (3.3 וולט ISO) מזין את המבודד הדיגיטלי הדו-ערוצי המבודד את אותות ה-SHDN ו-RESTART.
הבידוד דרוש מאחר שהצד הראשוני מיוחס ל-48 וולט, בעוד הצד המשני מיוחס להארקה במישור נמוך-מתח. הבידוד מונע נזק קבוע שעלול להופיע אילו פיתחת ה-I2C הייתה מחוברת בטעות ישירות לספק של -48 וולט. הבידוד גם מספק הגנה נגד המתחים או הזרמים הגבוהים הנגרמים על-ידי נחשולי קו או לולאות הארקה העשויים להופיע במערכת בעלת הארקות מרובות. ערוץ ההספק המבודד (3.3V-ISO) מאפשר למעגל הראשוני לקבל הספק מהצד המשני, תוך ביטול הדרישה של מקור הספק במתח-נמוך, שאיננה לרוב זמינה במישור ה-48 – וולט והפקתו היא בעייתית. כל האותות I/O הנוספים החוצים את מחסום הבידוד דורשות מבודדים שיכולים להיות מוזנים גם על-ידי ה-ADM3260. כדי להשיג חיבור תקשורת נתונים עמיד, יש לבודד כל התקן I2C המחובר לאפיק ה-I2C.
דוגמאות של יישומי I2C כוללות:
ממשקי I2C, SMBus או PMBus
ממשקי I2C המתרגמים-רמות עבור ספקי-כוח
רישות
הספק דרך Ethernet
מיתוג של משרד ראשי
ציוד תקשורת קווית ונתונים
מערכות איסוף נתונים מבודדות
מערכות הספק מפולג -48 וולט
מודולי ספק-כוח -48 וולט
לעתים קרובות יש צורך להעביר נתונים ממיר מדויק (ADC או DAC) דרך מחסום בידוד באמצעות אפיק I2C. איור 3 מראה שתי מערכות איסוף נתונים מבודדות. יישומים שלה דורשים גם ספק-כוח מבודד כדי להזין את הממירים והמגברים בצד המשני.
יישומים מסוימים דורשים בידוד ערוץ-לערוץ, בו כל ערוץ מבודד מכל ערוץ אחר, כמתואר באיור 4.
במערכות גדולות יותר, תרגום הרמה דרוש בין מישורי המתח השונים. דוגמה לכך היא הבידוד של אפיק ה-PMBus בכל כרטיס רו במערכת תקשורת מתוקנת בכונן. איור 5 מראה יישום תקשורת אופייני הכולל כרטיסי קו מרובים שניתן לחבר לתוך לוח-אם של -48 וולט. ביישום זה, רמות המבודדים מעבירים את האותות הלוגיים של ה-I2C מלוח-האם -48 וולט אל המערכת +12 וולט המבודדת במלואה.
הספק מבודד עבור חיבור התקשורת I2C מושג על-ידי שימוש בספק-כוח מבודד dc-to-dc או על-ידי שילוב של טכנולוגיה ממיר dc-to-dc משולבת ®isoPower של Analog Devices. בידוד האות ממומש תוך שימוש במצמדים אופטיים או טכנולוגיית ®iCoupler של Analog Devices.

מימוש ממשק I2C מבודד
נתונים דו-כיווניים צריכים לעבור בין התקן חכם (כגון ADC או DAC) בצד הראשוני אל מעבד בצד המשני וההספק חייב לעבור מהצד הראשוני אל הצד המשני. כדי לבודד קשר של נתונים, קווי הנתונים וספק הכוח חייבים להיות כולם מבודדים. בשביל קשר I2C, כל ההתקנים המחוברים צריכים להיות מבודדים מאפיק ה-I2C, כמתואר באיור 6.

האתגר של ממשקי I2C מבודדים
בגלל שממשק ה-I2C הוא דו-כיווני, יצירת בידוד תוך הימנעות מתקלות קלות באפיק ונעילה עשויה להוות אתגר. איור 7 מראה ממשק מבוסס-מצמד אופטי. מצמדים אופטיים הם מטבעם חד-כיווניים, כך שיש לפצל כל קו I2C דו-כיווני לשני קווים חד-כיווניים. בידוד של ממשק I2C מלא דורש ארבעה מצמדים אופטיים ורכיבים פסיביים אחדים. העלות הנוצרת, שטח כרטיס ה-PC והמורכבות מקטינים את הערך הטבעי של ממשק ה-I2C דו-גידי הפשוט בעצם, הזול. רשום שספק כוח מבודד דרוש גם כן.

הטכנולוגיה של הבידוד:
נתונים והספק
איור 8 משווה שתי טכנולוגיות בידוד עיקריות. טכנולוגיית ה- (a) משתמשת בטכניקות של שיכבה עבה כדי לבנות שנאים על-שבב במיקרו-סקלה המשיגים בידוד של 2.5 קילו-וולט. פיתרון המצמד האופטי, הישן יותר אך עדיין בשימוש רחב (b) משתמש בדיודות פולטי-אור
(light-emitting diodes – LEDs) ופוטו-דיודות. ה-LEDs ממירים את האותות החשמליים לאור, והפוטו-דיודות ממירות את האור בחזרה לאותות חשמליים. יעילות ההמרה הנמוכה מיסודה של המרת חשמל-לאור מובילה לצריכת הספק יחסית גבוהה, התגובה האיטית של הפוטו-דיודות מגבילה את מהירותן וההתיישנות מגבילה את אורך החיים שלהן.
השימוש בעיבוד ברמת-השבב לייצור שנאים על-השבב מאפשר שילוב זול של ערוצי iCoupler בינם ועם פונקציות מוליכים-למחצה אחרות. דוגמה אחת היא המבודד I2C הכפול שניתן להחליף בו רכיבים (hot ADM3260 swappable) עם ממיר
dc-to-dc משולב. הבידוד של ה-iCoupler מתגבר על המגבלות המוכתבות על-ידי המצמדים האופטיים בדרכים רבות: התקנים קלים-בשימוש אלה מקטינים את ממדי הפיתרון הכולל, את עלות המערכת ואת צריכת ההספק, תוך שיפור הביצועים והאמינות. בנוסף, טכנולוגיית ה-iCoupler אינה סובלת מהפחתת הביצועים הנגרמת על-ידי יחס העברת הזרם
(current transfer ratio – CTR), התיישנות המצמדים האופטיים במרוצת הזמן וכן ה-iCoupler היא טכנולוגיה דו-כיוונית, בעוד טכנולוגיית המצמד האופטי היא בהכרח חד-כיוונית.
עד לאחרונה, יצירת ספק בעל מתח נמוך בצד המבודד דרשה ממיר dc-to-dc נפרד, שהוא יחסית גדול ויקר, או מעגל דיסקרטי של הלקוח כמתואר באיור 9. גישות אלו היו החלופות הקיימות היחידות, אף עבור תקשורת נתוני I2C או יישומים אחרים הדורשים רק מנה קטנה של הספק מבודד.
כדי לפתור בעיה זו, Analog Devices פיתחה פיתרון מלא, משולב במלואו המשלב העברת האותות וההספק לעבר מחסום בידוד תוך שימוש במיקרו-שנאים. כהרחבה של טכנולוגיית ה-iCoupler המוכרת היטב, isoPower היא חלופה פורצת-דרך. היא מבטלת את הצורך בספק כוח מבודד, תוך שהיא משיגה עד 5 קילו-וולט בידוד אות והספק בעזרת רכיב אחד בלבד, ומקטינה משמעותית את שטח כרטיס ה-PC, את זמן התכנון והעלות הכוללת של המערכת עבור אפיק I2C אופייני.

מבודדי I2C כפולים בעלי ממיר DC-to-DC משולב
איור 10 משווה בידוד PMBus המשתמש ברכיבים דיסקרטיים עם פיתרון משולב מלא. הגישה הדיסקרטית דורשת ארבעה מצמדים אופטיים לשם בידוד, ספק כוח מבודד ומעגלים אנלוגיים מורכבים כדי למנוע את הנעילה הלא רצויה ולבטל את ההפרעות הקצרות (glitches). ספק הכוח המבודד משתמש ב-IC להזנת השנאי כדי להזין שנאי דיסקרטי, ביחד עם מיישר פשוט ווסת פס הרכיבים הנמוכים (low drop-out) כדי לנקות את האפיק המבודד. תכנון זה דורש שמונה ICs ורכיבים פסיביים אחדים, ומעמיס את הממשק בעלות גבוהה יותר, שטח כרטיס גדול יותר ואמינות פחותה.
הפיתרון המשולב מספק ממשק I2C דו-כיווני מבודד במלואו והספק מבודד בעזרת IC יחיד, חד עם קבלי הניתוק ונגדי השיפור (pull-up) הכרוכים עם כל ממשק I2C. ה-ADM3260 חופשי מסוגיות של הפרעות קצרות ונעילה, יש לו שיעורי בידוד של 2.5 קילו-וולט rms מאושרים על-ידי UL והוא מוצע במארז SSOP 20 מגעים. הוא מספק קווי נתונים ושעון מבודדים ללא הממדים, העלות והמורכבות של מצמדים אופטיים.
פיתרון חד-שבבי זה מקטין משמעותית את העלות, זמן התכנון ושטח ה-PC הדרוש עבור ממשק I2C מבודד, תוך שיפור האמינות. הוא פועל מספקים של 3.3 וולט או 5 וולט ללא שינויים, תוך הימנעות משינויי תכנון שהיו נחוצים עם תכנון דיסקרטי, מספק 150 מילי-ואט של הספק מוצא ב-5 וולט או 65 מילי-ואט ב-3.3 וולט, ומאפשר לו להזין ADCs, DACs או מערכות קטנות אחרות בצד המבודד.

הגנה בפני תופעות-מעבר
כדי לאפשר לממשק המבודד לפעול בתנאי הפעולה הקשים הקיימים ביישומים תעשייתיים, טכנולוגיות ה-iCoupler
וה-isoPower מספקות חסינות לתופעות מעבר במוד-משותף של >25-kV/µs. דבר זה מגדיר את קצב הסיבוב המרבי בקצה העולה והיורד של הפרש הפוטנציאל בין הצדדים הראשוני והמבודד, ומבטיח שתופעות-מעבר הקשורות לאפיק לא יזיקו להתקנים המחוברים לאפיק או לעוות את הנתונים המשודרים ולשפר את אמינות חיבור הנתונים.

הגנה על בידוד של 2.5 קילו-וולט ואישורים
הפיתרון המבודד הגדיר בידוד של 2.5 קילו-וולט בין הצד הראשוני והמבודד של ההתקן. שיעור זה של בידוד מבטיח שזרם לא יוכל לזרום מהצד הראשוני של אפיק ה-I2C, ושמתחים או תופעות מעבר המחוברים אל האפיק לא יגיעו לצד הלוגי. הגנת הבידוד של 2.5 קילו-וולט גם פירושה שאנשים וציוד בצד הלוגי הם מוגנים בפני מתחים או תופעות מעבר גבוהים בצד האפיק. אישור תקף עבור השיעור של 2.5 קילו-וולט של ה-ADM3260 בגורמים הבאים: Underwriters Laboratories (UL), Verband Deutscher Elektrotechniker
() ו-Canadian Standards Association (). האישור UL1577 דורש שמחסום הבידוד של כל ההתקנים ייבדק בייצור ב-100%. ה-ADM3260 קובע
הכרת ה-UL
2500V rms למשך 1 דקה לפי UL1577
תעודת תאימות של VDE
(VDE 0884, Part 2)
VIORM=560 VPEAK
הודעת אישור הרכיבים של CSA #5A

תסדיר המעגל המודפס
תסדיר מעגל נכון חשוב ביותר כדי להבטיח שהבידוד המצוין של 2.5 קילו-וולט מושג בתכנון המעשי. השיקולים העיקריים הם זחילה (creepage) (המרחק הקצר ביותר לאורך המשטח בין שני מוליכים) ומרווח (המרחק הקצר ביותר דרך האוויר) בין ה-GND בצד הלוגי וה-GND בצד האפיק. ה-ADM3260 איננו דורש כל מעגל חיצוני עבור הממשק הלוגי שלו. עקיפת ספק הכוח דרושה בפיני המבוא והמוצא, כמתואר באיור 11. מידע נוסף על הקווים המנחים של תסדיר המעגל המודפס כדי לבדוק את ההפרעה האלקטרו-מגנטית
(electromagnetic interference – EMI) ניתן למצוא ב-AN-0971 Application Note Recommendations for Control of Radiated Emissions with isoPower Devices.
יישומים ויתרונות של ADM3260
המבודד שניתן להחליף בו רכיבים ADM3260 מספק בידוד הן של הנתונים והן של ההספק. שני ערוצי תקשורת לא-ננעלים (non-latching), דו-כיווניים תומכים בממשק I2C/PMBus מבודד לחלוטין, וממיר dc-to-dc משולב מספק עד 150 מילי-ואט של הספק מבודד ב-3.15 וולט עד 5.25 וולט. הערוצים הדו-כיווניים מבטלים את הצורך בחלוקת האותות I2C/PMBus לאותות שידור וקליטה נפרדים לשימוש עם מצמדים אופטיים עצמאיים, והממיר dc-to-dc המשולב מאפשר ממשק I2C/PMBus מבודד לחלוטין להיות ממומש בגורם צורה קטן. ה-ADM3260, המוצג באיור 12, הוא זמין במארז SSOP בעל 20 גידים עם 5.3 ממ' זחילה, פועל מ-400C עד +1050C ומחירו הוא $/2.99 בכמויות של 1000.
בנוסף לבידוד אפיקי ה-I2C עבור כרטיסי קו של משרד-ראשי שניתן להחליף בהם רכיבים, ה-ADM3260 יכול לשמש לבידוד של ציוד איסוף נתונים בסביבות תעשייתיות קשות, לספק הספק והעברת רמות על Ethernet, וביישומים רבים אחרים.

סיכום
אפיקי I2C/PMBus בתקשורת תעשייתית ושל מכשור, ויישומים רפואיים, צריכים להיות קטנים, חסונים ולא יקרים. על-ידי שילוב בידוד שנאי בגודל שבב, שבב יחיד יכול לממש אפיק נתונים I2C/PMBus מבודד לחלוטין כולל הספק מבודד. המבודד I2C הכפול הניתן להחליף בו רכיבים ADM3260 עם ממיר dc-to-dc משולב יכול לספק פיתרון קומפקטי, אמין, זול ואיכותי עבור דרישות מחמירות אלה תוך הקטנה משמעותית של מורכבות המעגל וזמן התכנון.

סימוכין
Digital Isolators
Digital Isolator Product Selection and Resource Guide
iCoupler® Products with isoPower™ Technology: Signal and Power Transfer Across Isolation Barrier Using Microtransformers
I2C Digital Isolators

על המחבר
Maurice O'Brien הצטרף ל-Analog Devices ב-2002, לאחר קבלת התואר בוגר בהנדסת אלקטרוניקה מאוניברסיטת Limerick, אירלנד. הוא עובד כעת כמנהל שיווק מוצר בקו המוצרים של ניהול הספק. בזמנו הפנוי, הוא נהנה מרכיבה על סוסים, ספורט מחוץ לבית ונסיעות.

Maurice O'Brien, Analog Devices

תגובות סגורות