רוב תכנוני המערכת מתייחסים לזרימת הספק בכיוון אחד בלבד: מהמקור אל מרכזי ניהול ההספק ואל העומסים. סוגים מסוימים של מערכות נהנים ממרכזי ניהול הספק המסוגלים לבצע זרימה דו-כיוונית של הספק.
הפיכה ומחזור
אחת הדוגמאות היא בדיקת הטעינה/פריקה עבור יישומי רכב וכלי תובלה אחרים. במקרה זה, האנרגיה מומרת מ-Bus של 48 וולט ל-12 וולט כדי לטעון את הסוללה. מערכת טיפוסית מאמתת את ביצועי הסוללה על-ידי פריקה של ההתקן הנבדק דרך מארזי נגדים. שיטת בדיקה זו מדלגת על האנרגיה האגורה בתור חום, ודורשת אנרגיה נוספת לצורך הקירור אולם מערכת הספק הפיכה מחזירה את האנרגיה ל-Bus וולט, ומונעת את הצורך בהתקני נגדי העומס.
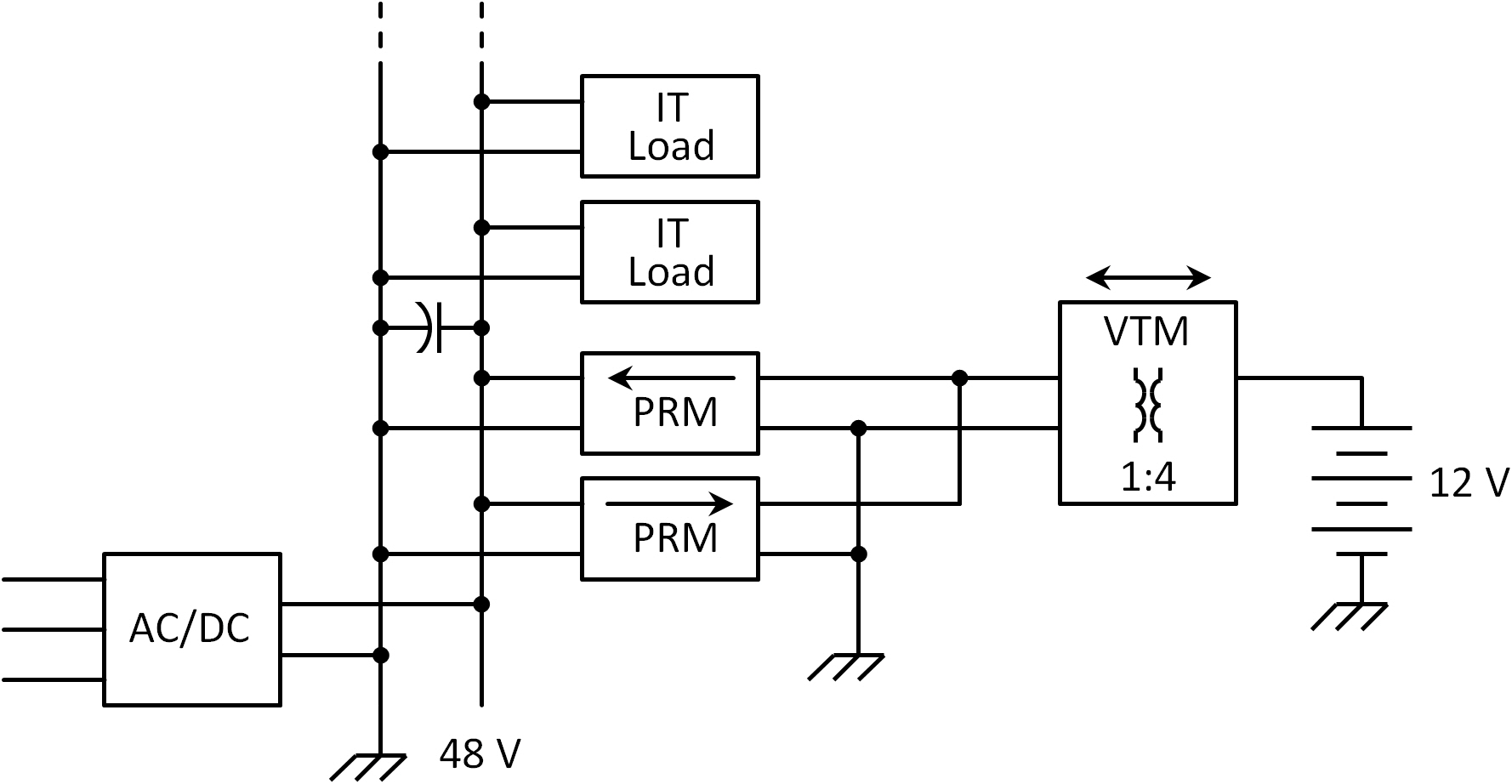
תכנון מסוים יכול לממש את ההמרה הזו דרך זוג ממירי הספק אנטי-מקבילים (איור 1). ממירי הספק אלה מספקים המרה וייצוב מתח של 1:4(step-down), וגם 4:1 (step-up). ארכיטקטורות מסורתיות מאותגרות להגיע לנצילות גבוהה ברמות הספק גבוהות ולא המרה ליחסי המרת מתח גבוהים.
ארכיטקטורה חלופית מפרידה בין פונקציות המרה וייצוב ומפעילה את מרכז המרת המתח בצורה דו-כיוונית (סימוכין 1). לדוגמה, מודול מכפיל-זרם VTM מיישם ממיר תהודה טורית בעל אמפליטודה סינוסוידלית ומספק המרת מתח דו-כיוונית יעילה (איור 2). זוג אנטי-מקביל של מודולי מיצבי PRM מנצל טופולוגיה של buck-boost המבטיחה הופעת מתחים מדויקים על ה-Bus והסוללה בתהליך מחזור הטעינה/פריקה של הסוללה.
מימוש אב-טיפוס של ארכיטקטורה זו מספק 300 ואט במסלול טעינת הסוללה ו-1500 ואט במסלול דחיפת ה-Bus. מדידות של האב-טיפוס מצביעות על נצילות שיא של 92.9% ו-93.6% בהתאמה עבור שני המסלולים. שינויים של ארכיטקטורה זו מעלים את הגיבוי של הסוללה על Bus וולט הממומשים ביישומי מרכזי נתונים (data centers). יכולת כפיית גודל זו משולבת עם נצילות עבודה גבוהה, הופכת גם את ארכיטקטורות ההספק לאטרקטיבית עבור מגוון רחב של יישומים המשתמשים באגירת אנרגיה מקומית.
הספק למשימות קריטיות
דוגמה קיצונית היא שדרוג תותח ה-PIM A6 Paladin ל-Howitzer M109 155 ממ' המונעת עצמאית (איור 3). השדרוג מחליף את האזימוט ההידראולי (סיבוב הצריח) וההגבהה במנועים חשמליים. מקור האנרגיה העיקרי הוא מנוע דיזל 600hp, המזין את ה-Buses ומתנע-מחולל (סימוכין 2). Bus ה-600 וולט DC מזין את מנועי המטרה ואת מערכת טעינת הפגזים.
ממיר הספק kW דו-כיווני, 600 וולט ל-28 וולט, מזין את התקשורת ומערכות מחשוב המטרות של ה-M109A6 וגם את מארז הסוללות שעל התותח. החלפת המערכות ההידראוליות המקוריות עם מנועים חשמליים מצמצמת את התחזוקה ואת מלאי החלפים. היא מאפשרת גם תחום רחב יותר של תיקוני שדה ללא צורך לפנות את הרכב לאתר התחזוקה.
ממיר ההספק הדו-כיווני מאפשר למארז הסוללה בעל מתח נמוך לגבות את Bus המתח גבוה, תוך ביטול הצורך באגירת אנרגיה במתח גבוה, אשר עלול להוות סיכון בטיחותי במהלך תהליכי תחזוקה בשטח. במידה ו-M109A6 דורש התנעה מהירה בשדה, כל רכב שירות עם מתח הספקה של 24-28 וולט יכול לשמש כמקור מתח עם כבלים רגילים של מתח נמוך. לא נדרש כאן מקור הספק נוסף של 600 וולט.
הספק להזזת הקרקע
יצרנים של ציוד הזזת-קרקע, דוגמת מחפרי back-hoe, שקלו מחדש את תכנוני המערכת שלהם כדי לשפר את נצילות האנרגיה, וזאת מסיבות טובות: מתוך כלל האנרגיה המופקת מדלק הדיזל שהמכונה הטיפוסית שורפת, פחות מ-14% מוקדש לביצוע עבודה מעשית (טבלה 1).
בדומה לתעשיית המכוניות, מגזר הציוד הכבד משתמש בהסדרי הספק היברידי שונים. תכנונים הוזזו מהידראוליקה אל מנועים חשמליים המוזנים על-ידי מחולל דיזל-חשמל בעל יכולת של כ-100 קילו-ואט.
עם מעבר למנועים חשמליים, מכונות אלו יכולות להשיב מחדש אנרגיה תוך שימוש בציוד הזזת-קרקע שווה-ערך לעצירה מחודשת של רכב היברידי, לדוגמא כדי להאט את הזרוע. האנרגיה המוחזרת נאגרת במחסניות אולטרא-קיבוליות של מתח גבוה, המאפשרות קצבי טעינה ופריקה מהירים וזרם גבוה ומבטיחים מחזור חיים ארוך.
סוג שלישי של חסכונות נובע מהפעלת פונקציות מסייעות, דוגמת מיזוג אוויר של תא הנהג, גם כן בהספקה חשמלית, המאפשרת למפעילים לכבות את מנוע הדיזל במקום להפעילו במצב סרק. ממיר הספק דו-כיווני 2.4 קילו-ואט 800 וולט/24 וולט מאפשר אסטרטגיות ניהול אנרגיה המגשרות בין תחומי ההספק במתח נמוך והגבוה.
במקרה אחד, Komatsu דיווחה שהמחפר ההיברידי שלה HB215LC-1 משפר את תצרוכת הדלק המשמש לעבודה יעילה מ-13.3% ל-17.7% לעומת מכונות הידראוליות מקובלות בעלות יכולות דומות. כתוצאה, ה-HB215LC-1 משתמש ב-25% פחות דלק כולל, ובהתאמה מפחית את פליטת ה-CO2 באותה הכמות.
סימוכין:
1. Yu, Xiaoyan, Battery backup systems, Application Note, Vicor.
2. Have guns, will upgrade: The M109A6 Paladin PIM self-propelled Howitzer, Defense Industry Daily, Oct 31, 2013.
Stephen Oliver, Vice President VI
Chip Product Line, Vicor
הכתבה נמסרה באדיבות חברת מגוון טכנולוגיות
- איור1. מערכות גיבוי-סוללה מסורתיות משתמשות בזוגות אנטי-מקבילים של ממירי הספק המספקים המרה וייצוב חד-שלבית של המתח
- איור 2. ארכיטקטורה חילופית מבדילה בין תפקידי שינוי המתח והסדרתו, משפרת יעילות ומשתרעת על-פני תחום רחב של יחסי מתח
- איור3: השדרוג A6 ל-Howitzer M109 מחליף את ההזנות ההידראוליות המקוריות עם מנועים חשמליים 600 וולט וכולל ממיר הספק 600 וולט/28 וולט 11 קילו-ואט (האיור באדיבות צבא ארה"ב)
- טבלה 1: מאזן האנרגיה של מחפר הידראולי (מקור: Komatsu)








