לרמת הטמפרטורה השלכות ישירות על ביצועי התפעול ועל האמינות של התקני מוליכים למחצה. התקנים שפועלים בטמפרטורות צומת גבוהות למשך פרקי זמן ממושכים עלולים להינזק באופן בלתי הפיך, אמינותם תיפגע ומשך החיים שלהם יתקצר. משך החיים של רכיב MMIC קשור ישירות לרמת הטמפרטורה בנקושה החמה של מטבעת המוליך למחצה המצויה בהתקן. לכן, חשוב ביותר שהמתכננים יבינו את המאפיינים התרמיים של תכנון ה-PCB עבור התקן MMIC נתון, כדי להקטין למינימום את ההתנגדות התרמית ואת עליית החום.
מאמר זה דן בשיטה כללית המשמשת לחישוב ההתנגדות התרמית המתקיימת בין מגבר MMIC דגם PHA-1 של חברת Mini-Circuits ובין טמפרטורת הסביבה. טמפרטורת הצומת תחושב בהתבסס על ההתנגדות התרמית של לוח המעגל המודפס (PCB) ועל הטמפרטורה הנמדדת, באמצעות צילום תרמי.
רכיב MMIC ארוז מכיל מצע מוליך למחצה המותקן על מסגרת, כמתואר באיור 1. המטריצה מחוברת למסגרת על-ידי שימוש באפוקסי מוליך או בחומר הלחמה, והחיבורים החשמליים בין המטריצה למסגרת נעשים על-ידי מוליכים מודבקים. המטריצה מצופה בתרכובת פלסטית המגנה עליה מנזקי סביבה ומזיהומים.
התנגדות תרמית מוגדרת כיחס בין עליית הטמפרטורה ובין פיזור ההספק, ומבוטאת ב-. ההתנגדות התרמית בין הנקודה החמה שעל המטריצה ובין טמפרטורת הסביבה כוללת סדרה של התנגדויות תרמיות:
• נקודה חמה על המצע אל תחתית המצע ![]()
מתוך ששת הגורמים, סכום ההתנגדויות התרמיות של המצע, של האפוקסי המוליך ושל המסגרת נקרא בדרך כלל
, או ההתנגדות התרמית בין הצומת ובין האריזה, המסופקת בדרך כלל על ידי יצרני הרכיב. עבור PHA-1 ערך זה הוא 60°C/W. תרומת חומר ההלחמה
ל- של ה-PCB קטנה, ואינה נדונה במאמר זה. נותר לקבוע את ההתנגדות התרמית של ה-PCB.
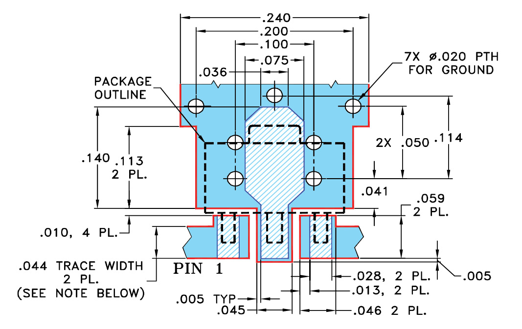
לדוגמה, נתייחס ל- PHA-1 של חברת Mini-Circuits שהוא מגבר MMIC בעל תחום דינמי-גבוה. המגבר מופעל מספק +5V יחיד, הוא צורך 165 וארוז במארז SOT-89 סטנדרטי. הפריסה המומלצת ל-PCB עבור התקן זה מתוארת
באיור 2. הפריסה צריכה להתאים הן לדרישות החשמליות של ההתקן (כגון עכבת קו נאותה, עקיפה ועוד) ולדרישות התרמיות.
לקדחי המעבר ב-PCB תפקיד חשוב בספקם נתיבים חשמליים ותרמיים טובים לאדמה. הפריסה המומלצת של PCB עבור דגם PHA-1 כוללת 7 קדחי מעבר מתחת ליחידת המגבר.
את ההתנגדות התרמית שלקדח מעבר יחיד ניתן לחשב באמצעות המשוואה הבאה
משוואה 1:
משמעות הפרמטרים:
l = אורך (m)
A = שטח (m2)
k = מוליכות תרמית (W/m-K)
בהתייחס למשוואה 1, לגבי קדח מעבר שאינו ממולא:
משוואה 2:
משמעות הפרמטרים:
do = קוטר חיצוני של קדח המעבר (m)
di = קוטר פנימי של קדח המעבר (m)
יש לשים לב לכך שההפרש בין do ובין di הוא עובי הנחושת.
בהצבת משוואה 2 במשוואה 1, ההתנגדות התרמית של מוליך קדח מעבר יחיד העשוי מנחושת מבוטא כך:
משוואה 3:
ממשוואה 3 נובע שההתנגדות התרמית θ תפחת עם:
• הפחתת אורכו של קדח המעבר.
• הגדלת עובי הנחושת בקדח המעבר (do).
• הגדלת הקוטר של קדח המעבר.
בדגם PHA-1, לכל אחד משבעת קדחי המעבר בפריסה המומלצת של ה-PCB קוטר חיצוני (do) של 0.02 עם עובי הנחושת של
"0.0014, וכתוצאה מכך הקוטר הפנימי (di)
הוא 0.0172. עובי ה-PCB הוא 0.020. נוסף על כך, אם נתונה נחושת בעובי
0.0014 בראש ובתחתית ה-PCB, אורך קדח המעבר (l) הוא "0.0228.
בהצבת פרמטרים אלה במשוואה 3, ההתנגדות התרמית של קדח מעבר בקוטר 20mil שאינו ממולא הוא 25°C/W. עבור שבעת קדחי המעבר אנו מניחים שההתנגדות התרמית מחושבת כאילו הם במקביל כדי לפשט את החישוב. עבור שבעת קדחי המעבר במקביל ההתנגדות התרמית היא 4.1°C/W. שיטה זו אינה לוקחת בחשבון את הפיזור המרחבי של קדחי המעבר, אך היא מספקת הערכה ראשונית טובה.
על פי הקביעה שההתנגדות התרמית היא היחס בין עליית הטמפרטורה ובין פיזור ההספק, ערך ההתנגדות התרמית מאפשר לנו לצפות עליית טמפרטורה באופן הבא:
משוואה 4:
θPCB* פיזור ההספק
פיזור ההספק הוא התוצאה של מתח ההתקן ושל זרם ההתקן. למגבר מסוג
PHA-1, מתח ההתקן הוא5V וזרם העבודה הוא 0.165A, ומכאן פיזור ההספק הוא 0.825W. מכאן, עליית הטמפרטורה היא:
4.1°C/W x 0.825W = 3.4°C
זוהי הערכה ראשונית לגבי עליית הטמפרטורה מתיבת ההתקן אל חיבור האדמה.
כדי לתת תוקף לדיוקו של ממצא זה, סופק מתח של 5V להדק ה-DC של מעגל הבדיקה של (TB-545-1+), כמתואר באיור 3, זרם ה-DC המדוד הוא 165. לאחר ייצוב הטמפרטורה, בוצע צילום תרמי כדי למדוד את טמפרטורת התיבה, ה-PCB, חיבור האדמה וגוף ה-
כמתואר באיור 4. תוצאות המדידה מוצגות ומושוות לחישובים הנ"ל בטבלה 1.
הטמפרטורה המדודה (הממוצעת) של המארז (בהנחה שהיא זהה לטמפרטורה שבתחתית ה-PCB) הייתה 32.7°C;הטמפרטורה המדודה (הממוצעת)של חיבור האדמה הייתה 36.1°C. מכאן עליית הטמפרטורה שנמדדה מהתיבה אל חיבור האדמה הייתה 3.4°C, זהה לערך שחושב. היות שכך, השיטה ששימשה לחישוב ההתנגדות התרמית ותוארה במאמר זה, מאפשרת למתכננים לצפות במדויק את עליית הטמפרטורה בלי צורך בתוכנות או בכלים מתוחכמים לאנליזה התרמית. זהו כלי שימושי עבור תכנון PCB להקטנת ההתנגדות התרמית.
החישוב, כפי שהודגם לעיל, מאפשר חיזוי מדויק של התנגדות תרמית מה-PCB לתיבה. לעתים קרובות, תידרש התנגדות תרמית מהצומת אל הסביבה. במקרה של , בהנחה שטמפרטורת הסביבה היא 24°C והטמפרטורה המדודה של התיבה היא 32.7°C, ההפרש בין התיבה ובין טמפרטורת הסביבה הוא 8.4°C.
מכאן, ההתנגדות התרמית מהמארז אל הסביבה היא:
מכאן, סך ההתנגדות התרמית מהצומת אל הסביבה הוא:
- איור 1. חתך של רכיב MMI
- איור 2. פריסה מומלצת של PCB עם מגבר MM מסוג PHA-1+ תוצרת Mini-Circuits
- איור 3: לוח בדיקה ל- PHA-1+ (TB-545-1+)
- איור 4: דימוי תרמי של PHA-1+ לצורך מדידת הטמפרטורה של המארז, ה-PCB, חיבור האדמה וגוף ה- PHA-1+.
- טבלה 1: עליית הטמפרטורה – מחושבת מול מדודה













