מגברי Doherty הוצעו לראשונה בשנת 1936. בזכות התכונות המצוינות שיש למגברים אלו, כמו נצילות גבוהה וליניאריות טובה יותר באופן יחסי בתחום של הקטנת הספק המוצא במידה רבה, הם משמשים באופן נרחב בתחנות בסיס מודרניות. בנוסף, תחנות הבסיס נדרשות לטפל בריבוי של תקנים על פני רוחב פס, דרישה שמציבה אתגר בפני מגברי Doherty להספק המסורתיים, בעלי רוחב הפס הצר.
במאמר זה נדון במגבר Doherty א-סימטרי לפס רחב שיכול לפעול בתדירויות מ-790MHz עד 960MHz בהספק מוצא של 600W. מגבר Doherty מציג יחס ACLR טוב אחרי ליניאריזציה, ונצילות מצוינת בהקטנת הספק המוצא.
ניתוח תיאורטי
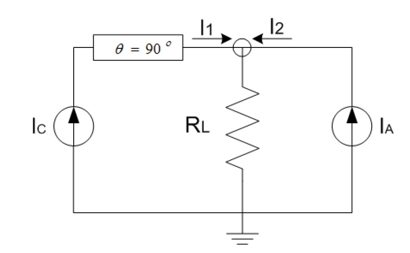
בתיאוריה של מגבר Doherty קלאסי, מעגל Doherty משולב בשני טרנזיסטורים שמיוצגים על ידי שני מקורות זרם. בין מוצא ההתקן לבין נגד העומס המשותף מחובר שנאי רבע גל. השנאי פועל כמהפך עכבה אשר גורם לעכבה ההתנגדותית הנראית על ידי ההתקן לרדת, ככל שזרם העזר של ההתקן עולה.
הניתוח המופיע לעיל הוא תיאורטי בלבד, אין אפשרות לגשת אל מקור הזרם בגלל רכיבים פרזיטיים, מוליכי חיבור ומארז. בעולם הממשי, נקודת הגישה הקרובה ביותר היא ממישור המארז. על מנת לממש את המבנה, מוסיפים אורך חשמלי של n*180 מעלות בשני הצדדים. באופן תיאורטי, אורך חשמלי של n*180 לא משנה את המופע (פאזה) בתדרים הבינוניים. כמו כן, צריך להשתמש באורך החשמלי האמור על מנת ליצור תיאום של העכבה ל-50Ohm. על כן השימוש בתרשים המופיע באיור 2 נפוץ עבור מגבר Doherty תעשייתי.
במישור התדר, כל רכיב התיאום הוא תלוי תדירות. עבור השימוש בפס הרחב, צריך לקצר את האורך החשמלי במעגל תיאום, כך שיהיה קצר ככל שניתן. מאחר שכל האורך החשמלי יפגום בביצועי הפס הרחב, צריך לשקול להסיר את תוספת ה-n*180 מעלות המיותרות האלו בצד האות הנושא ואות השיא, וכך מקבלים את איור 3. אורך זה הוא האורך החשמלי הקצר ביותר שאפשר ליצור בעולם הממשי עבור מגבר Doherty.
אתגר נוסף בתחום מגברים להספק גבוה הוא העכבה הנמוכה של טרנזיסטורי המוצא. עכבה זו מעלה את הקושי לביצוע תיאום עכבות וגם מוסיפה קושי לשימוש בפס הרחב. עבור הספק מוצא נתון, אם משתמשים בהתקנים למתח Vdd גבוה, ניתן לקבל עכבה גבוהה יותר שמאפשרת לבצע תיאום עכבות בקלות רבה יותר.
בתכנון זה משתמשים במבנה א-סימטרי כדי לקבל נצילות גבוהה ברמות הספק של הקטנה במידה רבה של הספק המוצא (back-off). נבחר יחס א-סימטרי של 1:2, כך שבאופן תיאורטי ניתן לקבל את הנצילות הטובה ביותר בהקטנת OBO של 8.5dB. במקרה כזה, במצב Zmod, האות הנושא אמור לפעול בעכבה שנמצאת במעגל יג"ע (VSWR) של 3:1.
מימוש המעגל והתוצאות הניסיוניות
נבחר התקן LDMOS שפועל ב-50V. על מנת לבנות מגבר 600W עם יחס של 1:2 וצריך לקחת בחשבון את הפסדי ההספק במעגל המודפס ובנקודת השילוב, צריך מוצא של 250W במוצא המגבר הראשי ו-500W במוצא מגבר העזר. לכן אפשר לקבל את הערך של Ropt באמצעות החישוב הפשוט:
עכבה זו היא העכבה האידיאלית ברמת מקור הזרם ובמציאות, אין אליו גישה. אפשר לגשת לעכבה על פני המארז. בשינוי עכבה (load pull) אפשר לקבל את ביצועי ההתקן שיענו על הדרישות.
נבחר את העכבה הנדרשת והיא תמומש ברמת המעגל. מתוך שיקולי האילוצים הפיסיים ויכולת המימוש נבחר RL(main) = 120Ohm, RL(Aux) = 6Ohm. ולאחר מכן נעשה שימוש בקו תמסורת רבע גל דמוי מקובץ (quasi lumped) כדי להעביר Ropt אל RL.
בנקודת השילוב מקבלים:
RL=RL(main) | | RL(Aux) = 4Ohm.
בנקודה זו הושלם מעגל ה-Doherty. מה שנותר הוא להעביר אותו לעכבה של 50Ohm באמצעות שנאי רבע גל. על מנת לקבל ביצועי פס רחב, נעשה שימוש בשנאי רבע גל בשני שלבים על מנת שיושגו ביצועי התדירות הטובים ביותר. העכבה האופיינית בדרגה הראשונה היא 7.5Ohm על מנת להעביר את העכבה מ-4Ohm ל-14.4Ohm. העכבה האופיינית בדרגה השנייה היא 26.8Ohm על מנת להעביר את העכבה 14.4Ohm ל-50Ohm. נעשה שימוש במצע רוג'רס RO4360 לא יקר בעובי של 20mil. עבור רשת התיאום במבוא נעשה שימוש בהתקן צימוד היברידי רחב פס כדי לפצל את אות הכניסה. רשתות תיאום רחבות פס תוכננו כך שיספקו תגובת הגבר שטוחה על פני רוחב הפס.
מדידת גל רציף
איור 5 מציג את ההגבר כתלות בהספק המוצא שנמדדו בתדירויות שונות על פני רוחב הפס. ההגבר של האות הקטן שנמדד השתנה בין 18dB לבין 19dB. בגל רציף, הספק המוצא שנמדד בדחיסה של 3dB היה מ-58dBm עד 58.5dBm. עקומות ההגבר לעומת הספק המוצא הן חלקות, ללא שינויי הגבר חדים, כאשר התקן העזר עובר למצב פעולה. איור 6 מציג את הנצילות לעומת הספק המוצא בתדירויות שונות על פני רוחב הפס. נצילות ההספק בשיא משתנה מ-53% ל-58%, הנצילות בהקטנת הספק המוצא היא סביב 46% עד 48%.
איור 7 מציג את יחס הספק ערוצים סמוכים (ACPR) ויחס ערך שיא לממוצע (PAR) לעומת הספק המוצא בתדירויות שונות על פני רוחב הפס. המעגל נבדק עם אות גל נושא יחיד של WCDMA, ביחס PAR של 1.3dB באות CCDF=0.01%. כאשר הקטנת OBO הייתה 7dB, יחס ACPR בחוג פתוח היה פחות מ- על פני 20% מפס התדירות ומתאים לתיקון באמצעות מערכת ספרתית לעיוותים מהופכים (DPD). על מנת לוודא שהמגבר שומר על ליניאריות על פני כל רוחב הפס, הוא הוזן בשני אותות גל נושא WCDMA ב-45MHz עם יחס PAR של 7dB בתדר האמצעי 875MHz. איור 8 מציג את טווחי הספקטרום במוצא אחרי ביצוע ליניאריזציה באמצעות מערכת DPD. ב-875MHz המגבר הגיע ליחס ACPR של 61.3dBc- בהספק מוצא ממוצע של 50.3dBm עם נצילות של 50%. התוצאות הניסיוניות אישרו שמגבר Doherty להספק גבוה הוא רחב פס, בעל נצילות גבוהה וניתן לבצע ליניאריזציה במידה רבה.
מסקנות
במאמר זה הודגם מגבר Doherty א-סימטרי לפס רחב לתדירויות מ-790MHz עד 960MHz בהספק מוצא של 600W באמצעות התקני LDMOS. מגבר Doherty יכול להגיע לנצילות של 53% עד 58% בהספק השיא ולנצילות של 46% עד 48% בהקטנת OBO של 8dB. כמו כן, המעגל מגיע לתוצאות ליניאריזציה טובות עם יכולת של תמיכה באות WCDMA רחב פס של 45MHz. לכן, המגבר המוצע הוא המועמד המתאים לשימוש ביישומים של תחנות בסיס רחבות פס בהספק גבוה.
- איור 1. תרשים של מגבר Doherty תיאורטי
- איור 2. תרשים של מגבר Doherty ממשי
- איור 3. תרשים של מגבר Doherty המיושם
- איור 4. צילום של מגבר 600W רחב פס Doherty בתחום 790-960MHz
- איור 5. ההגבר לעומת הספק המוצא שנמדדו במגבר 600W רחב פס Doherty בתחום 790-960MHz
- איור 6. הנצילות לעומת הספק Doherty המוצא שנמדדו במגבר 600W רחב פס בתחום 790- 960MHz
- איור 7. יחס ACPR ויחס PAR לעומת Doherty הספק המוצא שנמדדו במגבר 600W רחב פס בתחום 790-960MHz
- איור 8. טווחי הספקטרום שנמדדו במוצא המגבר אחרי ביצוע ליניאריזציה כשהמגבר הוזן בשני אותות גל נושא WCDMA ב- 45MHz בתדר של 875MHz
- טבלה 1. הספק המוצא המרבי ) Max Pout ( בנקודת P-3dB בבדיקת שינוי עכבה.














