חדשות היום

ספקי הכוח עומדים ביסודות המעגלים ומשפיעים על מערך הרכיבים

ספקי כוח ממירים את זרם החילופין המסופק לבתים ולמפעלים לזרם ישר שנדרש להתקנים אלקטרוניים.בעולם מושלם, הזרם הישר היה נקי מרעש, מאדוות מתח ומהרמוניות. גםההארקה, שהיא מתח הייחוס למתח הישר, הייתה נקיה וזכה. ואולם, אנו, אנשי הפיתוח כבר יודעים שהעולם רחוק מלהיות מושלם ושאנחנו חייבים להשתמש בכשרון ובידע כדי להגיע לתוצאות.

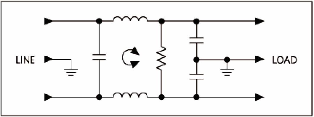
ראשית נבין את סביבת הפעולהוניווכח שקיימות הפרעות בתדר רדיו שמגיעות ממקורות חיצוניים וממעגלים ספרתיים של אותו המעגל המודפס. נתחיל בבחינת תקע החשמל, ורצוי שיהיה מצויד במסנן לקו האספקה, כמו זה המתואר באיור 1.

המטרה המרכזית של המסנן היא לספק הגנה סימטרית להתקן. הוא חוסם פליטה מקווי האספקה אל ההתקן וממנו אל קווי האספקה. חשוב מאודלבדוק פליטה מהתיבה החוצה ולבחון את רגישות האותות הנכנסים אליה.

שגיאות כלליות במערך הרכיבים ברמת המעגל

באופן כללי, מעגלים מודפסים רב שכבתיים, עם משטחים מלאים של הארקה ואספקת מתח, מספקים שלמות אותות ברמה הגבוהה ביותר. בחירת נקודות הארקת כוכב בכל מעגל היא התחלה טובה. חלק מאנשי הפיתוח, שעודם חסרי ניסיון, חושבים שההארקה היא מקום קסום שבו הדברים הרעים נעלמים עם כל ההפרעות האחרות. לעתים הם מתחילים עם כוכב הארקה, אבל שוכחים להחזיר אליו את הזרמים בנפרד מכל סוג מעגל. באיור 2 מתוארת שגיאה זו.

נתחיל עם ספק כוח של 5 וולט והארקת כוכב. המעגלים הספרתיים הרועשים מוסיפים רעש רב יותר למתח האספקה של +5 וולט ולהארקה. אנחנו חושבים שלמעגל אנלוגי נדרש מתח נקי של 3.3 וולט, ובמקום להעביר קו נפרד עבור +5 וולט ועבור ההארקה אל נקודות הכוכב שלהם, אנו מתעצלים ומגיעים למסקנה שנדרש ממיר LDO כדי לייצר 3.3 וולט נקי. במציאות מייצב מתח ליניארי שומר את המוצא שלו במתח של 3.3 וולט בדיוק מעל מתח הייחוס או ההארקה. לכן, אם יש קפיצות מתח בהארקה כפי שמראה המודד, והמייצב פועל כשורה, המוצא של 3.3 וולט יעלה וירד בהתאם לקפיצות ההארקה. נשאלת השאלה, כמה שעות נבזבז באיתור תקלות רק בגלל שלא העברנו קווים אנלוגיים וספרתיים בנפרד אל נקודות הכוכב שלהם? איור 3 מתאר דרך טובה יותר לחבר את המעגל האנלוגי.

משמעות העובדה שהמתח וההארקה נקיים בנקודת הכוכב שלהם (איור 3), היא שהם הומוגניים. בין נקודות הכוכב האלו אין רעש הפרשי. באופן אידיאלי, לספק הכוח אמור להיות אימפדאנס קרוב לאפס או יש לו קבלי ביטול צימוד עם שווה הערך של התנגדות טורית (ESR) נמוכה בתדירות החשובה. למוליכים שמחברים את המעגלים לנקודות הכוכב של המתח וההארקה יש התנגדות והשראות טוריות. אנחנו מסתמכים עליהן בבואנו לבודד את המעגלים הרועשים מאלו הנקיים, מפני שהם יוצרים מסננים מעבירי נמוכים עם קבלי ביטול הצימוד שנמצאים במוצא של כל מעגל. אם החיווט למעגלים השונים קצר באופן יחסי, ייתכן שיהיה צורך להוסיף נגדים ומשרנים בדידים.

ביטול צימוד הוא פעולה מורכבת בגלל ההשראות הפרזיטית שיש לקבלים. בפועל, קבל מיוצג כמעגל RLC טורי (כבאיור 4). הקיבול יהיה השולט בתדירויות נמוכות, אבל מעבר לתדירות התהודה העצמית (SRF) תהיה לכל קבל נקודת שפל (איור 5) שממנה האימפדאנס של כל קבל ייראה השראי. לכן, קבלים מתאימים לשימוש לצורך ביטול צימוד רק בטווח התדירויות שמגיע עד נקודת SRF שלהם.

איור 5 מציג את ביצועי SRF האופייניים של ערכי קבלים שונים. אפשר להבחין בנקודות השפל ולראות שערכי הקיבול הגדולים יותר מספקים ביטול צימוד טוב יותר בתדירויות נמוכות. תוכניות SPICE חינמיות שונות מאפשרות יצירת תרשימי SRF.

שגיאות מיוחדות במערך הרכיבים ברמת מעגל ספק משולב

באיור 6, קבל סינון כניסה קרמי [C1] שמוצב ליד פין VIN פועל כמאגר שמחליק את האותות (פולסים) במתח, אשר אחרת היו עלולים להתפשט לאחור אל מקור המתח הישר. בתלות בזמן העלייה של אותות המיתוג, ליצירת קיבול זה אפשר להשתמש בכמה קבלים בגדלים שונים, על מנת לכסות טווח תדירויות רחב. כמו כן, יש למקם את קבל המעקף של פין VCC סמוך ככל האפשר לפין VCC, וייתכן שגם אותו צריך ליצור באמצעות כמה קבלים. יש ליצור כמה חורי מעבר תרמיים מתחת לאיון (pad) החשוף של ההתקן לקבלת פיזור החום היעיל ביותר.

לולאת הזרם שבאיור 7 היא השטח החשוב ביותר בספק כוח ממותג. בידוד שני סוגי ההארקה חיוני ביותר לפעולה יציבה מאחר ששינויים קטנים במקום זה עלולים לגרום להשפעות הרסניות בתחומי הנצילות, הרעש, קרינה אלקטרומגנטית והפרעות רדיו. בלולאה קיימים זרמים ממותגים ולכן המסלולים במעגל המודפס חייבים להיות קצרים ככל האפשר כדי להקטין את ההשראות התועה. שינויים פשוטים בלולאה זו יכולים לקבוע את ההבדל בין מערך רכיבים טוב לרע. הקטנת הלולאה על ידי סיבוב פשוט של המשרן ב- 90º תשפר מערך גרוע ב- 20%. כדי להקטין את ההשראות הטורית המובנית בחורי מעבר, יש להשתמש בשניים, ארבעה או יותר חורי מעבר במקביל.

באיור 7 אפשר לראות את חורי המעבר (מסומנים בעיגול שבתוכו עיגול קטן נוסף). אלו הם חורי המעבר של משטחי הארקת אספקת המתח (מסומנים בתרשים בצורת משולש), אשר מתחברים למישור הארקה של אספקת המתח בצד התחתון של המעגל ולנקודת כוכב ההארקה. המעגלים המסומנים ב- X הם חורי מעבר שמשמשים את ההארקה של מתח הייחוס והאותות. חורים אלו מתחברים למישור הארקה אחר בתחתית המעגל ולנקודת הכוכב של הארקת אספקת המתח. יש להקפיד על הפרדת הארקת האותות האנלוגיים הקטנים ומתח הייחוס שמגיע מהארקת אספקת המתח עם זרמי המיתוג ולחבר אותן יחד, בנקודת הכוכב שבה פעילות המיתוג מזערית, בדרך כלל, בחיבור החוזר (הארקה) של קבל מעקף מתח VCC.

חורי המעבר המסומנים בסימן + מחברים את מתח המוצא לפין המשוב. יש לנתב את החיבור הזה הרחק מהמשרן ומלולאת הכוח, מהר ככל האפשר. הנגד הטורי (R4) חייב להימצא קרוב ככל האפשר לפין המשוב, מפני שעם קיבול הכניסה של פין המשוב הוא יוצר מסנן מעביר נמוכים, כפי שמוצג באיור 8.

איש תכנון לא מנוסה במערך רכיבים עלול להביט בתרשים ולהציב את R4 קרוב למוצא אספקת המתח, כפי שנראה באיור 8. מאחר שהמשרן הוא סליל חוט לא מסוכך עם ליבת פריט, הוא מחזק שדות אלקטרומגנטיים בערב דיבור (crosstalk) אל פין המשוב (קווי מעגלים כתומים מרוסקים). כתוצאה מכך, פעולת המעגל הופכת לבלתי יציבה, מפני שהמוליך שבין פין המשוב לנגד R4 הופך לאנטנה שקולטת את העליות והירידות של המיתוג.

באיור 9 המוליך A הוא מקור בעוצמה גבוהה והמוליך B הוא מקלט בעל אימפדאנס גבוה. אפשר להקטין את ערב הדיבור על ידי העברת המוליך B הרחק או על ידי הקטנת האימפדאנס שלו.

רצוי לזכור שמיתוג ספק הכוח יכול להיות כמה ‘קילו-הרץ בודדים’, אבל ההרמוניות בשפות המיתוג, אשר יכולות להגיע ל’מאות רבות של מגה הרץ’, יוצרות ערב דיבור וקרינה. איור 10 מציג מערך טוב מזה שמוצג באיור 7, מאחר שמסלול המשוב רחוק מלולאת הזרם הגבוה ומהמשרן L1, והנגד R4, שקרבתו למעגל MAX17501 ולקיבול הפנימי שלו משפרת את הסינון מעביר הנמוכים, מנחית את ההפרעות המיוצגות במעגלים כתומים.

מסקנות

הזמן המושקע בתכנון מוקפד של מערך הנחת הרכיבים בספק כוח משתלם ומניב אספקה שקטה ויעילה, שמהווה בסיס טוב לשאר המעגלים. בנוסף, אספקת מתח והארקה טובים יקלו על פעולת ניפוי השגיאות מהמעגלים האחרים. מעקב אחר שגיאות אקראיות או שגיאות שמתרחשות לפרקים עלול להיות סיוט בסביבה של מתח אספקה והארקה רועשים.

הכותב הינו מהנדס יישומים בחברת מקסים. הכתבה נמסרה באדיבות חברת טרייטק.

Bill Laumeister, Maxim Integrated Products, Inc.

תגובות סגורות