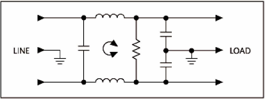
איור 1. מסנן משנק בחיבור משותף לקו האספקה פורסם ע"י Shirley on ספטמבר 2, 2015 1060 × 397ספקי הכוח עומדים ביסודות המעגלים ומשפיעים על מערך הרכיבים איור 1. מסנן משנק בחיבור משותף לקו האספקה ← קודם הבא → איור 1. מסנן משנק בחיבור משותף לקו האספקה