הנפח העולה של תעבורת נתונים בשל השימוש של התקנים אלחוטיים דורש רוחבי-פס גבוהים לשם חיבור של תחנות-בסיס אל הרשת. שני תחומי תדרים של 5 גיגה-הרץ בין 71 גיגה-הרץ ו-86 גיגה-הרץ זמינים בתחום E עבור חיבורי נקודה-לנקודה. התדרים הגבוהים מהווים אתגר עבור ציוד מדידה ובדיקה, לא רק כאשר מפתחים מודולי שידור וקליטה, אלא גם כאשר מודדים מערכות שידור.
תחום E: רוחב-פס נוסף עבור נתונים נוספים
לפני מעל שלושים שנה בועידת
World Radiocommunication Conference WARC-79 ב- [1], ה-International Telecommunication Union () אימצה את ההחלטה להקדיש את תדרי התחום E מ-71 גיגה-הרץ עד 76 גיגה-הרץ ומ-81 גיגה-הרץ ל-86 גיגה-הרץ ליישומי שידור. נדרשו מעל 20 שנה עד שהתעורר עניין מסחרי ביישומים אלה אשר הוביל את ה-US Federal Communications Commission () והרשויות האירופיות להוציא רישיונות עבור תחומים אלה ולנסח את הדרישות הטכניות עבור השימוש בהם. הסיבה להתעוררות העניין הייתה שכיום, נוצרה האפשרות לייצר רכיבים מסחרית עבור תחום תדרים זה. באותו הזמן, הדרישה לקצבי שידור עולים חייבה את השימוש בתחומי התדרים החדשים. קשרי שידור בעלי קצבי נתונים של Gbit/s אחדים אינם בעיה בתחום E. שני תחומי התדר, כל אחד עם תחום רציף של 5 גיגה-הרץ מאפשרים רוחבי-פס לשידור של כמה מאות מגה-הרץ.
בשילוב עם שיטת אפנון פשוטה כגון ה-BPSK, ניתן להשיג קצבי נתונים גבוהים. לכן, אפשר לממש מודולים פשוטים לשידור וקליטה עבור חיבורי גלים-מילימטרים אלה. מובן מאליו שניתן להשתמש בסוגי אפנון יותר מורכבים ככל שטכנולוגיה זו מתפתחת. התחום הניתן להשגה בתחומי תדרים אלה הוא רק במעט קצר יותר מאשר לדוגמה בתחום ה-38 גיגה-הרץ. דבר זה הוכח בבדיקות בשדה פתוח שנעשו בתנאי מזג אויר רגילים עם ניחות של
0.5 [2].
התדרים הגבוהים מעוררים אתגרי מדידה ובדיקה חדשים. אם כי הרישוי מגן בפני הפרעות ממקורות מיקרוגל אחרים, חייבים למדוד את ההספק והספקטרום של המשדרים כדי להבטיח קיום-יחד חופשי מעיוותים של התקשורות המורשות. הדרישות עבור משדרים בתחום תדרים זה, במיוחד עבור מסיכת צפיפות ספקטרום של ההספק המוקרן (EIRP), מתוארות ב-[3].
מערבלים הרמוניים הם חיוניים – מדידות ספקטרום בתחום E
נתחי ספקטרום הם המכשירים המתאימים ביותר עבור מדידות מתוחכמות אלה. אולם, לנתחי ספקטרום הזמינים מסחרית יש תחום תדרים רציף של עד 67 גיגה-הרץ בלבד. כדי לקיים מדידות ספקטרום בתחום E, יש להשתמש בהם ביחד עם מערבלי הרמוניות חיצוניים [4]. המערבלים מכפילים את אות המוצא של המתנד המקומי של נתח הספקטרום ומשתמשים בהרמוניה מתאימה כדי להפחית את תדר האות בגלים מילימטריים לשם מדידה בתדר הביניים של הנתח. אולם, המספר הרב של הרמוניות הנוצר במערבל וההרמוניות של אות המבוא יוצרים אותות מרובים בספקטרום. תדר הבבואה (image) איננו מבוטל מאחר שלא קיימת בחירה מוקדמת.
דבר זה לא יגרום לבעיה כל עוד רק אותות CW נוכחיים במבוא המערבל. עם סוג זה של אות, נתח הספקטרום יכול לגלות את ההבדל בין אותות אמיתיים ומוצרי ערבול בלתי-רצויים ואותות תדר-הבבואה שלהם הנוכחיים במוצא המערבל. כדי לאפשר הבחנה זו, הנתח עורך מדידת ייחוס לפני המדידה האמיתית. במהלך מדידת הייחוס, תדר המתנד המקומי מוגבר לערך שהוא כפליים תדר הביניים. רק אותות המתגלים במדידת הייחוס ובמדידה האמיתית הם אותות ממשיים והם מוצגים בספקטרום.
אם אותות מאופננים נוכחיים במבוא המערבל, המשימה היא יותר מסובכת. האות הממשי והאות הנקלט בתדר הבבואה של הנתח יכולים לחפוף זה עם זה, במיוחד במקרים של אותות בעלי רוחב-פס רחב מאוד, כך שאין כבר אפשרות להבחין ביניהם.
איור 1 מראה מדידת ספקטרום המבוצעת עם ה-R&S®FSQ, נתח אות איכותי ונתח ספקטרום. מכשיר זה כבר לא שייך לדור החדש ביותר והוא בעל תדר ביניים של 404 מגה-הרץ. הפרש התדרים בין אות המבוא ואות תדר המבואה הוא 808 מגה-הרץ. עם אות מבוא זה בעל רוחב-פס של 500 מגה-הרץ, עדיין אפשר לבדוק באם הוא תואם את מסיכת צפיפות הספקטרום EIRP על-פי [3], על-ידי הפחתת ספקטרום מדידת הייחוס מזה של המדידה הממשית. אם לאות המבוא היה רוחב-פס של 1 גיגה-הרץ, הדבר כבר לא היה אפשרי, מאחר שאות המבוא ואות תדר-הבבואה היו חופפים זה עם זה. השפעת אות תדר הבבואה הייתה מעוותת בהרבה את ניתוח מישור הזמן של האות (נתוני I/O), שם התיקון בעזרת מדידת ייחוס איננו אפשרי.
R&S©FSW: מסוגל לטפל באותות מאופנני-פס רחב
לנתחי האות והספקטרום R&S©FSW
[] עם האופציה R&S©FSW-B21 (מחברי LO/IF עבור מערבלים חיצוניים) יתרון חשוב בהשוואה למכשירים שגרתיים. עם תדר ביניים של 1.3 גיגה-הרץ, לנתחי ה-R&S©FSW תחום תדרים חופשי מבבואה (image-free) של 2.6 גיגה-הרץ. דבר זה מקל על מדידת מסיכת ספקטרום ה-EIRP של אותות מאופנני-פס רחב, אף אם רוחבי-הפס שלהם מגיעים לתחום הגיגה-הרצים. ביחד עם הדור האחרון של מערבלים הרמוניים של Rohde&Schwarz, לדוגמה ה- (60 גיגה-הרץ עד 90 גיגה-הרץ), התחום הדינמי שניתן להשיג הוא אכן יחיד במינו. למערבל הפסד המרה אופייני של 23dB ב-80 גיגה-הרץ, הנותן רמת רעש ממוצע מוצגת
(displayed average noise level – DANL) של כ-150dBm/Hz- עבור מערך הבדיקה השלם, הכולל את ה-R&S©FSW. נקודת דחיסה של 1dB של -3dBm נומינלי נותנת תחום דינמי מספיק כדי למדוד את מסיכת הספקטרום. המפרט הטכני ETSI [] מגדיר ערך של 50dB. המערבל ההרמוני R&S©FS-Z90 מצויד גם במבודד במבוא, המאפשר יג"ע אופייני של 1.4:1. שגיאות במדידת ההספק בשל החזרות במבוא בגין חוסר-תאום מוקטנות אופיינית בגורם של 5 בהשוואה למערבלים ללא מבודדים.
איור 2 מראה את מדידת אותו האות של חיבור מיקרוגל בתחום E כמו האיור 1. אות המבוא ברוחב-פס של 500 מגה-הרץ ואות הבבואה הם במרחק של 2.6 גיגה-הרץ, ואפשר למדוד באם הספקטרום נמצא בתוך המסכה המוכתבת (הקו האדום). התחום הדינמי הדרוש של לפחות 50dB מושג גם בקלות על-ידי מערך זה.
ה-R&S©FSW יכול למדוד את הספקטרום כמו גם את איכות האפנון. רוחב-הפס האנליטי הגבוה שלה של עד 320 מגה-הרץ (האופציה R&S©FSW-B320) מאפשרת לכידה של אותות בעלי פס-רחב, לפענח אותם בעזרת האופציה נתח אותות וקטורי R&S©FSW-K70 ולנתח את איכות האפנון.
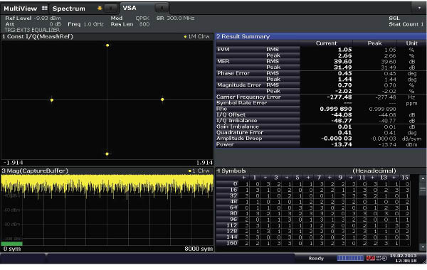
איור 3 מראה את הניתוח של אות QPSK בעל רוחב-פס של 300 מגה-הרץ. ניתן למדוד את גודל שגיאת הווקטור
(error vector magnitude – EVM) כמדידה של איכות האפנון כמו גם שגיאת התדר, שגיאת קצב הסמל ופרמטרים רבים אחרים. האות ונתח הספקטרום R&S©FSW מציג את התוצאות בטבלאות או בגרפים. לדוגמה, המופע והאמפליטודה מוצגים בדיאגרמת constellation (קבוצת כוכבים) המספקת רושם ויזואלי של איכות האפנון.
סיכום
חיבורי מיקרוגל בתחום E הופכים ליותר ויותר נפוצים בשל הביקוש הגובר של נפחי נתונים גבוהים יותר שיש לשדר. תחום זה מציע את קצבי הנתונים הגבוהים ביותר שניתן להשיג בכל טכנולוגיות השידור האלחוטי. נתח ספקטרום עם מערבל הרמוני חיצוני דרוש כדי למדוד את הספקטרום. בזכות תדר הביניים הגבוה של ה-R&S©FSW, נתח הספקטרום מציע תחום רחב חופשי-מבבאות. הפסד ההמרה הנמוך של המערבלים ההרמוניים של Rohde&Schwarz מספק תחום דינמי גבוה, וההתאמה הטובה גורמת לדיוק גבוה במדידת ההספק. דבר זה הופך את ה-R&S©FSW ביחד עם המערבל ההרמוני R&S©FS-Z90 לפיתרון מצוין בשביל מדידות ספקטרום בתחום E.
סימוכין
[1] Radiofrequency Use and Management, Impacts from the World Administrative Radio Conference of 1979, WARC-79, chapter 4, overview, actions and impacts, page 77,
[2] ITU-R P.676-6, Attenuation by atmospheric gases, 2005.
[3] ETSI TS 102 524 V1.1. Technical Specification: Fixed radio systems; point-to-point equipment; radio equipment and antennas for use in point-to-point millimeter-wave applications in the fixed services (mmwFS) frequency bands 71 to 76 GHz and 81 GHz to 86 GHz.
[4] Dr. Florian Ramian: Using Harmonic External Mixers to Extend the Frequency Range.
Rohde&Schwarz, Application Note 1EF75.
[5] The new benchmark: the R&S®FSW signal and spectrum analyzer.
NEWS (2011) No. 204 (extra section following page 32)
הכתבה נמסרה באדיבות חברת איסטרוניקס
- איור 3. ניתוח אפנון של אות QPSK בעל רוחב-פס של 300 מגה-הרץ. מלבד התצוגה הגרפית, כגון דיאגרמת הקונסטלציה או אות המבוא כנגד זמן, הערכים המוצגים במורת טבלה מספקים מידע על איכות האפנון במבט אחד.
- איור 2. מדידת אותו אות כמו באיור 1, עם נתח האותות והספקטרום R&S©FSW. אות המבוא והבבואה מרוחקים ב-2.5 גיגה-הרץ. מדידת מסכת הספקטרום או ניתוח איכות האפנון של אותות רחבים יותר משמעותית אפשרית ללא כל קושי.
- איור 1. מדידת אות מבוא בתחום E עם רוחב-פס של 500 מגה-הרץ עם הנתח אותות וספקטרום -R&S©FSQ. העקומה הכחולה מראה את התוצאות של המדידה בפועל, העקומה השחורה מציגה את מדידת הייחוס. ברור שאות הבבואה, בעל התדר הממוקם מעל זה של אות המבוא, יכול עדיין להיות מופחת (עקומה כחולה) . דבר זה לא היה אפשרי עם אותות מבוא בעלי רוחב-פס של 1 גיגה-הרץ.







