משפחת ה-LTC554x של מיקסרים פאסיביים ממירי מטה מכסים תחום תדרים מ-600 מגה הרץ עד 4 ג'יגה ומספקים הגבר המרה גבוה וספרת רעש נמוכה תוך כדי שמירה על לינאריות גבוהה. מיקסרים אלו מיועדים לאפליקציות כגון מקלטי תשתיות תקשורת אלחוטיים הדורשים מיקסר בעל הגבר גבוה בכדי לגבור על הניחות במסנני ה-IF מסוג SAW בעלי הברירות הגבוהה הקיימים היום. בעוד שבעבר מיקסרים פאסיביים היו גורמים להפסד של כ-7dB בהמרה מטה, המיקסרים ממשפחת ה-LTC554x מכילים באריזתם מגברי IF המפיקים 8dB של הגבר המרה כללי. דבר זה מאפשר הוספה של 15dB להפסדי מסנן ה-IF ועדיין מאפשרים למקלט לעמוד בדרישות רגישות וטווח (Spurious Free Dynamic Range).
מיקסרים פאסיביים לעומת אקטיביים
רוב היישומים של מיקסרים במעגלים משולבים מתבססים על טופולוגיה אקטיבית או על טופולוגיה קומוטטור-זרם. לדוגמה, לחברת ליניאר טכנולוגיות קיימים מיקסרים אקטיביים כגון ה-LT5527 וה-LT5557 הפופולאריים בתעשייה עקב נוחות וקלות השימוש וכמו כן, צריכת ההספק הנמוכה. למרות זאת, הגבר ההמרה שלהם הוא בגובה 2dB-3dB ואינו מספק בתכנוני מקלטי תשתיות תקשורת מסוימים. בנוסף, ספרת הרעש במיקסרים אקטיביים גבוהה יותר בד"כ מאשר במיקסרים פאסיביים בהשוואה ללינאריות. משפחת ה-LTC554x מבוססת על ליבה של מיקסר פאסיבי בכדי להשיג ספרת רעש נמוכה ככל האפשר תוך שמירה על ליניאריות גבוהה. טבלה 1, משווה את ביצועי המיקסר הפאסיבי, ה-1LT554 למיקסר האקטיבי ה-LT5527. כפי שניתן לראות בטבלה 1, למיקסר הפאסיבי הגבר הגבוה יותר ב-5dB, ספרת רעש נמוכה יותר ב-2dB ונקודת IIP3 גבוהה יותר ב-1.7dB. לעומת זאת ל-LT5557 ישנה צריכת הספק נמוכה יותר .
ספרת רעש באות גדול
פרמטר חשוב נוסף של מיקסר הוא ביצועי ספרת הרעש באות גדול. כבמגבר, ספרת הרעש של מיקסר היא היחס בין האות לרעש במבוא, לעומת היחס בין האות לרעש במוצא (NF=SNRin/SNRout). בכל המיקסרים ספרת הרעש עולה כאשר עוצמת אות הרדיו במבואותיהם גוברת. לתופעה זו גם מתייחסים כספרת רעש "תחת חסימה", כאשר במקלטים האות החוסם הוא אות בעוצמת אמפליטודה גבוהה בערוץ סמוך. ספרת הרעש במיקסר גדלה עקב כך שריצפת הרעש במוצא המיקסר פרופורציונאלית לאמפליטודת אות הרדיו במבוא, מוכפל ברעש
ה- ().
משפחת ה-LTC554x של מיקסרים פאסיביים ממירים מטה מספקים את הביצועים הגבוהים הנדרשים למקלטים בתשתיות תקשורת.
ישנן פעמים רבות בהן מקלט נדרש לזהות אות חלש בנוכחות אות חזק חוסם. אם האות החוסם יגרום לרצפת הרעש לעלות דיה, אזי האות החלש הרצוי יכול להיאבד בתוך הרעש. איור 2 מראה את ספרת הרעש לעומת עוצמת אות הרדיו בכניסה
ל-LTC5540. ספרת הרעש מתקרבת לעוצמת אות לערך האות הקטן בתדרים הנמוכים, אך כאשר עוצמת אות הרדיו מוגברת תרומת המכפלה של נעשית דומיננטית ומכך ספרת הרעש עולה בערכה. בעוצמת אות רדיו גבוהה בת +5dBm במבוא ועוצמת אות ה-LO של 0dBm, ערך ספרת הרעש עולה רק ב-6dB מערך האות הקטן ל-16.2dB. כמו כן, ניתן להסיק מן הגרף שתרומת הרעש באות גדול משתפרת כאשר רמת עוצמת אות
ה-LO גבוהה יותר ובכך בעצם אפשר לקבל ביצועים טובים יותר אם נדרש.
בעוד שאי אפשר לבטל לחלוטין את העלייה בערך ספרת הרעש, ביצועים יכולים להיות משופרים באמצעות תכנון נכון. הרכיבים ממשפחת ה-LTC554x מציגים התנהגות ספרת רעש מצוינת כפי שניתן לראות בטבלה מספר 2.
השילוב בין הגבר המרה גבוה, ספרת רעש נמוכה, ספרת רעש נמוכה בחסימה וליניאריות גבוהה משפרים את יחס האות לרעש הכללי במערכת ואת ה-SFDR. ביצועים אלו תורמים כמו כן לשיפור הביצועים של מקלטי (Digital Pre Distortion).
השוואת ביצועים מחושבים בשרשרת המקלט
התועלת של המיקסרים הפאסיביים מודגמת באנליזת שרשרת המקלט הבאה. המרה מטה בעלת דרגה אחת היא אפליקציה טיפוסית במקלטי תחנות בסיס. שרשרת של מקלט מסוג זה נראית באיור 3 והיא משמשת להשוואה של כלל ביצועי המקלט כאשר פעם אחת ה-LT5557 (מיקסר אקטיבי) משמש כמיקסר של המקלט ובפעם השנייה המיקסר מיושם על-ידי ה-LTC5441 (מיקסר פאסיבי) בתור מגבר ה-IF, נעשה שימוש
ב-, בעל הגבר של 26dB, כאשר ה-LT5557 הוא המיקסר של המקלט ולעומת זאת נעשה שימוש ב-, אשר לו הגבר בן 20dB, כאשר ה-LTC5541 משמש כמיקסר של המקלט.
תכנון זה גורם להגבר שרשראות המקלטים להיות כמעט זהות בשני המקרים.
במקלט נעשה שימוש ב-SAW Filter במוצא המקלט בשתי שרשראות הקליטה כפי שנדרש ממקלטי תחנות בסיס בעלי ביצועים גבוהים. כפי שניתן לראות מאיור 3, שרשרת הקליטה המבוססת על המיקסר הפאסיבי ה-LTC5441 מראה ספרת רעש נמוכה ב-0.76dB ו-IIP3 גבוה יותר ב-1.76dB. התוצאה מכך היא יחס אות לרעש ו-SFDR טוב יותר למקלט המבוסס LTC5441.
השוואת ביצועים נמדדים במקלט DPD
בצורתו הפשוטה ביותר, מקלט דיגיטלי בעל המרה אחת מכיל מיקסר ממיר מטה, מסנן מעביר נמוכים או מעביר פס וממיר אנאלוגי לדיגיטאלי (ADC). סוג זה של מקלט יכול להוות מקלט DPD במשדרי תחנות בסיס בעלי לינאריות גבוהה. באפליקציות מסוג זה הפרמטרים הקריטיים ביותר הם הלינאריות, הגבר קבוע לעומת תדר, רוחב פס רחב בתחום ה-IF וכמובן פשטות. לא כפי שתואר בשרשרת המקלט הקודם, במקלט מסוג DPD, ספרת הרעש פחות חשובה עקב האמפליטודה הגבוהה המצומדת ממוצא המשדר. ה-LTC5441 הם בחירה אידיאלית לסוג זה של מקלטים עקב הלינאריות והגבר ההמרה הגבוהים וכמו כן, רוחב הפס בעל ההגבר האחיד לעומת התדר. דוגמה לאב טיפוס של מקלט DPD נראה באיור 4. המקלט הזה נבנה ונבדק לתכנון בתדר 1.95GHz ובעל רוחב פס תדר IF של
185±. לצורך השוואה מקלט נוסף נבנה אשר בו נעשה שימוש במיקסר אקטיבי, ה-LT5557. במקלט ה-DPD המבוסס מיקסר LT5557 יש צורך בשימוש במגבר IF חיצוני לפני מסנן הפס בכדי לפצות על הגבר נמוך יותר מהמיקסר האקטיבי. היתרון המשמעותי של ה-LTC5541 הוא שהוא מסיר את הצורך בשימוש במגבר זה. בנוסף, כפי שמסוכם בטבלה 3, מקלט ה-DPD מספק יחס אות לרעש ו-IIP3 גבוה יותר וכמו כן תוכן הרמוני קטן יותר.
סיכום
משפחת ה-LTC555 של מיקסרים פאסיביים ממירים מטה מאפשרים את הביצועים הגבוהים הנדרשים ממקלטי תשתיות תחנות קצה. השילוב בין הגבר המרה גבוה, ספרת רעש נמוכה, ספרת רעש נמוכה תחת כאשר קיים אות חוסם ולינאריות גבוהה יכולים לשפר את יחס האות לרעש ואת ה-SFDR. ביצועים מצויינים אלו תורמים גם לשיפור ביצועי מקלטי DPD ובנוסף, תחום התדרים של 600MHz עד 4GHz מאפשר למשפחה זו להיות ישימים במגוון רחב של סוגים שונים של מקלטים.
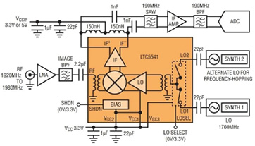
- איור 1. מיקסר פאסיבי ממשפחת LTC544x במימוש מקלט
- איור 2. ספרת הרעש לעומת אות רדיו חוסם במיקסר LTC5540
- איור 3. השוואה בין ההגבר וספרת הרעש בשימוש במיקסר אקטיבי LT5557 לפאסיבי « LTC 5541
- איור 4. דיאגרמת בלוקים ותוצאות של מקלט DPD כאשר נעשה שימוש במיקסר פאסיבי ואקטיבי
- טבלה 3. תוצאות מדידות של מקלט DPD בשימוש במיקסרים שונים
- טבלה 2. ספרת רעש באות גדול כאשר אות רדיו חוסם בעוצמת +5dB
- טבלה 1. מיקסר אקטיבי לעומת פאסיבי השוואה בתדר 1.95GHz











